Foram encontradas 2.308 questões.

O circuito da figura acima é um regulador de tensão. A tensão Vin da fonte varia, de forma aleatória, entre 18V e 24V. A tensão nominal do zener é de 9,2V, o ganho !$ \beta !$ do transistor é 10 e a tensão VBE é 0,6V quando o transistor opera na região ativa.
Qual a potência, em W, dissipada na carga RL quando esta consome uma corrente de 0,5 A?
Provas
Com relação a transformadores, assinale a opção correta.
Provas

A Figura 2 apresentada acima foi gerada no AutoCAD (versão 2000 ou posterior) a partir da Figura 1, utilizando apenas duas funções de edição de sólidos, com suas respectivas opções, em três estágios. As distâncias entre os pontos !$ \overline{P1P2} !$, !$ \overline{P1P3} !$, !$ \overline{P2P4} !$ e !$ \overline{P3P4} !$ são iguais nas duas figuras. As duas funções são
Provas
Uma dada subestação dotada de um transformador na configuração !$ \Delta !$-Y, cujas tensões são, respectivamente, 13,8 kV e 220/127 V, sofreu uma falta no lado de baixa tensão entre fase e terra, acarretando uma corrente de linha no secundário do transformador de 8.000 ampères. A corrente de linha no lado de média tensão será de
Provas
Um sistema de distribuição radial de energia elétrica é composto por três alimentadores. O número de unidades consumidoras e as interrupções no fornecimento de energia total em cada alimentador em um dado mês, com os respectivos tempos de duração, são mostrados na tabela abaixo.
|
Número de unidades Consumidoras |
Número total de interrupções |
Duração de cada interrupção |
|
|
ALIMENTADOR #1 |
10 | 3 |
1,5h |
|
2,0h |
|||
|
0,5h |
|||
|
ALIMENTADOR #2 |
15 | 4 |
0,3h |
|
0,5h |
|||
|
0,7h |
|||
|
0,5h |
|||
|
ALIMENTADOR #3 |
5 | 5 |
1,0h |
|
1,5h |
|||
|
0,3h |
|||
|
0,7h |
|||
|
0,5h |
Quais são os valores dos indicadores de continuidade de conjunto, DEC e FEC, respectivamente, para o mês em questão?
Provas

O SCR do circuito mostrado na figura acima é usado para controlar a potência fornecida a uma carga RL por uma fonte AC senoidal, cuja tensão eficaz é !$ 50\sqrt{2} !$ V.
O valor médio da tensão medida sobre a carga pode ser calculado em função do ângulo de disparo !$ \alpha !$, pela seguinte expressão: !$ \text{v}_{\text{m}} = \dfrac {\text{V}_{\text{p}} (1 + \text{cos}\alpha)} {2\pi} !$, onde Vp é o valor de pico da fonte.
Sendo a resistência da carga 10!$ \Omega !$ e o ângulo de disparo 60º, qual será o valor médio aproximado da corrente, em A, que passa pela carga?
Provas
Em luminárias com lâmpadas fluorescentes é necessária a utilização de reatores. Nesse caso, necessitam de starter para prover a ignição os reatores
I - convencionais;
II - de partida rápida;
III - eletrônicos.
A afirmativa está correta no que se refere ao(s) reator(es)
Provas

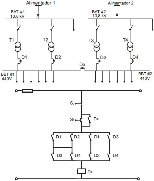
As figuras acima apresentam parte de um diagrama elétrico de uma subestação e o respectivo esquema de comando dos disjuntores de baixa tensão. Assim, é correto afirmar que Dx
Provas
Para manter uma subestação funcionando com segurança deve-se atentar para as suas especificações técnicas, atendendo o que preconiza a norma que regula o seu projeto (NBR 5414). Em uma dada subestação de poste, verificou-se que houve um rompimento do dielétrico no lado de alta do transformador. No caso de a ocorrência desse evento ter sido provocada por uma falha de equipamento, aquele que deve ter falhado é o(a)
Provas
De acordo com a NR-10, que trata de Segurança em instalações e serviços em eletricidade,
Provas
Caderno Container