Foram encontradas 100 questões.
A medida de pH pode ser feita em uma célula composta de um eletrodo indicador de vidro e um eletrodo de referência. O tipo de método que atende a esse objetivo denomina-se
Provas
A cromatografia é um método de separação de espécies químicas muito semelhantes. São tipos de cromatografia líquida, EXCETO a de
Provas

A figura acima apresenta parte de um fluxograma de engenharia. Dentre os itens apontados e numerados na figura, os que estabelecem uma correspondência correta são
Provas

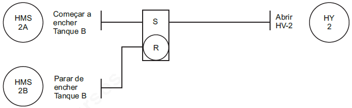
A figura acima corresponde a um(a)
Provas

Utilizando a matriz de causa e efeito apresentada acima, as medidas que serão adotadas, caso ocorra alarme de pressão muito alta no TQ-006, são:
Provas
Quanto ao tipo de proteção dos equipamentos de instrumentação e de dispositivos elétricos, analise as simbologias e os termos correspondentes.
I - Ex d - Equipamento de segurança aumentada
II - Ex i - Equipamento de segurança intrínseca
III - Ex e - Equipamento à prova de explosão
IV - Ex n - Equipamento não acendível
V - Ex s - Equipamento especial
Corresponde a uma relação correta entre simbologia e termo APENAS o apresentado em
Provas
A respeito da Norma ANSI-ISA-S5.1 e dos fluxogramas de engenharia, analise as denominações a seguir.
I - FIT – indicador e totalizador de fluxo.
II - PCV – válvula de controle passivo.
III - TRC – controlador registrador de temperatura.
IV - PDIC – controlador indicador de pressão diferencial.
São corretas APENAS as denominações
Provas
Em uma sala de controle, um operador precisou verificar o nível de um tanque. Para isso, utilizou transmissores, tendo o conhecimento de que
Provas
A respeito de válvulas de controle, analise as afirmativas a seguir:
I - As gaxetas utilizam materiais como o teflon e o grafite, entre outros.
II - A válvula globo sede dupla é menos estanque que a sede simples, porém as forças requeridas para seu acionamento são menores.
III - A válvula globo sede dupla, quando totalmente fechada, deve possuir um vazamento de, no máximo, 5,5% da sua máxima capacidade de vazão, segundo a Norma ANSI B16.104.
IV - O deslocamento da haste com as partes móveis nessas válvulas pode ser linear ou rotativo.
São corretas APENAS as afirmativas
Provas

A figura acima apresenta um instrumento montado em uma caixa à prova de explosão que está em uma área com atmosfera explosiva. Considerando que a caixa deve ser construída de forma a suportar uma explosão interna sem que o seu meio externo seja afetado, qual a sua classificação?
Provas
Caderno Container