Foram encontradas 1.925 questões.
Na reação abaixo, 1 mol de cálcio reage com 2 moles de água.
!$ Ca+2 \, H_2O \longrightarrow Ca(OH)_2+H_2 !$
Qual a massa, em gramas, de H2 produzido na reação?
Dados: !$ m_H = 1u, m_O = 16u !$ e !$ m_{Ca} = 40u !$
Provas
Questão presente nas seguintes provas
A reação química abaixo está balanceada e é uma reação de oxirredução. Nela, o ácido iodídrico reage com o ácido sulfúrico dando ácido sulfídrico mais água e iodo.
!$ 8 \, HI+H_2\, SO_4 \longrightarrow H_2S+4\, H_2O+4 \, I_2 !$
Os elementos que sofrem oxidação e redução, respectivamente, são
Provas
Questão presente nas seguintes provas
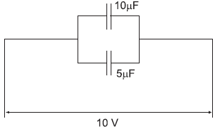
Dois capacitores, cujas capacitâncias são 10 !$ \mu F !$ e 5 !$ \mu F !$ estão ligados em paralelo e submetidos a uma diferença de potencial de 10 V, conforme ilustra a figura.

A capacitância equivalente do sistema, em !$ \mu F !$, e a carga acumulada no capacitor de 10 !$ \mu F !$, em C, valem, respectivamente,
Provas
Questão presente nas seguintes provas
O ácido clorídrico !$ HC\ell !$ é considerado um ácido forte por possuir um grau de ionização alto, de aproximadamente 90%.
Considerando-se que 1.000 moléculas de !$ HC\ell !$ foram colocados em água, sofrendo ionização, qual deve ser o numero de íons H+, nessa solução, após ser atingido o equilíbrio químico?
Provas
Questão presente nas seguintes provas
De acordo com o conceito de Arrhenius, substâncias ácidas, na presença de água,
Provas
Questão presente nas seguintes provas
Uma partícula de carga elétrica igual a 2,0 C desloca-se de um ponto A para um ponto B, sofrendo uma queda de potencial elétrico de 10 V.
Qual a variação na energia potencial elétrica dessa partícula, em joules, durante o deslocamento?
Provas
Questão presente nas seguintes provas
Considere duas pequenas esferas condutoras idênticas, A e B, carregadas eletricamente. A esfera A está carregada com carga positiva Q, e a esfera B, com carga negativa !$ -\large{Q \over 2} !$. As duas são colocadas em contato. Após estabelecer- se o equilíbrio eletrostático, elas são separadas.
Qual a carga final da esfera A?
Provas
Questão presente nas seguintes provas
A radiação eletromagnética é um fenômeno ondulatório no qual um campo elétrico e outro magnético oscilam periodicamente enquanto a onda se propaga num determinado meio. A velocidade de propagação das ondas eletromagnéticas no vácuo, é c !$ \cong 3,0 \times 10^8 \, m/s !$.
Qual das opções abaixo descreve as características físicas de uma onda eletromagnética?
Provas
Questão presente nas seguintes provas
Um ímã é aproximado, com velocidade constante, de um anel metálico, conforme ilustrado na figura abaixo.

Esse ímã atravessa o anel e continua com velocidade inalterada, afastando-se do mesmo.
Qual o sentido da corrente elétrica induzida no anel?
Provas
Questão presente nas seguintes provas
Duas lâmpadas idênticas, serão ligadas a uma mesma fonte de tensão V. Se elas estiverem ligadas em série, cada uma delas dissipará a mesma potência !$ P_1 !$. Se elas estiverem ligadas em paralelo, cada uma delas dissipará a mesma potência !$ P_2 !$.
A potência !$ P_1 !$ é igual a
Provas
Questão presente nas seguintes provas
Cadernos
Caderno Container