Foram encontradas 1.925 questões.
Em sistemas de manutenção, o termo comissionamento é definido
Provas
Questão presente nas seguintes provas
Muitas vezes é necessário medir as temperaturas de elementos rotativos, como as turbinas, por exemplo. Um dos métodos utilizados, nesse caso, é o método do anel deslizante.
O sensor de temperatura presente no circuito de anel deslizante de alta precisão é a(o)
Provas
Questão presente nas seguintes provas
Os bocais medidores e os tubos de Venturi são instrumentos que possibilitam a medida da vazão a partir da diferença de uma determinada propriedade entre a seção do fluxo corrente antes do instrumento e a seção de estrangulamento.
A propriedade mencionada é a(o)
Provas
Questão presente nas seguintes provas
A unidade de pressão no Sistema Internacional é o pascal (Pa).
Sabe-se que 1 Pa corresponde a
Provas
Questão presente nas seguintes provas
Um posicionador é um dispositivo utilizado junto de uma válvula para, entre outras funções,
Provas
Questão presente nas seguintes provas
A válvula hidráulica, um dos principais componentes de um sistema de controle, pode ser de deslocamento linear ou rotativo.
Um exemplo de deslocamento rotativo ocorre na válvula
Provas
Questão presente nas seguintes provas
Um elemento final de controle é um dispositivo que
Provas
Questão presente nas seguintes provas
Ao se pretender especificar um instrumento ou componente durante o projeto de um sistema, recomenda-se analisar o(a)
Provas
Questão presente nas seguintes provas

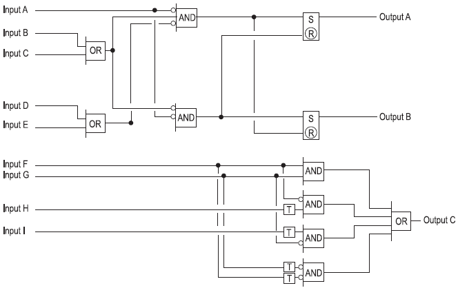
O esquema da figura acima, empregado na documentação de projetos de instrumentação, é denominado Diagrama
Provas
Questão presente nas seguintes provas
Considere as informações abaixo para responder a questão.

A matriz de causa e efeito mostrada na figura acima é empregada na documentação de projetos de instrumentação.
Pela análise da matriz de causa e efeito, pode-se afirmar que, caso seja acionada a causa “Input 4”, ou então, simultaneamente, as causas “Input 6” e “Input 7”, será ativado
Provas
Questão presente nas seguintes provas
Cadernos
Caderno Container