Magna Concursos

Foram encontradas 70 questões.

Um autoteste nos sistemas operacionais é realizado, executando as seguintes rotinas quando um microcomputador é ligado: identificação de configuração, inicialização dos circuitos e do vídeo, teste de memória e teclado, carregamento do sistema operacional na DDR e entrega do controle do microprocessador ao sistema operacional.
Esse autoteste é denominado
 

Provas

Questão presente nas seguintes provas
2201770 Ano: 2011
Disciplina: TI - Sistemas Operacionais
Banca: CESGRANRIO
Orgão: Petrobrás
Computadores possuem diversos recursos que só podem ser usados por um processo a cada vez. Considere um conjunto de processos no qual cada um está esperando por um evento que somente outro processo, pertencente ao conjunto, poderá fazer acontecer. Nesse contexto, pelo fato de todos os processos estarem esperando, nenhum deles poderá fazer acontecer qualquer um dos eventos que podem vir a acordar um dos demais membros do conjunto. Assim sendo, todos os processos do conjunto vão ficar eternamente bloqueados. Essa situação descrita é denominada
 

Provas

Questão presente nas seguintes provas
2201769 Ano: 2011
Disciplina: Engenharia Elétrica
Banca: CESGRANRIO
Orgão: Petrobrás
Um motor trifásico 220 V, 1.800 rpm, demanda da rede uma corrente de 30 A, opera com fator de potência igual a 0,92 e possui um rendimento de 90%. Nessas condições de operação, o torque desenvolvido pelo motor, em Nm, é, aproximadamente,
 

Provas

Questão presente nas seguintes provas
2201768 Ano: 2011
Disciplina: Engenharia Elétrica
Banca: CESGRANRIO
Orgão: Petrobrás
Um motor elétrico monofásico, de tensão nominal igual a 100 V, possui potência mecânica de 2 HP (1 HP = 746 W), rendimento de 0,70 e fator de potência de 0,86 indutivo. Os valores aproximados da potência ativa de entrada, em W, e da corrente elétrica demandada por esse motor, em A, são, respectivamente,
 

Provas

Questão presente nas seguintes provas
2201767 Ano: 2011
Disciplina: Física
Banca: CESGRANRIO
Orgão: Petrobrás
Enunciado 3103428-1
O gráfico da figura acima representa a transformação de100 mols de um gás ideal. A temperatura do gás no estado A, em Kelvin, é igual a
Dados: constante dos gases R = 8,31 J/mol.K.
 

Provas

Questão presente nas seguintes provas
2201766 Ano: 2011
Disciplina: Física
Banca: CESGRANRIO
Orgão: Petrobrás
Um gás ideal, colocado no interior de um êmbulo, é comprimido até o seu volume ficar igual a um quarto do volume inicial. Considere P o valor da pressão atmosférica no local. Sabendo-se que todas as unidades estão no Sistema Internacional, o trabalho realizado sobre o gás, em joules, e em função de P, é
 

Provas

Questão presente nas seguintes provas
2201765 Ano: 2011
Disciplina: Física
Banca: CESGRANRIO
Orgão: Petrobrás
No estudo de mecânica dos fluidos, líquidos e gases são modelados e classificados a partir de características básicas. Dentre essas, tem-se que
 

Provas

Questão presente nas seguintes provas
2201764 Ano: 2011
Disciplina: Física
Banca: CESGRANRIO
Orgão: Petrobrás
Na figura abaixo, são apresentados dois recipientes em forma de paralelepípedos, com paredes rígidas, cheios de água, que diferem nas medidas de algumas de suas arestas (múltiplos de x, y e z).
Enunciado 3103425-1
Sobre a pressão exercida pelo líquido no fundo dos recipientes, com base nas dimensões dadas, considere as afirmações abaixo.
A pressão é idêntica nos dois recipientes.
PORQUE
A pressão depende da dimensão da superfície sobre a qual o líquido repousa.
A esse respeito, conclui-se que
 

Provas

Questão presente nas seguintes provas
2201763 Ano: 2011
Disciplina: Segurança e Saúde no Trabalho (SST)
Banca: CESGRANRIO
Orgão: Petrobrás

A NR-1 define, entre outras normatizações, as obrigações de empregados, empregadores e de instituições públicas de fiscalização. Segundo a citada Norma, cabe aos empregados

 

Provas

Questão presente nas seguintes provas
2201762 Ano: 2011
Disciplina: Engenharia Elétrica
Banca: CESGRANRIO
Orgão: Petrobrás
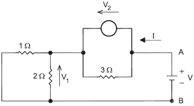
Enunciado 3103423-1
No circuito apresentado na figura acima, a fonte V2 é uma fonte de tensão controlada por tensão, cujo valor é 2V1 e onde V1 é a diferença de potencial aplicada ao resistor de 2 !$ ω !$. Para esse circuito, o valor da corrente I, em função da tensão V, é
 

Provas

Questão presente nas seguintes provas