Foram encontradas 70 questões.

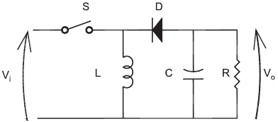
A figura acima apresenta um conversor buck boost, que opera com modulação por largura de pulso, onde o duty cycle D = 0,6. Para uma entrada DC Vi = 15 V e considerando o funcionamento do circuito em regime permanente, o valor médio da tensão de saída Vo, em volts, é
Provas
Questão presente nas seguintes provas

No circuito da figura acima, o resistor dissipará a potência máxima quando a frequência !$ ω !$ do sinal da fonte de corrente senoidal, em rad/s, for
Provas
Questão presente nas seguintes provas

No circuito da figura acima, os valores de R e da tensão nominal do diodo zener, VZ, são desconhecidos. Para determiná-los, utilizaram-se duas baterias diferentes, verificando-se as potências dissipadas pelos resistores. Os valores obtidos estão na tabela abaixo.
| Bateria | !$ P_R !$ | !$ P_{RL} !$ |
| 10 V | 12 mW | 8 mW |
| 18 V | 48 mW | 18 mW |
Com base nos dados acima apresentados, os valores de R e VZ são, respectivamente,
Provas
Questão presente nas seguintes provas

O circuito da figura acima mostra os dados de polarização de um transistor NPN. Para que a corrente CC de coletor seja de 2 mA e seja garantida uma excursão, no sinal de coletor, de 2 V (pico a pico), alcançando-se o limiar de transição para a região de saturação do transistor, os valores de RB e RC são, em k!$ Ω !$, respectivamente,
Provas
Questão presente nas seguintes provas

A figura acima mostra um circuito amplificador que fornece uma saída vo, baseada na diferença entre duas entradas (v1 – v2). O valor da resistência do potenciômetro RP, em função de R, para que se tenha Vo = 3 (V1 – V2), é
Provas
Questão presente nas seguintes provas

Desconsiderando-se os inversores, a menor soma de produtos que implementa o mapa acima possui
Provas
Questão presente nas seguintes provas

Deseja-se projetar um circuito, usando-se apenas um somador de 4 bits tipo 7483, que converta um número D4D3D2D1D0, em representação BCD de 5 bits (0 a 19), para um número B4B3B2B1B0, em representação binária de 5 bits. Para isso, basta zerar Ci e tomar as saídas do somador, desde que as entradas A3A2A1A0 e B3B2B1B0 sejam, respectivamente,
Provas
Questão presente nas seguintes provas

Deseja-se comparar o número P3P2P1P0 (com sinal – representado de –8 a +7) com o número Q3Q2Q1Q0 (sem sinal – representado de 0 a 15), usando-se um comparador sem sinal tipo 7485. Para isso, basta zerar A > Bi e A < Bi, ativar A = Bi e tomar as saídas do comparador, desde que as entradas A3A2A1A0 e B3B2B1B0 sejam, respectivamente,
Provas
Questão presente nas seguintes provas

Considere um contador binário de 4 bits, cujas tabelas de operação e de ligações estão mostradas acima. O contador dispõe de sinais LOAD (carregamento paralelo sincronizado pelo clock), CLR (clear síncrono) e EN (habilitador de contagem a cada clock), todos ativados em nível alto, além do sinal UP, que define a direção de contagem. Sabendo-se que a habilitação de LOAD tem prioridade sobre a habilitação de contagem, o número de estados da sequência permanente implementada é
Provas
Questão presente nas seguintes provas
A respeito dos dispositivos e instrumentos utilizados na instrumentação industrial, aplicados aos processos de medição, considere as afirmativas abaixo.
I - O sistema supervisório é um sistema que recebe informações de diversos instrumentos, com possibilidade de monitorar, controlar, manter e operar uma planta industrial, incorporando funções de controle supervisório.
II - Transmissor é um instrumento que recebe um sinal em um padrão industrial de grandeza física e o converte em um sinal de outra grandeza, proporcionalmente.
III - Histerese é a diferença máxima apresentada por um instrumento, para um mesmo valor, em qualquer ponto da faixa de trabalho, quando a variável percorre toda a escala no sentido ascendente e descendente.
Está correto, de acordo com a terminologia técnica, APENAS o que se afirma em
Provas
Questão presente nas seguintes provas
Cadernos
Caderno Container