Foram encontradas 2.327 questões.
Uma operação de fresamento frontal será realizada em uma peça de aço inoxidável ABNT 304, em um centro de usinagem vertical. Para efetuá-la, será utilizada uma fresa frontal, com pastilhas intercambiáveis de metal duro, com 100 mm de diâmetro e 5 dentes. A velocidade de corte e o avanço por dente indicados para a operação são, respectivamente, 314 m/min e 0,1 mm/dente. A peça, com 70 mm de comprimento por 50 mm de largura, após a operação terá sua espessura reduzida para 30 mm. A velocidade de avanço, em mm/min, que deverá ser programada no equipamento para efetuar essa operação será, aproximadamente, de
Provas
Questão presente nas seguintes provas
Avalie as situações a seguir.
I - Um metalúrgico operador da fresadora verifica o desgaste da ferramenta com um instrumento a cada setup da máquina.
II - Um motorista de táxi mantém um cronograma rigoroso para a troca de óleo, do filtro de óleo e do filtro de pólen de seu veículo.
III - Durante a operação de usinagem com aço rápido, a ferramenta sofre ruptura e é rapidamente trocada por outra.
IV - O técnico do trem do Corcovado, após o dia de trabalho, verifica os cabos e lubrifica as partes móveis do carro.
As situações apresentadas são exemplos, respectivamente de manutenção
| I | II | III | IV |
Provas
Questão presente nas seguintes provas
Uma troca de óleo programada, a troca de um fusível queimado, o controle semanal do desgaste dos pneus e a avaliação da voltagem de um quadro de baterias automotivas utilizando um multímetro caracterizam, respectivamente, os processos de manutenção
Provas
Questão presente nas seguintes provas
A análise de vibrações é um processo pelo qual as falhas em componentes mecânicos rotativos de um equipamento são descobertas pela taxa de variação das forças dinâmicas geradas. A medição dessas vibrações é realizada por transdutores denominados
Provas
Questão presente nas seguintes provas
Os equipamentos constituídos de componentes mecânicos em movimento de rotação são caracterizados pela denominada assinatura espectral. Com base nessa assinatura, é possível identificar uma grande quantidade de falhas de operação. Uma das possibilidades de representação dessa assinatura relaciona as variáveis
Provas
Questão presente nas seguintes provas
O fator de segurança é um fator de redução da resistência de um material utilizado no projeto de componentes mecânicos para garantir sua integridade durante a operação. Esse fator permite a determinação da tensão admissível a ser utilizada nos projetos estruturais. Assim, considerando a natureza dos diversos materiais disponíveis, a tensão admissível é determinada pela relação entre uma tensão de referência e o fator de segurança. Essa tensão de referência, no caso de materiais frágeis, é a tensão
Provas
Questão presente nas seguintes provas
As graxas são empregadas onde os óleos não são eficazes, uma vez que tendem a escorrer, por mais viscosos que sejam. São usadas também quando se deseja formar um selo protetor, evitando-se a entrada de contaminantes. Nesse contexto, associe os tipos de graxa à esquerda com suas respectivas características apresentadas à direita.
| I - Graxas de cálcio |
P - Possuem alta estabilidade térmica e ótima durabilidade e utilizam o polímero da
ureia como espessante.
|
| II - Graxas de sódio |
Q - Têm como principal vantagem a resistência à água e não podem ser usadas acima de 80 ºC, sob pena de haver separação do sabão e óleo; são muito empregadas em pistolas para lubrificação de mancais de bucha, operando a temperaturas normais e cargas médias.
|
| III - Graxas de lítio |
R - Têm como principal vantagem a boa resistência ao calor, embora não resistam à
água; são resistentes à ferrugem.
|
|
S - Possuem boa resistência ao calor e à água e apresentam, ainda, boas características
de bombeamento; não apresentam resistência à ferrugem, a não ser quando aditivadas.
|
A associação correta é
Provas
Questão presente nas seguintes provas
Com relação aos óleos lubrificantes, associe cada número da primeira coluna com sua respectiva característica, apresentada na segunda coluna.
| I - Número de precipitação |
P - Indica o tempo, em segundos, que a amostra do óleo leva para separar-se da
água condensada proveniente de uma injeção de vapor.
|
| II - Número de neutralização |
Q - É um índice da quantidade de gordura ou de óleo graxo presente em um óleo
mineral composto.
|
| III - Número de saponificação | R - Permite uma avaliação do grau de acidez ou alcalinidade do óleo. |
| S - Indica o volume de matérias estranhas existentes no óleo. |
A associação correta é
Provas
Questão presente nas seguintes provas

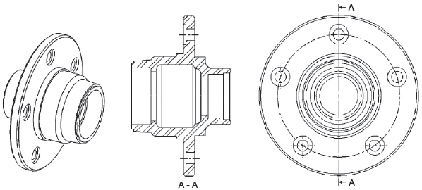
As figuras acima ilustram um cubo de roda de um automóvel, que possui cinco furos iguais para os parafusos prisioneiros. Sobre a vista em corte, afirma-se que está
Provas
Questão presente nas seguintes provas

Seja o suporte produzido a partir de uma chapa de aço, dobrada em três partes, conforme a figura acima. Sabe-se que o ângulo formado entre as partes A e B é de 90º, e que o ângulo formado entre as partes B e C é de 120º. Qual a quantidade mínima de vistas e quais as vistas necessárias para representar o suporte no primeiro diedro?
Provas
Questão presente nas seguintes provas
Cadernos
Caderno Container