Foram encontradas 2.327 questões.
2201709
Ano: 2011
Disciplina: Segurança e Saúde no Trabalho (SST)
Banca: CESGRANRIO
Orgão: Petrobrás
Disciplina: Segurança e Saúde no Trabalho (SST)
Banca: CESGRANRIO
Orgão: Petrobrás
A Norma Reguladora nº 10 (NR-10) trata de segurança em instalações e serviços em eletricidade, estabelecendo requisitos e condições mínimas a serem seguidas para assegurar a saúde e a segurança dos trabalhadores.
A citada Norma estabelece que
Provas
Questão presente nas seguintes provas
A Norma NBR 5410 trata de Instalações Elétricas de Baixa Tensão, estabelecendo a normatização, a especificação e os padrões técnicos desse tipo de instalação. Em relação a sua abrangência e especificações, essa Norma
Provas
Questão presente nas seguintes provas
Na fase de elaboração do projeto de uma instalação elétrica industrial, quando esta for atender a motores de potência elevada, o projetista deve atentar para a possibilidade de uma destas máquinas degradar as condições normais de operação das instalações elétricas. Em relação à partida de motores elétricos de indução, conclui-se que
Provas
Questão presente nas seguintes provas

Observe, acima, o gráfico relativo às curvas ideais das correntes de sobrecarga e curto-circuito de determinado circuito e às curvas de proteção, correspondentes a um fusível e a um disjuntor.
Com base no gráfico e nas Normas Técnicas da ABNT em vigor, considere as afirmações a seguir.
O disjuntor fornece proteção adequada ao circuito.
PORQUE
O fusível não atende à necessidade de proteção em relação ao curto-circuito.
Analisando as afirmações acima sobre os dados do gráfico, conclui-se que
Provas
Questão presente nas seguintes provas
Sobre os relés comumente utilizados em instalações elétricas, considere as afirmativas abaixo.
I - O relé térmico protege o equipamento contra danos térmicos de origem externa (não elétrica).
II - O relé estático é aquele que possui operação lógica produzida eletronicamente.
III - O relé eletromecânico é aquele que protege o equipamento contra perturbações mecânicas.
Está correto APENAS o que se afirma em
Provas
Questão presente nas seguintes provas
A operação de proteção convencional permite, sempre que possível, o retorno ao estado operacional satisfatório, sem ajuda de um recurso externo. No entanto, para faltas mais severas, a atuação de Esquemas de Proteção de Sistemas (EPS) é necessária. Diante de uma forte perturbação da tensão, o EPS deve atuar
Provas
Questão presente nas seguintes provas
Em todas as empresas devem ser adotadas medidas de controle, integradas às demais iniciativas, visando a prover segurança, saúde e preservação do ambiente de trabalho.
Caracteriza-se como uma medida de controle a(o)
Provas
Questão presente nas seguintes provas
Um motor elétrico solicita da fonte uma potência aparente de 10 kVA, com fator de potência de 0,73. Sabendo-se que o rendimento desse motor é de 0,9, a sua potência útil, em kW, é
Provas
Questão presente nas seguintes provas

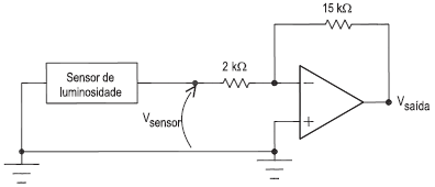
A figura acima apresenta um sensor de luminosidade, cuja tensão de saída está ligada à entrada de um amplificador operacional considerado ideal. A expressão que relaciona a luminosidade do ambiente, em lux, com a tensão de saída do sensor, em volts, é dada pela expressão a seguir.
luminosidade(vsensor) = 500vsensor
Para uma leitura de luminosidade de 40 lux, o valor da tensão vsaída, em volts, é
Provas
Questão presente nas seguintes provas
De acordo com a NBR 14039, que trata de instalações elétricas de média tensão de 1,00 kV a 36,2 kV, as instalações elétricas devem ser projetadas e construídas para suportar os efeitos das correntes de curto-circuito. Dos tipos de curto existentes, aquele que NÃO é exigido pela Norma em questão é o
Provas
Questão presente nas seguintes provas
Cadernos
Caderno Container