Foram encontradas 650 questões.
2421753
Ano: 2012
Disciplina: Engenharia de Telecomunicações
Banca: CESGRANRIO
Orgão: Petrobrás
Disciplina: Engenharia de Telecomunicações
Banca: CESGRANRIO
Orgão: Petrobrás
Provas:
Dentre os padrões de interfaces a seguir listados, o único que NÃO é serial é
Provas
Questão presente nas seguintes provas

Dado o multiplexador acima, onde os índices 0 são os menos significativos, a lógica da saída Y é
Provas
Questão presente nas seguintes provas

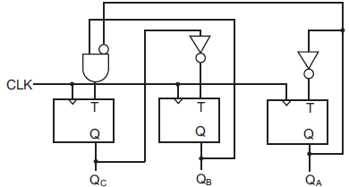
Considere o circuito digital mostrado na figura acima. O estado seguinte ao estado QCQBQA=011 será
Provas
Questão presente nas seguintes provas
Um contador 74160 (BCD), usando os sinais adequados para isso, é ligado em cascata com um contador 74161 (binário).
O número total de estados da sequência permanente, resultante desse cascateamento, é
Provas
Questão presente nas seguintes provas

O circuito combinacional, mostrado na figura acima, é um codificador DECIMAL – BINÁRIO, que apresenta as características a seguir.
• A tensão +VC é suficiente para aplicar o nível lógico 1 nas entradas das portas, quando a chave correspondente encontra-se aberta.
• A palavra binária é gerada na sequência ABCD, onde A é o bit mais significativo.
• Apenas uma das 10 chaves deve ser acionada por vez, e esse acionamento gera um código binário que corresponde ao número decimal da chave.
• A chave 0 impõe que todas as outras chaves estejam abertas para gerar o código 0000.
Que tipo de porta lógica é usado nessa implementação e quais são as chaves que serão conectadas à porta do bit A?
Provas
Questão presente nas seguintes provas
Um circuito combinacional com entradas ABC, onde A é o bit mais significativo, tem como saída a variável S, cuja expressão em mintermos é dada por:
!$ S=ar{A}ar{B}ar{C}+ar{A}ar{B}C+ar{A}BC+Aar{B}C+ABC !$
A expressão mínima para a variável S é
Provas
Questão presente nas seguintes provas

Considere um circuito combinacional de duas entradas e uma saída, cujo diagrama temporal representa bem a sua lógica digital.
Com base nos gráficos acima, esse circuito corresponde à porta
Provas
Questão presente nas seguintes provas
Em processamento de sinais, qual o tipo de filtro que atenua as frequências acima da frequência de corte?
Provas
Questão presente nas seguintes provas
2421745
Ano: 2012
Disciplina: Engenharia de Telecomunicações
Banca: CESGRANRIO
Orgão: Petrobrás
Disciplina: Engenharia de Telecomunicações
Banca: CESGRANRIO
Orgão: Petrobrás
Provas:
A respeito de técnicas de comutação, considere as afirmativas a seguir.
I - Na comutação de circuitos, um circuito exclusivo é alocado para a comunicação, podendo somente ser desfeito no caso de outro sinal prioritário.
II - Na comutação de circuitos, o circuito dedicado pode ser composto, dentre outros, por canais de frequência e por canais de tempo.
III - Na comutação de pacotes, é necessário o estabelecimento de um circuito dedicado para transporte de tráfego como o UDP.
Está correto o que se afirma em
Provas
Questão presente nas seguintes provas
2421744
Ano: 2012
Disciplina: Engenharia de Telecomunicações
Banca: CESGRANRIO
Orgão: Petrobrás
Disciplina: Engenharia de Telecomunicações
Banca: CESGRANRIO
Orgão: Petrobrás
Provas:
O código de Huffman é utilizado para
Provas
Questão presente nas seguintes provas
Cadernos
Caderno Container