Foram encontradas 70 questões.
A figura apresenta uma tabela (relação) com dados sobre disciplinas oferecidas por uma universidade.
| CÓDIGO | NOME | CRÉDITOS | HORAS |
| MAT1651 | CÁLCULO I | 6 | 90 |
| MAT1652 | CÁLCULO II | 6 | 90 |
| MAT1653 | CÁLCULO III | 5 | 90 |
| MAT1654 | CÁLCULO IV | 4 | 60 |
| FIS1230 | MECÂNICA NEWTONIANA | 6 | 75 |
| FIS1231 | ELETROMAGNETISMO | 4 | 60 |
| FIS1232 | ÓTICA | 4 | 60 |
| QUI4002 | LAB QUÍMICA I | 2 | 30 |
| QUI4003 | QUÍMICA GERAL I | 4 | 60 |
| QUI5002 | LAB QUÍMICA II | 2 | 30 |
| QUI5003 | QUÍMICA GERAL II | 4 | 60 |
Após a aplicação de uma operação relacional sobre a tabela, a seguinte relação foi produzida:
| CÓDIGO | CRÉDITOS |
| MAT1651 | 6 |
| MAT1652 | 6 |
| MAT1653 | 5 |
| MAT1654 | 4 |
| FIS1230 | 6 |
| FIS1231 | 4 |
| FIS1232 | 4 |
| QUI4002 | 2 |
| QUI4003 | 4 |
| QUI5002 | 2 |
| QUI5003 | 4 |
Que operação é essa?
Provas
Questão presente nas seguintes provas
O esforço computacional despendido pelo algoritmo de ordenação da bolha varia de forma quadrática com o tamanho do problema. Isso ocorre porque são utilizados dois comandos de repetição aninhados. Para melhorar o seu desempenho médio, a repetição externa é encerrada quando nenhuma modificação no vetor for realizada após uma execução completa da repetição interna (i=0..n).
Seja o vetor abaixo, que se deseja ordenar de forma ascendente, seguindo a versão do algoritmo da bolha descrita acima.
| 40 | 20 | 10 | 80 | 30 | 60 | 100 | 50 | 70 | 90 |
Caso um contador, previamente inicializado com o valor zero, seja inserido no início do comando de repetição externo, qual será o seu valor imediatamente após o encerramento desse comando de repetição?
Provas
Questão presente nas seguintes provas
Um programador recebeu a tarefa de elaborar um algoritmo para criar uma única lista encadeada, não necessariamente ordenada, a partir de duas listas encadeadas ordenadas já existentes. Cada uma das listas originais possui ponteiros para o primeiro e para o último elementos.
Qual é a complexidade do algoritmo mais eficiente que esse programador pode produzir?
Provas
Questão presente nas seguintes provas
Considere as informações a seguir para responder à questão.

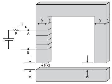
A figura mostra um sistema magnético cuja parte inferior pode deslocar-se para fornecer um entreferro de comprimento variável. Considere que a energia elétrica de entrada do sistema magnético nos terminais A e B é igual à soma da energia mecânica de saída com a energia magnética armazenada no campo magnético do entreferro, desconsiderando qualquer perda elétrica, magnética e mecânica. Desconsidere ainda a energia armazenada dentro do material magnético. Admita o campo magnético uniforme dentro do entreferro e nulo fora deste. As dimensões do material magnético são a largura y e a profundidade z, em metros, iguais para todo o material.
A força magnética produzida pela fonte de corrente contínua age no sentido de reduzir o entreferro do sistema magnético.
Caso a fonte de corrente contínua fosse substituída por uma fonte de corrente alternada, a força magnética produzida
Provas
Questão presente nas seguintes provas
Considere as informações a seguir para responder à questão.

A figura mostra um sistema magnético cuja parte inferior pode deslocar-se para fornecer um entreferro de comprimento variável. Considere que a energia elétrica de entrada do sistema magnético nos terminais A e B é igual à soma da energia mecânica de saída com a energia magnética armazenada no campo magnético do entreferro, desconsiderando qualquer perda elétrica, magnética e mecânica. Desconsidere ainda a energia armazenada dentro do material magnético. Admita o campo magnético uniforme dentro do entreferro e nulo fora deste. As dimensões do material magnético são a largura y e a profundidade z, em metros, iguais para todo o material.
Sendo μ0 a permeabilidade do espaço livre em [H/m], N o número de espiras da bobina, i a corrente elétrica em [A] e x a distância de entreferro em [m], qual a expressão que determina a força produzida pelo sistema magnético em função da distância x, nessas condições?
Sendo μ0 a permeabilidade do espaço livre em [H/m], N o número de espiras da bobina, i a corrente elétrica em [A] e x a distância de entreferro em [m], qual a expressão que determina a força produzida pelo sistema magnético em função da distância x, nessas condições?
Provas
Questão presente nas seguintes provas
Sobre Saúde e Segurança no Trabalho, considere as afirmações a seguir.
I – Em trabalhos com solda elétrica, deve-se utilizar protetor facial para a proteção dos olhos e da face contra radiações ultravioleta e infravermelha.
II – São consideradas agentes físicos as diversas formas de energia a que possam estar expostos os trabalhadores, tais como ruído, calor e frio.
III – As atividades e operações perigosas asseguram aos trabalhadores a percepção de adicional, incidente sobre o salário-mínimo, equivalente a 10, 20 e 40 %.
É correto o que se afirma em
Provas
Questão presente nas seguintes provas

Duas pequenas janelas de observação são instaladas em um reservatório de água cilíndrico, conforme mostrado na figura.
Sendo g a aceleração da gravidade local, a diferença entre as pressões atuantes nas janelas 2 e 1 (p2 – p1) é
Provas
Questão presente nas seguintes provas
Uma bomba de deslocamento positivo alimenta uma linha de óleo com vazão de 0,04 m3/s. A linha alimenta as câmaras de avanço de dois atuadores lineares, cujas áreas de êmbolo são iguais e valem 0,005 m2.
Sendo a velocidade de avanço de um dos atuadores igual a 5 m/s, a do segundo atuador, em m/s, será de
Provas
Questão presente nas seguintes provas
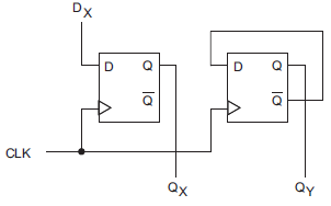
Deseja-se construir um contador digital binário de dois bits com um sinal de controle Z, onde a contagem é crescente quando Z = 1 e decrescente quando Z = 0, conforme ilustrado no diagrama de estados.

Para implementar esse contador, foram empregados dois flip-flops tipo D, conforme mostrado na figura abaixo, onde QX representa o bit mais significativo, e QY, o menos significativo.

Assim, o circuito combinacional a ser empregado para produzir o sinal de comando DX deve realizar a seguinte função lógica:
Provas
Questão presente nas seguintes provas
Deseja-se obter um circuito lógico combinacional que realiza a função lógica descrita pelo mapa de Karnaugh.
| WX\YZ | 00 | 01 | 11 | 10 |
| 00 | 0 | X | 0 | 0 |
| 01 | 0 | 0 | 1 | X |
| 11 | X | 0 | X | 1 |
| 10 | 1 | X | 0 | 1 |
Entretanto, dispõe-se apenas de circuitos integrados 74HC00 (NAND).
Dessa forma, o circuito que realiza a função lógica descrita no mapa é
Provas
Questão presente nas seguintes provas
Cadernos
Caderno Container