Foram encontradas 70 questões.
Na figura, é apresentado o circuito de uma porta lógica digital CMOS complementar, onde a rede abaixadora (pull-down) está faltando.

O circuito correto para a rede abaixadora dessa porta lógica é
Provas
Questão presente nas seguintes provas
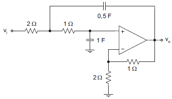
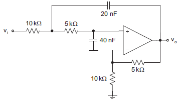
A figura apresenta um filtro de Sallen-Key, com os valores dos componentes normalizados, cuja resposta em frequência possui uma banda passante que vai até 1,0 rad/s.

Em seguida, é apresentada uma versão escalada desse filtro.

Qual é, em rad/s, o limite da banda passante do filtro escalado?
Provas
Questão presente nas seguintes provas
No circuito da figura, o amplificador operacional é polarizado de modo que os limites máximo e mínimo de excursão de sinal na saída vo sejam + 10 V e – 10 V, respectivamente. Além disso, um sinal senoidal de amplitude igual a 10 V e frequência de 1 kHz é aplicado à entrada vi, conforme mostrado na figura.

Desprezando os atrasos devidos à resposta em frequência do amplificador operacional, o instante de tempo td, em milissegundos, apresentado no gráfico da tensão na saída vo, vale
Provas
Questão presente nas seguintes provas
No circuito da figura, considere que os diodos apresentam uma queda de tensão VD = 0,7 V quando estão conduzindo corrente e que não apresentam corrente de fuga quando estão em corte.

Assim, quando a chave S1 for fechada, a tensão na saída VX, em volts, será
Provas
Questão presente nas seguintes provas
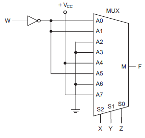
O circuito lógico combinacional apresentado na figura abaixo emprega um multiplexador de três bits, onde a palavra binária de seleção tem S2 como sendo o bit mais significativo.

A função lógica booleana relacionando a saída F com as entradas X, Y, Z e W no circuito da figura é
Provas
Questão presente nas seguintes provas
Um conjunto cilindro-pistão contém 4 kg de água. Inicialmente, a água está a certa temperatura T1, sendo a energia interna, nesse estado, dada por u1 = 80 kJ/kg. Em seguida, o pistão é travado, e o calor é transferido à água até T2, onde o estado de vapor saturado é atingido, e u2 = 2.460 kJ/kg.
O calor transferido no processo, em kJ, vale
Provas
Questão presente nas seguintes provas
O título de uma substância composta por uma parcela na fase líquida e outra na fase vapor, na temperatura de saturação, corresponde à razão entre a
Provas
Questão presente nas seguintes provas

A figura mostra um circuito composto por uma fonte de corrente contínua, um indutor e um resistor ideais, além de uma chave seletora. A chave comuta instantaneamente seus contatos em t = 0 s, e a fonte de corrente contínua tem valor de 1 A. Considere que, antes desse instante, não havia corrente no indutor nem no resistor.
Qual função expressa a tensão e(t), em volts, nos terminais do resistor e do indutor para t ≥ 0 s?
Provas
Questão presente nas seguintes provas

A figura mostra um circuito em corrente alternada trifásico composto por uma fonte de alimentação trifásica equilibrada com conexão estrela e uma carga desequilibrada, também com conexão estrela. Considere os módulos dos fasores !$ \dot {V}_{AN} !$ e !$ \dot {V}_{BN} !$ e !$ \dot {V}_{CN} !$ iguais a 127 V e os ângulos igualmente espaçados de 120º, com sequência de fase ABC. Não há conexão entre o neutro da fonte de alimentação e o neutro da carga.
A esse respeito, considere as afirmativas a seguir.
I - O módulo da tensão entre o neutro da fonte de alimentação e o neutro da carga é igual a zero !$ (| \dot {V}_{NN}, |=0V). !$
II - O módulo do somatório das correntes iA, iB e iC é igual a zero (|iA + iB + iC| = 0A).
III - O módulo da componente de sequência negativa das correntes iA, iB e iC é igual a zero.
Está correto APENAS o que se afirma em
Provas
Questão presente nas seguintes provas

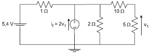
A figura apresenta um circuito em corrente contínua composto por uma fonte de tensão de 5,4 V, quatro resistências com valores de 1 Ω, 2 Ω, 5 Ω e 10 Ω, além de uma fonte de corrente, cujo valor depende da tensão nos terminais da resistência de 5 Ω (if = 2v1).
Qual o valor da corrente, em ampères, fornecida pela fonte de corrente?
Provas
Questão presente nas seguintes provas
Cadernos
Caderno Container