Foram encontradas 2.689 questões.
A concessionária de energia cobrou de um consumidor o valor de R$ 100,00 relativo ao consumo de energia reativa de uma instalação cujo fator de potência apresenta o valor de 0,85. Esta instalação fica energizada 10 horas consecutivas por dia, durante 5 dias na semana em mês de 4 semanas. A tarifa de consumo da energia ativa é de 0,80 R$/kWh e a de consumo da energia reativa vale 25% do valor da energia ativa.
Dados:
| Ângulo (em graus) | Coseno | Tangente |
| 30,92 | 0,85 | 0,6 |
| 31,9 | 0,83 | 0,62 |
| 32,9 | 0,84 | 0,64 |
A potência elétrica ativa instantânea instalada em kW varia entre
Provas
Questão presente nas seguintes provas

O transformador acima apresenta secundário com relação 380/220V. A impedância Z instalada em seu secundário apresenta valor igual a 1.000 !$ \Omega !$, e esse valor corresponde à resistência RB. A resistência de aterramento do equipamento, RA, é de 20 !$ \Omega !$.
Caso ocorra uma falta fase-massa no equipamento que está sendo alimentado pelo transformador, a tensão UB, em volts, apresenta valor entre
Provas
Questão presente nas seguintes provas

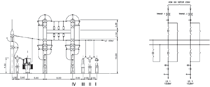
No corte mostrado acima, representativo de uma subestação, através de seu diagrama unifilar, os equipamentos representados pelos algarismos I, II, III e IV correspondem, respectivamente, a
Provas
Questão presente nas seguintes provas

No desenho de corte da subestação mostrado acima, complementado em parte pelo diagrama unifilar, o componente identificado pela seta tem como função:
Provas
Questão presente nas seguintes provas
Em uma indústria siderúrgica utilizam-se grandes motores de corrente contínua no processo de laminação, e alguns cuidados devem ser tomados quando da partida desses motores. Se a velocidade do motor varia inversamente com a variação do fluxo, as operações a serem executadas, a fim de dar a partida em um motor derivação, ocorrem na seguinte ordem:
Provas
Questão presente nas seguintes provas
| Queda de tensão em V/A.km | 16,9 | 10,6 | 7,07 | 4,23 | 2,68 |
| Seção nominal em mm² | 2,5 | 4 | 6 | 10 | 16 |
Considere a tabela apresentada acima para dimensionamento de condutores pelo critério do limite de queda de tensão. A tabela já está de acordo com o tipo de isolação do condutor, o modo de instalação, o material do eletroduto, o tipo de circuito e com o fator de potência do circuito. Suponha que o limite da queda de tensão admitida seja de 4% para o trecho da instalação, o comprimento do circuito seja de 40 metros, a corrente de projeto do circuito seja de 20 ampères, e a tensão de alimentação seja de 220 volts.
Qual a menor seção nominal do condutor, em mm², que deve ser adotada para o seu dimensionamento, de acordo com o critério do limite de queda de tensão?
Provas
Questão presente nas seguintes provas
Seja uma linha de transmissão simétrica representada por parâmetros concentrados, segundo o modelo Pi.
O quadripolo do modelo é dado por:
!$ \begin{bmatrix} V_s \\ I_s \end{bmatrix} = \begin{bmatrix} 0,8&& j8\Omega \\ j4,5.10^{-2}S && 0,8 \end{bmatrix} \begin{bmatrix} V_r \\ I_r \end{bmatrix} !$, onde
Vs e Vr são as tensões nos terminais emissor e receptor, respectivamente, assim como Is e Ir são as correntes nos terminais emissor e receptor, respectivamente.
Possuindo a linha de transmissão um comprimento de 500 km, quais são a impedância z e a admitância y, de sequência positiva por unidade de comprimento?
Provas
Questão presente nas seguintes provas
Em uma subestação industrial, a corrente que circula no secundário de um transformador de corrente, TC 300 – 5 A, é igual a 4 A, para uma carga especifica. Este TC apresenta um erro de relação de transformação devido a vários fatores, da ordem de 105%.
Consequentemente, o valor da corrente, em ampères, que circula no enrolamento primário desse TC é igual a
Provas
Questão presente nas seguintes provas
Em uma instalação industrial, ocorreu um dano em um motor assíncrono, queimando por completo o enrolamento. É necessário efetuar o rebobinamento do mesmo de acordo com as características originais. Para isso, estão disponíveis alguns dados do fabricante: 3 fases, 1800 rpm, 60 Hz, e são enumeradas 36 ranhuras.
Sendo assim, o número de polos (P), o número de ranhuras por polo e por fase (RF), e o passo normal da bobina (PB) são iguais a
Provas
Questão presente nas seguintes provas
Considere as afirmativas a seguir referentes a um circuito monofásico que alimenta uma carga e no qual P representa a potência ativa, em W, Q representa a potência reativa, em VAR, e N representa a potência aparente, em VA.
I - A potência aparente (complexa) é dada por !$ \mathrm{N=\,{P\,+\,jQ\over\,2}} !$, onde j é a unidade imaginária, igual a !$ \sqrt{-1} !$.
II - Se Q é muito menor que P, então o fator de potência é muito próximo de zero.
III - Se P e Q apresentarem valores numericamente iguais, então o fator de potência é dado por cos(45º).
IV - Se Q for igual a zero, então o fator de potência é unitário.
É correto APENAS o que se afirma em
Provas
Questão presente nas seguintes provas
Cadernos
Caderno Container