Foram encontradas 2.689 questões.
Considere as informações a seguir para responder à questão.

A figura acima apresenta um circuito auxiliar para comando de três motores elétricos em uma montadora automotiva. Os motores, nomeados M1, M2 e M3, são acionados em partida direta através das contatoras K1, K2 e K3, respectivamente. O circuito auxiliar utiliza, além das contatoras já descritas, dois relés auxiliares (KA1 e KA2), dois relés de tempo (KT1 e KT2) e três botões de impulso (B0, B1 e B2). O ajuste dos temporizadores dos relés de tempo KT1 e KT2 é de 1 segundo para ambos os relés.
Considere o circuito inicialmente em repouso. O acionamento do botão de impulso B2 energiza o relé auxiliar KA2.
Nessa situação, o(a)
Provas
Questão presente nas seguintes provas

Um retificador trifásico, por questões técnicas, foi dimensionado para trabalhar com dois diodos iguais em paralelo por fase, como representado no esquema acima. Uma equipe técnica verificou que, devido a um erro na montagem, os diodos D2, D4 e D6 deixaram de ser instalados. No momento da energização, tal fato causou uma pane definitiva no retificador trifásico.
Com base nesse histórico, analise as afirmativas a seguir.
I - Com a falta dos três diodos D2, D4 e D6 a tensão de pico inverso dobrou, sobrecarregando os diodos D1, D3 e D5 que não suportaram essa tensão e foram danifi cados defi nitivamente.
II - Com o objetivo de dividir a corrente por fase, o projeto especifi cou dois diodos iguais em paralelo para cada fase e, como de cada par projetado só foi instalado um deles, sua corrente dobrou, e o sistema entrou em pane definitiva.
III - A causa mais provável da pane deve ter sido um curto trifásico no primário do transformador, pois, como tem-se dois diodos em paralelo, um deles pode substituir o outro na situação de qualquer problema, inclusive curto pleno na carga.
É correto APENAS o que se afirma em
Provas
Questão presente nas seguintes provas
Considere as informações a seguir para responder à questão.

A figura acima apresenta um circuito auxiliar para comando de três motores elétricos em uma montadora automotiva. Os motores, nomeados M1, M2 e M3, são acionados em partida direta através das contatoras K1, K2 e K3, respectivamente. O circuito auxiliar utiliza, além das contatoras já descritas, dois relés auxiliares (KA1 e KA2), dois relés de tempo (KT1 e KT2) e três botões de impulso (B0, B1 e B2). O ajuste dos temporizadores dos relés de tempo KT1 e KT2 é de 1 segundo para ambos os relés.
Considere o circuito inicialmente em repouso.
Considere o circuito inicialmente em repouso.
Para o acionamento apenas do botão de impulso B1 no instante de tempo t = 0 s, qual a ordem de energização dos motores M1, M2 e M3, durante os períodos 0s < t <1s, 1s < t < 2s e t > 2s?
| 0s < t <1s | 1s < t < 2s | t > 2s |
Provas
Questão presente nas seguintes provas
Ao se utilizar o amperímetro para medir correntes contínuas, caso o valor da medida possa ultrapassar a capacidade do instrumento, deve-se fazer uso de resistências auxiliares com o objetivo de ampliar tal capacidade.
Dispõe-se de um amperímetro (escala de 0 a 10) com resistência interna igual a 36 ohms, com o qual se devem medir correntes da ordem de 100 A.
O valor da resistência (em ohms) a ser ligada ao instrumento, nesse caso, é
Provas
Questão presente nas seguintes provas

A figura acima ilustra a proteção diferencial de um barramento de 13,8 kV. Os TCs estão com as polaridades indicadas, e o relé R é um relé de sobrecorrente monofásico (F.87BN). O nó elétrico P está situado entre o disjuntor geral, e os disjuntores dos alimentadores, conforme indicado na figura. O nó elétrico Q está à jusante dos TCs do disjuntor de um dos alimentadores, conforme indicado na figura.
A esse respeito, considere as afirmativas abaixo.
I - Um curto-circuito fase-terra no nó elétrico P faz atuar a proteção através do acionamento do relé R.
II - Um curto-circuito fase-fase no nó elétrico P faz atuar a proteção através do acionamento do relé R.
III - Um curto-circuito fase-terra no nó elétrico Q faz atuar a proteção através do acionamento do relé R.
IV - Um curto-circuito fase-fase no nó elétrico Q faz atuar a proteção através do acionamento do relé R.
Está correto o que se afirma em
Provas
Questão presente nas seguintes provas
Em um laboratório de medidas elétricas, torna-se necessário efetuar medidas de resistências de pequeno valor, da ordem de 0,0001 ohm. Para se obterem resultados os mais próximos possíveis da realidade, o instrumento a ser utilizado denomina-se
Provas
Questão presente nas seguintes provas
A NBR 5410:2004 estabelece as prescrições de aterramento e a equipotencialização por razões funcionais. Entendem-se razões funcionais com o sentido de garantir o bom funcionamento dos circuitos de sinal e a compatibilidade eletromagnética.
A esse respeito, considere as afirmativas abaixo.
I - Um mesmo condutor não pode ser utilizado simultaneamente para fi ns de condutor de proteção e condutor de aterramento funcional.
II - O aterramento funcional deve ser sempre separado do barramento de equipotencialização principal da edificação.
III - Condutores de aterramento de dispositivos de proteção contra sobretensão podem ser ligados ao barramento de equipotencialização funcional.
Está correto APENAS o que se afirma em
Provas
Questão presente nas seguintes provas
Em uma instalação predial, deseja-se saber qual das fases, R ou S, está com defeito de isolação para terra. Para isso, dispõe-se de duas lâmpadas iguais, com tensão igual à das fases, ligadas conforme o circuito abaixo.

Se o defeito de isolação está na fase R, então
Provas
Questão presente nas seguintes provas
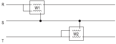
Para se medir a potência ativa trifásica em um circuito a três fios, podem-se utilizar dois wattímetros (método de Aron), conforme figura abaixo.

O wattímetro W1 indica 50 W, e o wattímetro W2 indica 150 W.
Para essa configuração, a potência reativa total em VAR do circuito é
Dado: !$ \sqrt{3}=1,73 !$
Provas
Questão presente nas seguintes provas
Existem diversos equipamentos para automação e gerenciamento de energia elétrica, cuja utilização depende de um bom sistema informatizado. Tudo isso, tendo vista, entre outros objetivos, manter a regularidade no fornecimento de energia elétrica. Um desses equipamentos, denominado nobreak, associado a geração de energia elétrica para circuitos preferenciais, visa a suprir a continuidade da energia elétrica no caso da falha no abastecimento da concessionária de energia. Todo esse aparato é supervisionado e controlado por sistemas inteligentes e demanda um alto valor em dinheiro para sua execução.
Dentre as cargas prioritárias que, por questões de segurança e continuidade do processo produtivo, devem fazer uso desses equipamentos estão:
Provas
Questão presente nas seguintes provas
Cadernos
Caderno Container