Foram encontradas 2.689 questões.
Um fluido, de viscosidade cinemática de 21 mm2/s, desloca-se por uma tubulação de 35 mm de diâmetro.
Para que tal fluido escoe em regime turbulento, sua velocidade deve ser de
Provas
Questão presente nas seguintes provas
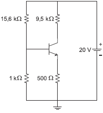
Considere o circuito esquematizado na figura.

Qual é, em mA, a corrente de saturação no coletor do transistor?
Provas
Questão presente nas seguintes provas
Para utilizar as técnicas de projeto PERT/CPM, foi montada a tabela abaixo, que apresenta a lista de atividades, atividades precedentes e duração das atividades de um projeto.
| Atividade | Precedência | Duração estimada (semanas) |
| A |
![]() |
2 |
| B | A | 4 |
| C | B | 6 |
| D | B | 3 |
| E | B | 8 |
| F | E,C,D | 6 |
Qual o caminho crítico da rede desse projeto?
Provas
Questão presente nas seguintes provas
A variação do calor específico do H2SO4 com a temperatura, na base molar, expressa em cal.mol−1.ºC−1, é representada pela equação
Cp = 33,25 + 0,033.T onde T está em ºC.
Modificando a equação de modo que forneça o Cp na unidade cal.mol−1.K−1, obtém-se
Provas
Questão presente nas seguintes provas
As linhas pneumáticas são de grande importância para as indústrias e, na elaboração do projeto de tais linhas, deve-se dar atenção especial a diversos fatores.
Considere as afirmações a seguir sobre o projeto de linhas pneumáticas.
I - As linhas principal, secundária e de alimentação podem ser confeccionadas em tubo de aço galvanizado ou preto (ASTM A 120 SCHEDULE 40).
II - A tubulação secundária deve possuir uma determinada inclinação no sentido do fl uxo, para facilitar o recolhimento condensado.
III - A posição de instalação da unidade de conservação pneumática ou o dreno deve ser instalada após um registro, para permitir sua manutenção sem provocar a parada de toda a linha.
IV - Os purgadores devem ser instalados ao final das linhas verticais de alimentação.
Está correto o que se afirma em
Provas
Questão presente nas seguintes provas

Ao analisar o desenho de uma central de tratamento e armazenamento de ar comprimido, um técnico se deparou com a simbologia ilustrada, que corresponde a um(a)
Provas
Questão presente nas seguintes provas

A figura acima pode ser desenhada no AutoCAD, utilizando- se coordenadas polares relativas, através da seguinte sequência de comandos:
Provas
Questão presente nas seguintes provas

Um sólido, cuja curva de secagem é apresentada acima, contém uma umidade livre inicial de
X1 = 0,40 (kg H2O)/(kg sólido seco) e deverá ser seco até
X2= 0,18 (kg H2O)/(kg sólido seco).
Qual o tempo estimado, em horas, necessário para esse processo de secagem?
Provas
Questão presente nas seguintes provas
Em diversas operações unitárias na indústria, são utilizadas torres de pratos e de recheio, cada uma com características próprias.
No processo de absorção, indica-se o uso de
Provas
Questão presente nas seguintes provas

A figura apresenta um diagrama para extração de uma mistura de etileno glicol e água por furfural. A corrente de alimentação é de 1.520 kg/h, e é adicionado contracorrente o solvente.
Quantos quilogramas de solvente são necessários e suficientes para conseguir efetuar essa extração?
Provas
Questão presente nas seguintes provas
Cadernos
Caderno Container
