Foram encontradas 2.689 questões.
Ao verificar as propriedades de protocolo TCP/IP de um computador conectado a uma rede local, obtiveram-se as seguintes informações:
|
Endereço IP................. 192.158.45.74
Máscara de sub-rede....... 255.255.255.224
Gateway padrão.............. 192.158.45.67
|
Considerando-se as informações desse host, conclui-se que, na sub-rede à qual ele pertence, é possível
Provas
Questão presente nas seguintes provas
Durante a execução do serviço de reestruturação de uma rede de computadores, o administrador dessa rede foi obrigado a alterar o endereço IP do Gateway padrão (Default Gateway).
Assim, para que não seja obrigado a alterar manualmente as configurações de protocolo TCP/IP de cada um dos computadores da rede, o administrador deverá fazer uso do serviço de
Provas
Questão presente nas seguintes provas
Considere as afirmações abaixo sobre as especificações das normas ASTM para tubulações de ar comprimido, temperaturas elevadas e baixas temperaturas.
I - Tubos de até 4” e fabricados de aço-carbono podem ser utilizados, segundo a norma ASTM A120, para tubulações de baixa pressão.
II - Tubos de aço-carbono, com margem de corrosão de 1,2 mm, podem ser fabricados, segundo a norma ASTM A53, para tubulações de alta pressão.
III - Tubos de aço-carbono acalmado, segundo a norma ASTM A106, podem ser utilizados em temperaturas mínimas de trabalho com limite de − 20 ºC.
IV - Tubos de aço-carbono acalmado, de grão fino, segundo a norma ASTM A333, podem ser utilizados em temperaturas mínimas de trabalho com limite de 0 ºC.
São corretas as afirmações feitas em
Provas
Questão presente nas seguintes provas

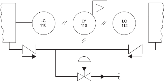
O sistema ilustrado na figura corresponde a uma válvula de
Provas
Questão presente nas seguintes provas
Três tipos de linhas são identificados por um técnico ao ler o desenho de instrumentação de um processo.
I − 

II − 

III − 

P − mecânica
Q − dados ou software
R − pneumático binário
S − elétrico
Q − dados ou software
R − pneumático binário
S − elétrico
Associe os tipos de linhas a seus significados, segundo a norma ISA 5.1., apresentados acima.
Provas
Questão presente nas seguintes provas

A figura acima corresponde a um elemento
Provas
Questão presente nas seguintes provas
As plantas de tubulação são desenhos feitos em escala e devem conter diversas representações. A esse respeito, considere as afirmações abaixo.
I - As plantas de tubulação devem conter todas as construções existentes na área representada, quaisquer que sejam a natureza ou a finalidade.
II - As plantas de tubulação devem conter os principais suportes de tubulação, contendo a numeração, indicação do tipo e cotas de posição e elevação.
III - As plantas de tubulação devem conter todos os vasos, equipamentos e máquinas ligadas à rede de tubulações.
IV - As plantas de tubulação devem conter plataformas, passarelas e escadas de acesso, contendo a posição e elevação cotadas, sendo conveniente indicar o sentido sobe/desce de escadas e rampas.
É correto o que se afirma em
Provas
Questão presente nas seguintes provas

A ilustração corresponde ao desenho isométrico de um(a)
Provas
Questão presente nas seguintes provas

Analisando o desenho de uma instalação, um técnico de instrumentação deparou com a representação acima, que corresponde a um flange de medição
Provas
Questão presente nas seguintes provas

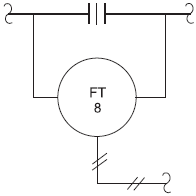
O elemento primário de medição de vazão ilustrado na figura é do tipo
Provas
Questão presente nas seguintes provas
Cadernos
Caderno Container