Foram encontradas 70 questões.
A Figura abaixo representa um circuito operando no estado permanente de corrente contínua, em que, num determinado instante t = 0, a chave S se fecha.


(imediatamente após o fechamento da chave) são iguais, respectivamente, em volts e volts/segundo, a Provas
Questão presente nas seguintes provas
A Figura abaixo representa um circuito.

Para que a resistência equivalente entre os pontos A e B seja igual a 1 ohm, o valor da constante k é
Provas
Questão presente nas seguintes provas
Uma corrente elétrica de valor 400 A percorre um longo condutor sólido horizontal (Y) fixo. Acima desse e em paralelo, deseja-se colocar outro condutor sólido delgado (X) que pesa 0,025 N/m e que será percorrido por uma corrente de 5 A.
Para sustentar o condutor (X) acima do condutor (Y), apenas pela repulsão magnética, a distância (d) entre eles, em milímetros, deverá ser de
Dados
• π = 3,14.
• constante de permeabilidade igual a 12,56 × 10-7 Wb/A.m
• constante de permissividade igual a 8,85 × 10-12 F/m.
Para sustentar o condutor (X) acima do condutor (Y), apenas pela repulsão magnética, a distância (d) entre eles, em milímetros, deverá ser de
Dados
• π = 3,14.
• constante de permeabilidade igual a 12,56 × 10-7 Wb/A.m
• constante de permissividade igual a 8,85 × 10-12 F/m.
Provas
Questão presente nas seguintes provas
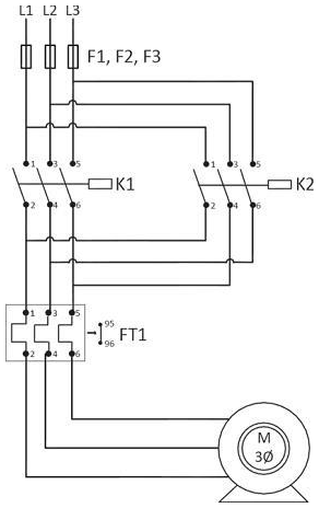
A Figura abaixo mostra um circuito trifásico composto por três fusíveis, duas contatoras, um relé térmico e um motor de indução trifásico.

O acionamento do motor pode ser feito pela contatora K1 ou pela contatora K2, o que permite a operação do motor com
Provas
Questão presente nas seguintes provas
As Figuras abaixo correspondem à designação de ligações e diagrama fasorial para um transformador trifásico.

Após analisar as Figuras, verifica-se que o deslocamento angular para esse equipamento, em graus, é de
Provas
Questão presente nas seguintes provas
A Figura abaixo mostra o esquema de proteção diferencial de um transformador monofásico.

A relação de transformação do transformador de corrente conectado ao primário é RTCp = 200:5. Em condições normais de operação, a corrente I R do relé é nula. 
De acordo com as informações apresentadas, e supondo todos os transformadores ideais, a relação de transformação do transformador de corrente (RTCs), conectado ao secundário do transformador, é
Provas
Questão presente nas seguintes provas
A energia total Et , que todo esse sinal v(t) dissipará sobre um resistor de 1 ohm, é dada pela expressão
Considerando-se as informações acima e os dados do gráfico, a expressão de Et , em J, é
Considerando-se as informações acima e os dados do gráfico, a expressão de Et , em J, é
Provas
Questão presente nas seguintes provas
Um motor shunt de potência 5 CV, 100 V, submetido a uma prova em laboratório, gira com rotação de 900 rpm, quando absorve uma corrente elétrica de 60 A a plena carga, sendo a resistência do induzido de valor 0,05 ohm.
Se o fluxo por polos for repentinamente reduzido em 20%, nessa condição, a corrente no induzido, em ampères, será de
Se o fluxo por polos for repentinamente reduzido em 20%, nessa condição, a corrente no induzido, em ampères, será de
Provas
Questão presente nas seguintes provas
A impedância longitudinal e a admitância transversal, ambas por unidade de comprimento, de uma linha de transmissão ideal são, respectivamente, j0,9 Ω/km e j6 × 10-6 S/km. O comprimento da linha é de 1.000/πkm, e a frequência da tensão de operação é de 60 Hz. A compensação reativa em derivação é feita através de dois indutores, cada um conectado a uma extremidade da linha.
Considerando-se o circuito π-nominal, para que a linha seja 100% compensada em derivação, o valor aproximado da indutância de cada indutor, em H, é
Considerando-se o circuito π-nominal, para que a linha seja 100% compensada em derivação, o valor aproximado da indutância de cada indutor, em H, é
Provas
Questão presente nas seguintes provas
Para um sistema elétrico trifásico operando com carga desequilibrada, as correntes nas três fases sequência ( a – b – c ) são iguais a 20 ∠0º,10∠- 60º,10∠- 300º respectivamente.
Sendo assim, a componente da corrente de sequência positiva na fase a é
Dados
sen 60° = 0,86
cos 60° = 0,50
sen 120° = 0,86
cos 120° = - 0,5
sen 240° = - 0,86
cos 240° = - 0,5
Sendo assim, a componente da corrente de sequência positiva na fase a é
Dados
sen 60° = 0,86
cos 60° = 0,50
sen 120° = 0,86
cos 120° = - 0,5
sen 240° = - 0,86
cos 240° = - 0,5
Provas
Questão presente nas seguintes provas
Cadernos
Caderno Container