Foram encontradas 1.190 questões.
A viscosidade de um fluido é a propriedade que determina o valor de sua resistência ao cisalhamento.
Nesse contexto, a viscosidade
Provas
Questão presente nas seguintes provas
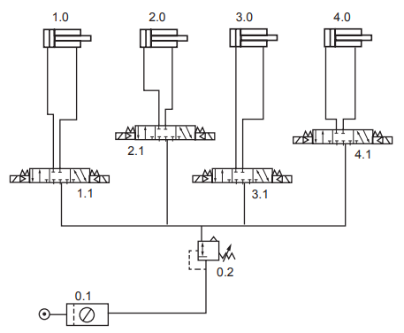
A Figura abaixo apresenta o circuito pneumático de um simulador vertical de movimentos.
O item indicado pela numeração 1.1 representa
O item indicado pela numeração 1.1 representaProvas
Questão presente nas seguintes provas
A NBR 8403:1984 fixa os tipos e o escalonamento de larguras de linhas para uso em desenhos técnicos e documentos semelhantes.
Segundo essa Norma, o tipo de linha representado por traço e ponto estreito, larga nas extremidades e na mudança de direção, conforme apresentado na Figura acima, indica:
Segundo essa Norma, o tipo de linha representado por traço e ponto estreito, larga nas extremidades e na mudança de direção, conforme apresentado na Figura acima, indica:
Provas
Questão presente nas seguintes provas
Um técnico em instrumentação precisa selecionar alguns
instrumentos levando em consideração seus elementos
primários de medição e o tipo do processo. Em relação
ao elemento primário de medição, observe as afirmações
a seguir.
I - Placas de orifício excêntricas e segmentais são usadas quando existe impureza no fluido no qual se quer realizar a medição. II - O tubo de Venturi é altamente recomendado quando se requer um elemento primário tratado na norma ISO 5167 e que promove uma alta perda de carga. III - O termopar tem sua utilização pouco empregada nas indústrias devido à sua baixa confiabilidade e alto custo.
Está correto o que se afirma em
I - Placas de orifício excêntricas e segmentais são usadas quando existe impureza no fluido no qual se quer realizar a medição. II - O tubo de Venturi é altamente recomendado quando se requer um elemento primário tratado na norma ISO 5167 e que promove uma alta perda de carga. III - O termopar tem sua utilização pouco empregada nas indústrias devido à sua baixa confiabilidade e alto custo.
Está correto o que se afirma em
Provas
Questão presente nas seguintes provas
O processo de soldagem TIG NÃO é capaz de soldar o
seguinte material metálico:
Provas
Questão presente nas seguintes provas
- Planejamento Estratégico de Marketing
- Fundamentos Teóricos do Marketing
- Conceitos de Marketing
- Gestão de Vendas
- Estratégias de Marketing
- Valor Agregado
- Interatividade na Comunicação
- Marketing Organizacional
- Imagem Empresarial
- Relações Públicas
- Globalização da Informação
- Administração de Preços
- Negociação Comercial
Assim como as empresas, os mercados também se modificam ao longo dos anos, adaptando-se às transformações econômicas, políticas e sociais.
Uma característica do mercado, atualmente, é a
Uma característica do mercado, atualmente, é a
Provas
Questão presente nas seguintes provas
- Planejamento Estratégico de Marketing
- Planejamento
- Gestão de Vendas
- Gestão de Demanda
- Estratégias de Marketing
- Pesquisa de Mercado
- Valor Agregado
- Administração de Preços
- Negociação Comercial
Existem diversos tipos de custos envolvidos no processo
de determinação de preço.
Custos variáveis são aqueles que
Custos variáveis são aqueles que
Provas
Questão presente nas seguintes provas
- Planejamento Estratégico de Marketing
- Fundamentos Teóricos do Marketing
- Conceitos de Marketing
- Estratégias de Marketing
- Marketing de Relacionamento
- Canais de Comunicação com Clientes
- Composto de Marketing no Planejamento Estratégico
- Promoção Institucional
- Publicidade e Propaganda
- Fidelização
Um dos integrantes do Composto de Marketing de uma
empresa é a Promoção, que se refere a todas as formas
de
Provas
Questão presente nas seguintes provas
- Planejamento Estratégico de Marketing
- Gestão de Vendas
- Estratégias de Marketing
- Marketing de Relacionamento
- Canais de Comunicação com Clientes
- Segmentação de Mercado
- Administração de Preços
- Marketing de Varejo
- Negociação Comercial
Diversas empresas utilizam canais comerciais e de distribuição que são formados por intermediários, como os
varejistas, que têm a função de
Provas
Questão presente nas seguintes provas
- Planejamento Estratégico de Marketing
- Planejamento
- Fundamentos Teóricos do Marketing
- Conceitos de Marketing
- Gestão de Vendas
- Gestão de Demanda
- Estratégias de Marketing
- Pesquisa de Mercado
- Valor Agregado
- Administração de Preços
- Negociação Comercial
O conceito de valor em marketing é um dos principais elementos na formação do preço. Com base nesse conceito, os gestores devem evitar a redução do valor de seus
produtos.
Essa redução se caracteriza pela diminuição dos benefícios fornecidos em comparação com a
Essa redução se caracteriza pela diminuição dos benefícios fornecidos em comparação com a
Provas
Questão presente nas seguintes provas
Cadernos
Caderno Container