Foram encontradas 1.190 questões.
Provas
Considere que um motorista defensivo, dirigindo seu veículo em uma via, veja uma situação de perigo e decida parar totalmente seu veículo, ficando a uma distância segura do veículo a sua frente. Do instante em que o motorista vê o perigo até a parada total do veículo, uma determinada distância foi percorrida.
A essa distância dá-se o nome de
Provas
Em uma rodovia, Sr. X, condutor de um veículo, percebeu que outro veículo, que vinha no sentido contrário, iniciou uma ultrapassagem sem distância suficiente para realizar tal manobra.
Nessa situação, Sr. X deverá
Provas
A suspensão tem a função de assegurar a estabilidade do veículo nas freadas, em curvas e em situações onde o melhor comportamento do veículo é solicitado de forma crítica.
A suspensão é composta por uma série de componentes, EXCETO, de
Provas
Considere a hipótese de que em um dia chuvoso, numa via de trânsito rápido, ocorra um acidente.
A distância, em passos, para iniciar a sinalização deverá ser de
Provas
Provas
Provas
Provas
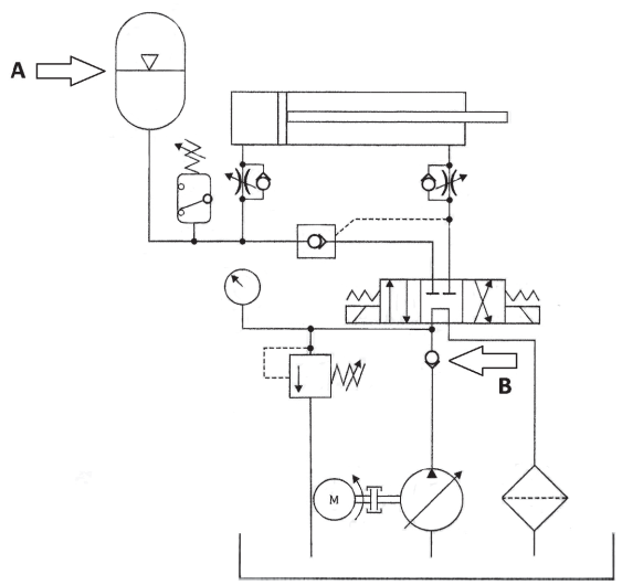
Considere a Figura do circuito hidráulico de uma prensa, representado abaixo, para responder à questão.

FIALHO, A.B., Automação Hidráulica – Projetos, Dimensionamento e Análise de Circuitos, 6ª Ed. São Paulo: Érica, 2011, pág.141. Adaptado.
Provas
Provas
Caderno Container