Magna Concursos

Foram encontradas 2.827 questões.

2697373 Ano: 2004
Disciplina: Engenharia Elétrica
Banca: CESPE / CEBRASPE
Orgão: Petrobrás
Acerca de controle de processos e turbomáquinas, julgue o seguinte item.
Compressores que operam com baixa taxa de vazão devem ter um sistema de controle anti-surge.
 

Provas

Questão presente nas seguintes provas
2697372 Ano: 2004
Disciplina: Engenharia Elétrica
Banca: CESPE / CEBRASPE
Orgão: Petrobrás

Enunciado 3283110-1

Com relação ao acionamento de um motor de indução trifásico com rotor em gaiola mostrado na figura acima, julgue os itens que se seguem.

Esse acionamento permite variar a velocidade de rotação do campo magnético girante do estator e, com isso, a velocidade de rotação do rotor.

 

Provas

Questão presente nas seguintes provas

Julgue os itens a seguir, quanto às faltas simétricas em sistemas elétricos de potência trifásicos.

No ponto de falta, o cálculo de faltas simétricas é realizado com base no circuito equivalente de seqüência positiva da rede elétrica.

 

Provas

Questão presente nas seguintes provas
2697370 Ano: 2004
Disciplina: Engenharia Elétrica
Banca: CESPE / CEBRASPE
Orgão: Petrobrás

Enunciado 3283256-1

A figura acima ilustra o esquema de um circuito elétrico constituído de uma fonte, duas resistências, um capacitor, um indutor e duas chaves (S1 e S2) abertas. Com relação a esse circuito e aos princípios envolvidos, julgue os itens subseqüentes, considerando que inicialmente o capacitor esteja completamente descarregado.

Em um circuito de corrente alternada capacitivo, a corrente aumenta tanto com o aumento da freqüência quanto da capacitância, desde que não haja variação na resistência.

 

Provas

Questão presente nas seguintes provas
2697369 Ano: 2004
Disciplina: Engenharia Elétrica
Banca: CESPE / CEBRASPE
Orgão: Petrobrás
Enunciado 2883598-1
A figura acima mostra os diagramas de força e de controle do acionamento de um motor de indução trifásico de rotor em gaiola. Julgue o item abaixo, relativos ao acionamento e aos diagramas.
Com o motor funcionando em virtude da atuação do contator c1, se o contato normalmente fechado de c1 permanecer fechado, o motor continuará funcionando normalmente, sem que riscos adicionais sejam acrescentados ao acionamento.
 

Provas

Questão presente nas seguintes provas
2697368 Ano: 2004
Disciplina: Engenharia Elétrica
Banca: CESPE / CEBRASPE
Orgão: Petrobrás
Acerca de compressores e de turbinas a gás, julgue o item que se segue.
Considerando o calor específico do ar da ordem de 1,0 kJ (kg × K), as temperaturas de entrada e saída da turbina (100% eficiência isentrópica) de 1.200 ºC e 600 °C, respectivamente, é correto afirmar que o trabalho líquido de uma planta de turbina a gás com fluxo mássico de 100 kg/s é da ordem de 60 MW.
 

Provas

Questão presente nas seguintes provas
2697366 Ano: 2004
Disciplina: Engenharia Elétrica
Banca: CESPE / CEBRASPE
Orgão: Petrobrás
Enunciado 2878052-1
Considerando que no circuito com amplificador operacional, ilustrado na figura acima, todos os componentes são ideais, julgue o item a seguir.
A impedância de entrada do circuito, vista a partir da fonte, é igual 10 kΩ.
 

Provas

Questão presente nas seguintes provas
2697365 Ano: 2004
Disciplina: Engenharia Elétrica
Banca: CESPE / CEBRASPE
Orgão: Petrobrás
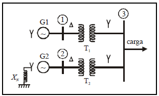
Enunciado 2870288-1
O diagrama unifilar acima representa um sistema no qual dois geradores — G1 e G2, ambos de 10 MVA, 13,8 kV, xd = 20% — alimentam um barramento de 138 kV por meio de dois transformadores isolados (desprovidos de aterramento dos seus neutros). O gerador G1 apresenta neutro isolado, enquanto G2 tem seu neutro aterrado por uma reatância XN. Os dois transformadores são de 10 MVA, relação 13,8 kV/138 kV e têm reatância equivalente de dispersão de 10%. Considere que todos os curtos-circuitos que incidam no sistema sejam francos, ou seja, sem resistência de falta. Suponha também que as impedâncias de seqüência de cada equipamento sejam idênticas.
A partir das informações acima, julgue o item subseqüente.
A intensidade da corrente de falta trifásica nos terminais do gerador G1 é superior a 2,5 kA. Mas, se o neutro dos transformadores fosse aterrado com reatância finita, a nova intensidade da corrente de falta seria superior a 2,5 kA em mais de 50%
 

Provas

Questão presente nas seguintes provas
2697364 Ano: 2004
Disciplina: Engenharia Elétrica
Banca: CESPE / CEBRASPE
Orgão: Petrobrás
Acerca de um transformador trifásico de 75 kVA, 34 kV (delta) / 380 V (estrela aterrada), 60 Hz e impedância por fase igual a 3.700 S, refletida ao lado de alta tensão, julgue o item seguinte.
A impedância por fase refletida ao lado de baixa tensão é igual a !$ 3.700 \times (\dfrac{380}{34.000})^2 !$.
 

Provas

Questão presente nas seguintes provas
2697362 Ano: 2004
Disciplina: Engenharia Elétrica
Banca: CESPE / CEBRASPE
Orgão: Petrobrás
Entre os tipos definidos de aterramento em sistemas de distribuição de energia elétrica, incluem-se aqueles caracterizados por aterramento simples e por aterramentos especiais. Em pontos da rede de distribuição urbana acessíveis para aterramento, o aterramento simples pode ser instalado corretamente nos
transformadores de distribuição.
 

Provas

Questão presente nas seguintes provas