Foram encontradas 150 questões.
As tarifas na estrutura tarifária horo-sazonal são diferenciadas de acordo com o período do ano. Acerca dessa estrutura tarifária, julgue o próximo item.
Nessa estrutura tarifária, apenas duas divisões são levadas em conta: o período seco e o período úmido.
Provas
Em indústrias têxteis e de papel, é necessário manter controlada a velocidade de certos motores em algumas fases do processo. A respeito dessa situação, julgue os itens a seguir.
Para esse tipo de requisito com relação ao controle de velocidade, o uso de motor de indução com rotor bobinado mostra-se adequado, pois é possível controlar a velocidade desse tipo de motor por meio da adequada inserção de resistências no circuito do rotor.
Provas
Um conjunto de máquinas síncronas de uma usina opera em paralelo, gerando energia elétrica, que é transmitida para cargas localizadas remotamente. Para essa finalidade, existe um sistema de transmissão associado. Próximo às cargas, há um adequado sistema de distribuição que permite o suprimento de energia em níveis de tensão reduzidos. Na usina, a tensão terminal de cada gerador é controlada visando atender a um perfil de tensão apropriado no sistema de transmissão. Com base nessas informações, julgue os próximos itens.
Os reguladores de velocidade das máquinas síncronas são amplamente utilizados para regular o fluxo de potência reativa e, por conseqüência, também o fator de potência nos terminais de saída da máquina.
Provas
Acerca de motores de corrente contínua, julgue os seguintes itens.
Suponha que um motor desenvolva uma potência igual a 20 kW no seu eixo, sob tensão nominal igual a 250 V e rendimento de 80%. Nesse caso, para essa condição de carga, a corrente elétrica que supre o motor é superior a 80 A.
Provas
Considere que uma máquina de corrente contínua de 4 pólos tenha enrolamento imbricado na armadura, com 600 condutores ativos, que a armadura seja acionada a uma velocidade igual a 1.800 rpm e que o fluxo por pólo na máquina seja igual a 50 mWb. Em face dessas considerações, julgue os itens a seguir.
Suponha que a armadura suporte corrente elétrica de linha máxima igual a 10
A. Então, o conjugado eletromagnético desenvolvido pela armadura, nessa situação, é superior a 100 N.m.
Provas
Acerca das máquinas de indução, julgue os itens que se seguem.
São exemplos desse tipo de máquina os motores do tipo gaiola de esquilo, os quais têm as barras do rotor curtocircuitadas, e os motores com rotor bobinado, também denominados máquinas com anéis.
Provas

A figura acima mostra um circuito elétrico representativo de uma carga monofásica alimentada por uma fonte senoidal, cuja tensão eficaz é igual a 200 V. Considere que a freqüência do sinal de tensão seja igual a 60 Hz e que !$ j=\sqrt{-1} !$ e !$ \pi !$ = 3,14. A partir dessas informações, julgue o seguinte item.
A tensão eficaz nos terminais do capacitor é menor que a tensão eficaz nos terminais do resistor.
Provas

H. Creder. Instalações elétricas. LTC, 14.ª ed., 2000, p. 248 (com adaptações).
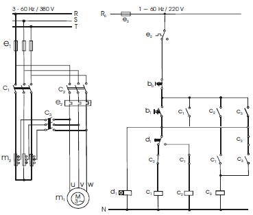
A figura acima mostra os circuitos de força e de comando para o acionamento de um motor de indução trifásico. Para o acionamento, é utilizado um esquema elétrico que consiste na inserção automática de autotransformador indicado por m2, conforme controle efetuado via circuito de controle. A respeito dessas informações e do funcionamento dos elementos dos circuitos, julgue o item subseqüente.
O dispositivo e2 pode interromper a alimentação do motor, caso seja observada sobrecarga no circuito de força.
Provas

A figura acima mostra o diagrama unifilar de um sistema elétrico de potência que opera em regime permanente com tensões em todas as suas barras aproximadamente iguais a 1,0 pu (tensão nominal). As impedâncias dos geradores, da linha de transmissão e dos transformadores têm apenas a parte reativa diferente de zero. As reatâncias de seqüência positiva, negativa e zero de cada transformador são iguais a sua própria reatância xT. Os demais equipamentos têm as suas reatâncias indicadas no diagrama. Considere que os subscritos 0, 1 e 2 no diagrama indicam seqüências zero, positiva e negativa, respectivamente. Para o propósito de análise de faltas, despreze a contribuição das correntes de carga do sistema. Nesse sistema, todos os geradores e transformadores têm potência nominal igual a 100 MVA e a reatância de aterramento XN do gerador G1 é desconhecida.
Tendo como referência a figura e as informações acima e considerando uma base de potência igual a 100 MVA e de tensão igual a 10 kV no gerador G1, julgue o item a seguir.
Supondo-se que a contribuição da magnitude de corrente do gerador G3, devido a alguma falta no sistema, seja, em pu, igual a I, esse valor, em kA, fluindo do referido gerador, corresponderá a !$ \dfrac{2\sqrt{3}}{3}I !$.
Provas
Acerca de condutores elétricos, julgue o próximo item.
Considere que os terminais de um condutor sejam mantidos a uma diferença de potencial V. Nessa situação, existe um campo elétrico no interior do condutor que é responsável por manter o fluxo de corrente.
Provas
Caderno Container