Foram encontradas 150 questões.
Considere que, em um sistema de transmissão de energia elétrica em CA, seja necessário realizar, freqüentemente, o controle do nível de tensão em determinado tronco de interligação e que por esse tronco passe grande bloco de potência para atender um centro com numerosas cargas. Com relação a essa situação, julgue os itens subseqüentes.
Transformadores de potência com comutadores de tap sob carga (LTCs) são apropriados para controlar a tensão no trecho próximo ao local onde estão instalados.
Provas

A figura acima mostra o circuito de um acoplador óptico adequadamente dimensionado para captação de um sinal de tensão. No circuito, existe um diodo emissor de luz (LED) que fica próximo a um fototransistor, sendo ambos encapsulados em um mesmo invólucro. A respeito do funcionamento desse circuito, julgue os itens subseqüentes.
Uma variação de tensão Vi provoca variação na corrente elétrica que circula pelo LED. Esse processo fará que varie a corrente no fototransistor, proporcionando, assim, variação na tensão entre o coletor e o emissor.
Provas

A figura acima mostra o circuito de um acoplador óptico adequadamente dimensionado para captação de um sinal de tensão. No circuito, existe um diodo emissor de luz (LED) que fica próximo a um fototransistor, sendo ambos encapsulados em um mesmo invólucro. A respeito do funcionamento desse circuito, julgue os itens subseqüentes.
Em um acoplador óptico, os terras do circuito de entrada (circuito do lado esquerdo, compreendendo os componentes até o LED) e do circuito de saída (circuito do lado direito, a partir do fototransistor) são necessariamente os mesmos, isto é, os dois circuitos têm o mesmo referencial.
Provas

A figura acima mostra o circuito de um retificador semicontrolado de onda completa em ponte. A fonte apresenta tensão Vs(t) = Vmsen(!$ \omega !$t), em V, e ângulo de disparo dos tiristores igual a !$ \alpha !$. Acerca do funcionamento do circuito acima, julgue o próximo item.
Nesse circuito, a corrente instantânea is(t) fornecida pela fonte assume sempre valores positivos.
Provas
Uma instalação elétrica constituída de duas cargas trifásicas é alimentada por meio de uma rede de energia elétrica trifásica com tensões equilibradas e simétricas. A tensão de linha da rede é igual a 100 V. Uma das cargas absorve 1 kVA, com fator de potência indutivo igual a 0,8. A outra carga é puramente resistiva e absorve 2 kVA. Com base nessas informações, julgue os itens que se seguem.
Eleva o fator de potência da instalação um capacitor trifásico, adequadamente dimensionado para conexão em paralelo com as cargas, com potência igual a 0,5 kVar.
Provas

A figura acima mostra o circuito de um retificador semicontrolado de onda completa em ponte. A fonte apresenta tensão Vs(t) = Vmsen(!$ \omega !$t), em V, e ângulo de disparo dos tiristores igual a !$ \alpha !$. Acerca do funcionamento do circuito acima, julgue o próximo item.
O valor médio da tensão na carga seria igual a !$ \dfrac{V_m}{\sqrt{2}} !$, caso os tiristores fossem substituídos por diodos ideais.
Provas

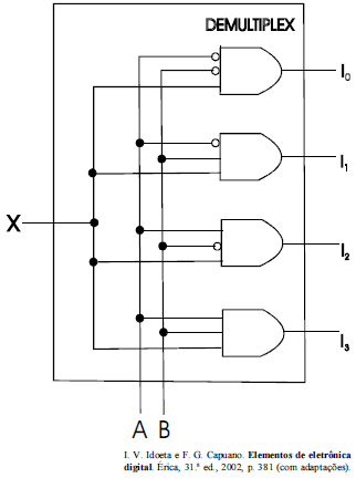
O circuito lógico mostrado na figura acima ilustra a aplicação de um demultiplexador. Nesse circuito, o sinal de entrada, X, aparece em uma e somente uma das quatro portas de saída (I0, I1, I2 e I3), de acordo com o controle efetuado por meio das variáveis lógicas A e B. Considerando essas informações, julgue o próximo item.
Para a situação em que A e B assumem, respectivamente, os níveis lógicos um e zero, o sinal X aparecerá na saída I3.
Provas
Uma instalação elétrica constituída de duas cargas trifásicas é alimentada por meio de uma rede de energia elétrica trifásica com tensões equilibradas e simétricas. A tensão de linha da rede é igual a 100 V. Uma das cargas absorve 1 kVA, com fator de potência indutivo igual a 0,8. A outra carga é puramente resistiva e absorve 2 kVA. Com base nessas informações, julgue os itens que se seguem.
A corrente elétrica que flui da rede para as cargas é inferior a 20 A.
Provas
Um no-break ou fonte ininterruptível de energia elétrica tem como finalidade manter a alimentação dos equipamentos a ele ligados, mesmo no caso de falha no circuito de alimentação principal, que se dá através de conexão CA à rede de uma concessionária de energia elétrica. A respeito desse assunto, julgue o item abaixo.
Caso haja a necessidade do uso de uma bateria no esquema básico de determinado no-break, para que ele cumpra a sua função adequadamente, deve haver sempre um carregador de bateria e um inversor de tensão no esquema.
Provas
O desenvolvimento da tecnologia baseada em eletrônica de potência impulsionou o uso de compensadores estáticos (CEs) na correção de problemas como a flutuação de tensão. Acerca dos compensadores estáticos e de suas aplicações, julgue os itens que se seguem.
Considerando-se o controle de tensão, os CEs podem desempenhar papel semelhante ao de compensadores síncronos (máquinas rotativas) interligados a reatores-série.
Provas
Caderno Container