Foram encontradas 119 questões.
A figura abaixo mostra um esquema representativo de uma máquina de ensaio de tração, um gráfico de tensão versus deformação e um corpo de prova (CP) em aço-carbono utilizado em um ensaio. Esse tipo de ensaio é muito utilizado com o objetivo de se avaliar as propriedades mecânicas do material que será empregado na construção de estruturas, máquinas e equipamentos. Trata-se de uma tarefa de fundamental importância e de grande responsabilidade do mecânico de oficina, sendo que todos os procedimentos normalizados devem ser rigorosamente seguidos e, além disso, devem ser, também, de amplo conhecimento do operador da máquina universal de ensaios de tração.

Considerando os procedimentos normalizados, os resultados (raio inicial do CP = 5 mm e raio final do CP = 2,5 mm), a manipulação do equipamento de ensaio e os procedimentos corretivos, julgue o item seguinte.
Se o resultado aferido para a tensão de ruptura, no ensaio de um corpo de prova de aço-carbono, for de 420 Mpa, esse resultado, em N/mm2 também será igual a 420.
Provas
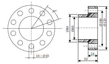
Considere que uma máquina fresadora deve ser utilizada para realizar a operação de furar utilizando uma broca fixada no cabeçote vertical da máquina por meio de um mandril. A peça a ser usinada será fixada em uma mesa divisora com relação de 40/1. Essa peça a ser usinada é um flange, onde se deseja fazer 10 furos eqüidistantes um do outro, conforme mostra a ilustração abaixo.

Acerca desse projeto de usinagem, julgue o item que se segue.
Se a RPM for regulada com a broca de centro, não serão necessárias regulagens adicionais da rotação, após a montagem da broca helicoidal, que é utilizada na furação.
Provas
Considere que uma máquina fresadora deve ser utilizada para realizar a operação de furar utilizando uma broca fixada no cabeçote vertical da máquina por meio de um mandril. A peça a ser usinada será fixada em uma mesa divisora com relação de 40/1. Essa peça a ser usinada é um flange, onde se deseja fazer 10 furos eqüidistantes um do outro, conforme mostra a ilustração abaixo.

Acerca desse projeto de usinagem, julgue o item que se segue.
A divisão angular a ser utilizada pelo mecânico, para se ter o resultado final desejado no projeto, será obtida com 4 voltas completas no manípulo da fresa.
Provas
Buchas especiais de um equipamento de perfuração de poços de petróleo em terra, de aço-carbono, sofreram várias falhas após o início de operação do equipamento, exigindo a paralisação dos trabalhos para a troca e provocando prejuízos financeiros para a empresa e desgaste para a equipe de campo. Visando avaliar o problema, as peças danificadas foram encaminhadas para o laboratório, onde se constatou que as falhas eram devidas ao material empregado na fabricação. Tendo em vista que tais peças foram fabricadas pela própria empresa, não cabendo, pois, a responsabilização de fornecedor, o laboratório indicou que todo o estoque deveria passar por um processo de tratamento superficial, visando fazer um beneficiamento na superfície das mesmas e garantir a proteção e melhora das propriedades mecânicas exigidas para essas buchas. Acerca dos procedimentos indicados para o tratamento superficial na peça, julgue o próximo item.
Se for indicada a realização de uma têmpera nas buchas, ocorrerá, no final do processo, uma diminuição da dureza superficial e um aumento da ductilidade do material.
Provas
O torneamento é um dos processos de fabricação mecânica mais completos, uma vez que permite conseguir a maioria dos perfis cilíndricos e cônicos necessários aos produtos da indústria mecânica e, dessa forma, é indispensável em quaisquer oficinas mecânicas das fábricas e indústrias. Considere que a oficina mecânica de uma refinaria possua uma série de tornos mecânicos modernos que, respeitando-se as variações dos dispositivos ou dimensões, exigidas em cada caso, são compostos das seguintes partes:

Os mecânicos dessa refinaria, que operam os tornos mecânicos, possuem regras rigorosas de segurança, qualidade e operação, visando garantir a proteção individual, longa vida ao equipamento e ótima qualidade do produto final. Acerca da eficiência e da eficácia do processo produtivo para essa oficina mecânica, julgue o seguinte item.
O barramento, mostrado na letra g da figura, faz parte do sistema de deslocamento da ferramenta.
Provas
O torneamento é um dos processos de fabricação mecânica mais completos, uma vez que permite conseguir a maioria dos perfis cilíndricos e cônicos necessários aos produtos da indústria mecânica e, dessa forma, é indispensável em quaisquer oficinas mecânicas das fábricas e indústrias. Considere que a oficina mecânica de uma refinaria possua uma série de tornos mecânicos modernos que, respeitando-se as variações dos dispositivos ou dimensões, exigidas em cada caso, são compostos das seguintes partes:

Os mecânicos dessa refinaria, que operam os tornos mecânicos, possuem regras rigorosas de segurança, qualidade e operação, visando garantir a proteção individual, longa vida ao equipamento e ótima qualidade do produto final. Acerca da eficiência e da eficácia do processo produtivo para essa oficina mecânica, julgue o seguinte item.
O cabeçote móvel deve ser utilizado sempre que se desejar que a ferramenta realize uma operação de escarear.
Provas

Acerca do circuito básico de refrigeração esquematizado na figura acima, julgue os itens seguintes.
O evaporador possibilita a retirada de calor de um determinado corpo externo.
Provas

Com referência ao circuito pneumático ilustrado na figura acima, julgue os seguintes itens.
Acionando-se somente a válvula 1, o ar passará de P para A.
Provas

As correias são elementos largamente empregados nos sistemas de transmissão de máquinas e de sistemas de transportes. É normal os mecânicos industriais se depararem com a necessidade de troca desses elementos, nas manutenções preventivas, como também em eventuais manutenções corretivas. A figura acima mostra um sistema de transmissão por correia convencional, entre duas polias. Para esse sistema, é correto afirmar que
recomenda-se, na regulagem da tensão da correia, parar de esticá-la quando o dedo polegar não conseguir manter a distância X em 10 mm.
Provas
Na indústria, de uma forma geral, os rolamentos são elementos largamente utilizados para suportar cargas dinâmicas e transmitir movimento de rotação, sendo projetados e fabricados dentro de normas rigorosas e do mais alto grau de tecnologia. Os rolamentos são compostos de anéis externo e interno, esferas ou rolos distribuídos eqüidistantemente entre os anéis e mantidos separados por um acessório chamado de gaiola. Vários tipos de rolamentos são disponibilizados para a indústria. Acerca dos tipos e usos dos rolamentos, julgue os itens que se seguem.
Os rolamentos do tipo oscilante são capazes de absorver cargas originadas por desalinhamento do conjunto mecânico.
Provas
Caderno Container