Foram encontradas 120 questões.

Com referência ao modelo entidade-relacionamento (ER) precedente e à SQL (structured query language), julgue o seguinte item.
Para que o modelo ER atenda aos padrões de modelagem de dados, o atributo CAPACIDADE_PRODUTIVA deve ser representado na entidade TIPO e não na entidade PLATAFORMA, conforme apresentado no diagrama.
Provas
Acerca de turbinas a vapor, julgue o item subsecutivo.
A turbina fornece energia a vapor, na forma de trabalho, ao ter suas pás percorridas.
Provas
Um sistema precisa trabalhar com dois tipos de carga: a parte A requer um motor com elevado torque, mas que possua as menores dimensões possíveis e um controle preciso de ajuste de velocidades; a parte B requer um motor que não necessite de circuitos especiais de alimentação e que tenha baixo ruído elétrico.
Considerando essas informações, julgue o item que se segue.
Apesar de exigir uma manutenção maior, a parte A do sistema deve utilizar um motor de corrente contínua.
Provas
Um sistema precisa trabalhar com dois tipos de carga: a parte A requer um motor com elevado torque, mas que possua as menores dimensões possíveis e um controle preciso de ajuste de velocidades; a parte B requer um motor que não necessite de circuitos especiais de alimentação e que tenha baixo ruído elétrico.
Considerando essas informações, julgue o item que se segue.
O motor de corrente contínua não é indicado para uso na parte B do sistema por causa do ruído gerado nas escovas comutadoras.
Provas
Um sistema precisa trabalhar com dois tipos de carga: a parte A requer um motor com elevado torque, mas que possua as menores dimensões possíveis e um controle preciso de ajuste de velocidades; a parte B requer um motor que não necessite de circuitos especiais de alimentação e que tenha baixo ruído elétrico.
Considerando essas informações, julgue o item que se segue.
A parte A do sistema deve utilizar um motor assíncrono, com inversores de frequência.
Provas

Em relação ao filtro no circuito precedente e às demais tecnologias disponíveis para a seleção de frequências, julgue o próximo item.
Retirando-se o capacitor da realimentação e o conectando em série com a resistência R1, o circuito torna-se um filtro passa alta.
Provas

Considerando os circuitos I e II precedentes, julgue o item seguinte, em relação à eletrônica digital.
No circuito II, enquanto os diodos D2 e D3 limitam a tensão de entrada da porta lógica, a resistência de R3 limita a corrente de saída.
Provas
Em relação ao controle linear discreto, julgue o item que se segue.
Se a frequência de amostragem de um sinal for menor que duas vezes a largura de banda do espectro do sinal original ocorrerá aliasing.
Provas

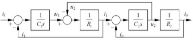
Considerando que o diagrama de blocos e a função de transferência, anteriormente apresentados, representam dois sistemas distintos, julgue o item seguinte.
No diagrama de blocos, a realimentação de u2 pode ser transferida para o primeiro nó, a partir da saída i0, inserindo-se um bloco com a função R2C1s e entrada negativa para o nó de ii.
Provas
Acerca das diversas tecnologias que permitem medir a pressão em determinado ponto de um sistema, julgue o item subsecutivo.
Uma das desvantagens dos sensores piezoelétricos é a sua grande dimensão, que os torna, consequentemente, de peso elevado, devido ao uso de materiais semicondutores.
Provas
Caderno Container