Foram encontradas 120 questões.
Em relação às características de sistemas em malha aberta e em malha fechada, julgue o próximo item.
Nos sistemas de malha fechada, há um menor número de componentes que nos sistemas de malha aberta.
Provas
Disciplina: Engenharia de Telecomunicações
Banca: CESPE / CEBRASPE
Orgão: Petrobrás
A respeito de sistema linear e invariante no tempo, julgue o próximo item.
Amplitude modulada (AM) é uma modulação obtida pela convolução de dois sinais senoidais no tempo.
Provas

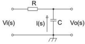
Tendo como referência o circuito precedente, julgue o item subsequente.
O circuito apresentado é linear e causal, porque suas variáveis de saída dependem dos valores futuros das variáveis de entrada.
Provas
Mars is the fourth planet from the Sun — a dusty, cold, desert world with a very thin atmosphere. Mars is also a dynamic planet with seasons, polar ice caps, canyons, extinct volcanoes, and evidence that it was even more active in the past.
No other planet has captured our collective imagination quite like Mars.
In the late 1800s when people first observed the canal-like features on Mars’ surface, many speculated that an intelligent alien species resided there. This led to numerous stories about Martians, some of whom invade Earth, like in the 1938 radio drama, The War of the Worlds. According to an enduring urban legend, many listeners believed the story to be real news coverage of an invasion, causing widespread panic.
Countless stories since have taken place on Mars or explored the possibilities of its Martian inhabitants. Movies like Total Recall (1990 and 2012) take us to a terraformed Mars and a struggling colony running out of air. A Martian colony and Earth have a prickly relationship in The Expanse television series and novels.
Internet: <www.solarsystem.nasa.gov> (adapted).
Judge the followin item, based on the previous text.
The War of the Worlds was a radio drama that told the real story of an invasion from Mars, panicking countless people.
Provas
In a world where many of us are glued to our smartphones, Dulcie Cowling is something of an anomaly — she has ditched hers. The 36-year-old decided at the end of last year that getting rid of her handset would improve her mental health. So, over Christmas she told her family and friends that she was switching to an old Nokia phone that could only make and receive calls and text messages.
She recalls that one of the pivotal moments that led to her decision was a day at the park with her two boys, aged six and three: “I was on my mobile at a playground with the kids and I looked up and every single parent — there was up to 20 — were looking at their phones, just scrolling away,” she says.
“I thought ‘when did this happen?’. Everyone is missing out on real life. I don’t think you get to your death bed and think you should have spent more time on Twitter, or reading articles online.”
Ms Cowling, who is a creative director at London-based advertising agency Hell Yeah!, adds that the idea to abandon her smartphone had built up during the covid-19 lockdowns.
“I thought about how much of my life is spent looking at the phone and what else could I do. Being constantly connected to lots of services creates a lot of distractions, and is a lot for the brain to process.”
She plans to use the time gained from quitting her smartphone to read and sleep more.
About nine out of 10 people in the UK now own a smartphone, a figure broadly replicated across the developed world. And we are glued to them — one recent study found that the average person spends 4.8 hours a day on their handset.
Yet for a small, but growing number of people, enough is enough.
Alex Dunedin binned his smartphone two years ago. “Culturally we have become addicted to these tools,” says the educational researcher and technology expert. “They are blunting cognition and impeding productivity.”
He has become happier and more productive since he stopped using a smartphone, he says.
Mr Dunedin doesn’t even have an old-fashioned mobile phone or even a landline anymore. He is instead only electronically contactable via emails to his home computer.
“It has improved my life,” he says. “My thoughts are freed up from constantly being cognitively connected to a machine that I need to feed with energy and money. I think that the danger of technologies is that they are emptying our lives.”
Yet, while some worry about how much time they spend on their handset, for millions of others they are a godsend.
“More than ever, access to healthcare, education, social services and often to our friends and family is digital, and the smartphone is an essential lifeline for people,” says a spokesperson for UK mobile network Vodafone.
“We also create resources to help people get the most from their tech, as well as to stay safe when they’re online — that’s hugely important.”
Suzanne Bearne.
The people deciding to ditch their smartphones. Internet: <www.bbc.com> (adapted).
Considering the previous text, judge the following item.
It was when Dulcie Cowling was in the park with her two kids that she took her decision to ditch her smartphone and then she told her family and friends about it after Christmas.
Provas
The worn wooden floorboards squeak under Rafael Molina’s heavy steps as he paces the saloon. Outside, the sound of galloping horses breaks the silence of the surrounding desert. All around him, the Old West town’s empty shops and abandoned houses look as if they have just been ransacked by cowboy bandits.
“When I was a kid, I could only dream about all this,” says the 68-year-old former actor and stuntman. “My aspiration was to see a film set firsthand. Today I own one of the most famous ones in the history of Western movies.”
But this busy movie site is located in Spain — not Montana or Texas. It’s one of three faux Old Western towns inthe small village of Tabernas and the surrounding desert of the Almería province. Since the late 1950s, these rugged mountains, arid plains, and dry canyons have provided the backdrops for more than 170 movie Westerns, including The Good, The Bad and The Ugly (1966) and Once Upon a Time in The West (1968).
Molina belongs to a small community of local cowboy actors and stuntmen in Tabernas who have played a role in movies and TV shows since the first productions in the 1950s. They can perform anything from fistfights to horse drags. Knowledge and skills often pass from father to son, keeping tricks of the trade in the family. Steeped in the golden era of Westerns, these actors embody the values of their movie heroes: pride, bravado, freedom, and a trusting relationship with horses.
“I’ve always liked horses and the [U.S.] West,” says 29- year-old Ricardo Cruz Fernández, a stuntman and cowboy who appeared in recent productions including Game of Thrones. Fernández started his career as a cowboy after completing a stuntman course a decade ago.
Between productions, he performs daily shows at Fort Bravo for thousands of tourists who visit the set each year. In one show, Fernández portrays a bank robber who absconds with some gold. Visitors encounter him in the saloon, fist and (fake) gun fighting with actors playing his double-crossing accomplices. The town also offers cancan dance shows and set tours by horsedrawn wagon.
“I prefer to play the bad guy, because it gives me a wider range of possibilities,” says Fernández. “The good guy only has to keep things in order.”
Almería has hosted more than 500 productions, including blockbuster films (Patton, Terminator: Dark Fate) and TV shows (Doctor Who). “Our landscapes are very convenient. We have sea, desert, and snowy mountains all within a short distance,” says local producer Plácido Martínez. “We can serve as Texas, New Mexico, Arizona, California, and endless other natural settings.”
Matteo Fagotto. The Wild West lives on in southern
Spain. In: National Geographic. Internet: <www.nationalgeographic.com> (adapted).
Concerning the previous text and its linguistic aspects, judge the followin item.
Rafael Molina owns one of the most famous film sets in the history of Western movies.
Provas
The worn wooden floorboards squeak under Rafael Molina’s heavy steps as he paces the saloon. Outside, the sound of galloping horses breaks the silence of the surrounding desert. All around him, the Old West town’s empty shops and abandoned houses look as if they have just been ransacked by cowboy bandits.
“When I was a kid, I could only dream about all this,” says the 68-year-old former actor and stuntman. “My aspiration was to see a film set firsthand. Today I own one of the most famous ones in the history of Western movies.”
But this busy movie site is located in Spain — not Montana or Texas. It’s one of three faux Old Western towns inthe small village of Tabernas and the surrounding desert of the Almería province. Since the late 1950s, these rugged mountains, arid plains, and dry canyons have provided the backdrops for more than 170 movie Westerns, including The Good, The Bad and The Ugly (1966) and Once Upon a Time in The West (1968).
Molina belongs to a small community of local cowboy actors and stuntmen in Tabernas who have played a role in movies and TV shows since the first productions in the 1950s. They can perform anything from fistfights to horse drags. Knowledge and skills often pass from father to son, keeping tricks of the trade in the family. Steeped in the golden era of Westerns, these actors embody the values of their movie heroes: pride, bravado, freedom, and a trusting relationship with horses.
“I’ve always liked horses and the [U.S.] West,” says 29- year-old Ricardo Cruz Fernández, a stuntman and cowboy who appeared in recent productions including Game of Thrones. Fernández started his career as a cowboy after completing a stuntman course a decade ago.
Between productions, he performs daily shows at Fort Bravo for thousands of tourists who visit the set each year. In one show, Fernández portrays a bank robber who absconds with some gold. Visitors encounter him in the saloon, fist and (fake) gun fighting with actors playing his double-crossing accomplices. The town also offers cancan dance shows and set tours by horsedrawn wagon.
“I prefer to play the bad guy, because it gives me a wider range of possibilities,” says Fernández. “The good guy only has to keep things in order.”
Almería has hosted more than 500 productions, including blockbuster films (Patton, Terminator: Dark Fate) and TV shows (Doctor Who). “Our landscapes are very convenient. We have sea, desert, and snowy mountains all within a short distance,” says local producer Plácido Martínez. “We can serve as Texas, New Mexico, Arizona, California, and endless other natural settings.”
Matteo Fagotto. The Wild West lives on in southern
Spain. In: National Geographic. Internet: <www.nationalgeographic.com> (adapted).
Concerning the previous text and its linguistic aspects, judge the followin item.
In the sentence “In one show, Fernández portrays a bank robber who absconds with some gold”, the fragment “absconds with” could be correctly replaced with keeps, without changing the meaning of the text.
Provas
The worn wooden floorboards squeak under Rafael Molina’s heavy steps as he paces the saloon. Outside, the sound of galloping horses breaks the silence of the surrounding desert. All around him, the Old West town’s empty shops and abandoned houses look as if they have just been ransacked by cowboy bandits.
“When I was a kid, I could only dream about all this,” says the 68-year-old former actor and stuntman. “My aspiration was to see a film set firsthand. Today I own one of the most famous ones in the history of Western movies.”
But this busy movie site is located in Spain — not Montana or Texas. It’s one of three faux Old Western towns inthe small village of Tabernas and the surrounding desert of the Almería province. Since the late 1950s, these rugged mountains, arid plains, and dry canyons have provided the backdrops for more than 170 movie Westerns, including The Good, The Bad and The Ugly (1966) and Once Upon a Time in The West (1968).
Molina belongs to a small community of local cowboy actors and stuntmen in Tabernas who have played a role in movies and TV shows since the first productions in the 1950s. They can perform anything from fistfights to horse drags. Knowledge and skills often pass from father to son, keeping tricks of the trade in the family. Steeped in the golden era of Westerns, these actors embody the values of their movie heroes: pride, bravado, freedom, and a trusting relationship with horses.
“I’ve always liked horses and the [U.S.] West,” says 29- year-old Ricardo Cruz Fernández, a stuntman and cowboy who appeared in recent productions including Game of Thrones. Fernández started his career as a cowboy after completing a stuntman course a decade ago.
Between productions, he performs daily shows at Fort Bravo for thousands of tourists who visit the set each year. In one show, Fernández portrays a bank robber who absconds with some gold. Visitors encounter him in the saloon, fist and (fake) gun fighting with actors playing his double-crossing accomplices. The town also offers cancan dance shows and set tours by horsedrawn wagon.
“I prefer to play the bad guy, because it gives me a wider range of possibilities,” says Fernández. “The good guy only has to keep things in order.”
Almería has hosted more than 500 productions, including blockbuster films (Patton, Terminator: Dark Fate) and TV shows (Doctor Who). “Our landscapes are very convenient. We have sea, desert, and snowy mountains all within a short distance,” says local producer Plácido Martínez. “We can serve as Texas, New Mexico, Arizona, California, and endless other natural settings.”
Matteo Fagotto. The Wild West lives on in southern
Spain. In: National Geographic. Internet: <www.nationalgeographic.com> (adapted).
Concerning the previous text and its linguistic aspects, judge the followin item.
According to the text, the Almería’s actors have already played in Texas, New Mexico, Arizona, California, and endless other natural settings.
Provas
The worn wooden floorboards squeak under Rafael Molina’s heavy steps as he paces the saloon. Outside, the sound of galloping horses breaks the silence of the surrounding desert. All around him, the Old West town’s empty shops and abandoned houses look as if they have just been ransacked by cowboy bandits.
“When I was a kid, I could only dream about all this,” says the 68-year-old former actor and stuntman. “My aspiration was to see a film set firsthand. Today I own one of the most famous ones in the history of Western movies.”
But this busy movie site is located in Spain — not Montana or Texas. It’s one of three faux Old Western towns inthe small village of Tabernas and the surrounding desert of the Almería province. Since the late 1950s, these rugged mountains, arid plains, and dry canyons have provided the backdrops for more than 170 movie Westerns, including The Good, The Bad and The Ugly (1966) and Once Upon a Time in The West (1968).
Molina belongs to a small community of local cowboy actors and stuntmen in Tabernas who have played a role in movies and TV shows since the first productions in the 1950s. They can perform anything from fistfights to horse drags. Knowledge and skills often pass from father to son, keeping tricks of the trade in the family. Steeped in the golden era of Westerns, these actors embody the values of their movie heroes: pride, bravado, freedom, and a trusting relationship with horses.
“I’ve always liked horses and the [U.S.] West,” says 29- year-old Ricardo Cruz Fernández, a stuntman and cowboy who appeared in recent productions including Game of Thrones. Fernández started his career as a cowboy after completing a stuntman course a decade ago.
Between productions, he performs daily shows at Fort Bravo for thousands of tourists who visit the set each year. In one show, Fernández portrays a bank robber who absconds with some gold. Visitors encounter him in the saloon, fist and (fake) gun fighting with actors playing his double-crossing accomplices. The town also offers cancan dance shows and set tours by horsedrawn wagon.
“I prefer to play the bad guy, because it gives me a wider range of possibilities,” says Fernández. “The good guy only has to keep things in order.”
Almería has hosted more than 500 productions, including blockbuster films (Patton, Terminator: Dark Fate) and TV shows (Doctor Who). “Our landscapes are very convenient. We have sea, desert, and snowy mountains all within a short distance,” says local producer Plácido Martínez. “We can serve as Texas, New Mexico, Arizona, California, and endless other natural settings.”
Matteo Fagotto. The Wild West lives on in southern
Spain. In: National Geographic. Internet: <www.nationalgeographic.com> (adapted).
Concerning the previous text and its linguistic aspects, judge the followin item.
In the fragment ‘The good guy only has to keep things in order’, the word ‘has’ could be correctly replaced with must, without changing the meaning of the text.
Provas
The worn wooden floorboards squeak under Rafael Molina’s heavy steps as he paces the saloon. Outside, the sound of galloping horses breaks the silence of the surrounding desert. All around him, the Old West town’s empty shops and abandoned houses look as if they have just been ransacked by cowboy bandits.
“When I was a kid, I could only dream about all this,” says the 68-year-old former actor and stuntman. “My aspiration was to see a film set firsthand. Today I own one of the most famous ones in the history of Western movies.”
But this busy movie site is located in Spain — not Montana or Texas. It’s one of three faux Old Western towns inthe small village of Tabernas and the surrounding desert of the Almería province. Since the late 1950s, these rugged mountains, arid plains, and dry canyons have provided the backdrops for more than 170 movie Westerns, including The Good, The Bad and The Ugly (1966) and Once Upon a Time in The West (1968).
Molina belongs to a small community of local cowboy actors and stuntmen in Tabernas who have played a role in movies and TV shows since the first productions in the 1950s. They can perform anything from fistfights to horse drags. Knowledge and skills often pass from father to son, keeping tricks of the trade in the family. Steeped in the golden era of Westerns, these actors embody the values of their movie heroes: pride, bravado, freedom, and a trusting relationship with horses.
“I’ve always liked horses and the [U.S.] West,” says 29- year-old Ricardo Cruz Fernández, a stuntman and cowboy who appeared in recent productions including Game of Thrones. Fernández started his career as a cowboy after completing a stuntman course a decade ago.
Between productions, he performs daily shows at Fort Bravo for thousands of tourists who visit the set each year. In one show, Fernández portrays a bank robber who absconds with some gold. Visitors encounter him in the saloon, fist and (fake) gun fighting with actors playing his double-crossing accomplices. The town also offers cancan dance shows and set tours by horsedrawn wagon.
“I prefer to play the bad guy, because it gives me a wider range of possibilities,” says Fernández. “The good guy only has to keep things in order.”
Almería has hosted more than 500 productions, including blockbuster films (Patton, Terminator: Dark Fate) and TV shows (Doctor Who). “Our landscapes are very convenient. We have sea, desert, and snowy mountains all within a short distance,” says local producer Plácido Martínez. “We can serve as Texas, New Mexico, Arizona, California, and endless other natural settings.”
Matteo Fagotto. The Wild West lives on in southern
Spain. In: National Geographic. Internet: <www.nationalgeographic.com> (adapted).
Concerning the previous text and its linguistic aspects, judge the followin item.
In the fifth paragraph, the word “stuntman” means a man who performs a dangerous action which needs to be done by someone skilled, especially instead of an actor in a film or television programme.
Provas
Caderno Container