Foram encontradas 997 questões.
Com relação a sistemas instrumentados de segurança (SIS), julgue o seguinte item.
Um nível de integridade de segurança (SIL) menos rigoroso deve ser atribuído ao SIS quando o fator de redução de risco (FRR) se encontrar dentro da faixa de menores valores na classificação do SIL.
Provas
Com relação a sistemas instrumentados de segurança (SIS), julgue o seguinte item.
O aumento da eficiência do processo e a redução de custos de riscos são alguns dos benefícios de um SIS implementado.
Provas

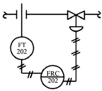
Em relação ao sistema de controle esquematizado na figura precedente, julgue o item subsequente.
Para a medição de pressão, é utilizado, como elemento primário, um sensor do tipo tubo de Venturi.
Provas

Com base nas informações precedentes, julgue o item subsequente, segundo a referida norma.
A figura (b) corresponde ao símbolo de linha de comunicação por sinal hidráulico entre instrumentos.
Provas

Com base nas informações precedentes, julgue o item subsequente, segundo a referida norma.
A figura (c) corresponde ao código de um instrumento do tipo registrador/controlador de tensão elétrica.
Provas
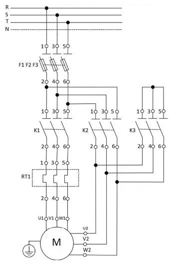
Julgue o próximo item, a respeito de acionamentos e controles elétricos.
A figura seguinte corresponde ao diagrama unifilar de partida direta de um motor elétrico.

Provas
Julgue o próximo item, a respeito de acionamentos e controles elétricos.
Para um motor de partida direta com corrente nominal de operação de 35 A e relação entre a corrente nominal e a corrente de partida igual a 8, a corrente mínima a ser suportada no contator é de 280 A.
Provas
Julgue o próximo item, a respeito de acionamentos e controles elétricos.
No método de partida com rampa dupla, utilizando-se um soft starter, é possível escolher entre dois perfis de partida, com tempo de partida e torque ajustáveis separadamente.
Provas
Julgue o próximo item, a respeito de acionamentos e controles elétricos.
A partida direta de um motor elétrico tem como uma de suas características o conjugado de partida elevado.
Provas
Com relação a aspectos diversos pertinentes a grandezas elétricas e magnéticas, julgue o item que se segue.
A resistência elétrica entre as duas extremidades circulares de uma peça cilíndrica com resistividade não nula é diretamente proporcional ao seu comprimento e inversamente proporcional à sua área de seção transversal.
Provas
Caderno Container