Foram encontradas 680 questões.
Disciplina: Engenharia de Telecomunicações
Banca: CESPE / CEBRASPE
Orgão: PF

A figura I acima mostra o diagrama de um retificador monofásico não-controlado de meia-onda alimentado pela tensão senoidal vS, cujo gráfico é mostrado na figura II. Com relação a esse retificador, julgue os itens que se seguem.

Provas
Disciplina: Engenharia de Telecomunicações
Banca: CESPE / CEBRASPE
Orgão: PF

A figura I acima mostra o diagrama de um retificador monofásico não-controlado de meia-onda alimentado pela tensão senoidal vS, cujo gráfico é mostrado na figura II. Com relação a esse retificador, julgue os itens que se seguem.

Provas

Provas
Disciplina: Engenharia de Telecomunicações
Banca: CESPE / CEBRASPE
Orgão: PF

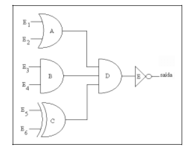
A figura acima mostra o diagrama de um circuito que está sendo analisado por um técnico. Com base nessa figura, julgue os itens que se seguem.
Se as entradas assumirem o valor E1E2E3E4E5E6 = 111001, a saída assumirá o valor lógico 0.
Provas

Foi solicitado a um técnico que implementasse um circuito detector de paridade ímpar de um número de 3 bits. Para tanto, foi elaborada a tabela verdade mostrada acima. Com relação a essa tabela, julgue os itens seguintes.

Provas

A figura acima mostra uma janela do Excel 2002 que contém uma planilha de dados relativos a apreensão de drogas. Com relação a essa janela e ao Excel 2002, julgue os itens que se seguem.

Provas

A figura acima mostra uma janela do Excel 2002 que contém uma planilha de dados relativos a apreensão de drogas. Com relação a essa janela e ao Excel 2002, julgue os itens que se seguem.

Provas

Com base na janela do Outlook Express 6 (OE6) parcialmente ilustrada na figura acima, julgue os itens a seguir.

Provas

Considerando a janela do Internet Explorer 6 (IE6) ilustrada acima, julgue os itens seguintes.

Provas

Considerando a janela do Internet Explorer 6 (IE6) ilustrada acima, julgue os itens seguintes.

Provas
Caderno Container