Foram encontradas 730 questões.
No que se refere a confiabilidade, falha e modo de falha, julgue o item a seguir.
A falha cataléctica é repentina e completa; a falha por desgaste é progressiva e parcial; e a taxa de falha aleatória é constante.
Provas
Questão presente nas seguintes provas

Um componente estrutural fabricado em aço dúctil está submetido a um estado plano de tensões, representado, em determinado ponto, pelo elemento de tensões mostrado na figura acima, em que σ1 = 200 MPa e σ2 = 100 MPa. Considerando a possibilidade de falha por escoamento, julgue o item abaixo, a respeito da resistência ao escoamento do material do referido componente.
Segundo a Teoria da Máxima Tensão Cisalhante, ou critério de Tresca, o aço para o componente em questão deve apresentar uma resistência ao escoamento de, pelo menos, 200 MPa.
Provas
Questão presente nas seguintes provas

Após medições de temperatura, umidade e velocidade do ar em uma grande sala de um prédio comercial, e considerando-se os parâmetros relativos aos seus ocupantes, analisou-se o conforto térmico proporcionado por esse ambiente. O gráfico acima mostra o resultado dessas medições e o ponto representativo da condição térmica no referido ambiente.
Com base nessas informações, julgue o item subsequente.
O ponto mostrado no gráfico representa uma condição inaceitável de conforto térmico, pois as normas referentes à instalação de ar condicionado determinam o seguinte: !0,5 !$ \le !$ PMV !$ \le !$ 0,5.
Provas
Questão presente nas seguintes provas
Em relação ao controle da manutenção, à mantenabilidade e à disponibilidade, julgue o item.
São modos de falhas elétricas a ruptura de ligação elétrica (causa extrínseca); colagem de contatos após a fusão dos contatos; destruição de um componente após esforços elétricos ou ionizações; rompimento de isolação por diversas causas.
Provas
Questão presente nas seguintes provas

As figuras I, II e III acima ilustram símbolos comumente usados na representação gráfica de sistemas hidráulicos e pneumáticos. A respeito desses símbolos, julgue o item a seguir.
O símbolo indicado na figura III mostra uma válvula direcional de três posições e quatro vias com centro aberto.
Provas
Questão presente nas seguintes provas

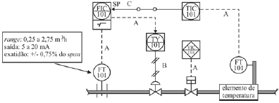
Considerando a malha de instrumentos esquematizada na figura acima, julgue o item que se segue.
O valor de corrente de saída do transmissor de fluxo local FT 101, quando a vazão for 1,25 m3/h, será superior a 12,0 mA.
Provas
Questão presente nas seguintes provas
Na furação de um lote de peças em aço ABNT 1040, utilizou-se um avanço de 0,3 mm/rotação. Para esse tipo de aço e para a usinagem com ferramenta de metal duro classe ISO P10, o fabricante da ferramenta forneceu os seguintes parâmetros utilizados na equação de Taylor para a vida da ferramenta: y = 0,25 e C = 416,2.
Com base nessas informações, julgue o item que se segue.
Caso a broca se desgaste antes do tempo previsto, dever-se-á diminuir a rotação da máquina, aumentar o avanço e empregar fluido de arrefecimento.
Provas
Questão presente nas seguintes provas


A figura I acima ilustra o diagrama pressão versus entalpia de um ciclo de refrigeração por compressão a vapor. Os pontos de 1 a 8 na figura I são mostrados no diagrama esquemático da figura II. Com base nessas informações, julgue o próximo item.
O ciclo indicado não representa qualquer perda de carga nas linhas ou componentes; apenas processos isobáricos são mostrados. Em um ciclo real, embora essas perdas de carga ocorram, seu impacto se limita à linha de líquido entre os pontos 4 e 5, trecho em que se deve impor uma limitação para que a queda de pressão admissível seja bastante reduzida.
Provas
Questão presente nas seguintes provas
Com relação a manutenção, julgue o item seguinte.
A manutenção corretiva, que é um procedimento de correção da falha ou do desempenho menor que o esperado de um equipamento, subdivide-se em randômica — correção da falha após a ocorrência do fato — e preventiva — conjunto de atividades de acompanhamento das variáveis ou parâmetros que indicam o desempenho dos equipamentos, com intervenções sistemáticas.
Provas
Questão presente nas seguintes provas
Acerca dos tratamentos térmicos e dos tratamentos termoquímicos aplicados a materiais de engenharia, julgue o próximo item.
No tratamento de nitretação, o endurecimento superficial é obtido pela formação de nitretos na superfície do material, devido à reação do nitrogênio com componentes do aço.
Provas
Questão presente nas seguintes provas
Cadernos
Caderno Container