Foram encontradas 730 questões.

Considerando a figura acima, que ilustra um mecanismo biela-manivela, julgue o próximo item.
O mecanismo ilustrado possui seis centros instantâneos de rotação.
Se a velocidade de rotação da manivela OA for constante, a velocidade do cursor B será também constante.
Provas
Questão presente nas seguintes provas
Com relação a manutenção, julgue o item seguinte.
O ensaio por líquido penetrante é usado para detectar descontinuidades superficiais em materiais não metálicos. Por meio dessa técnica, podem ser detectados defeitos como trincas, junta fria, inclusões, gota fria, dupla laminação, falta de penetração, dobramentos e segregações.
Provas
Questão presente nas seguintes provas


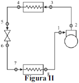
A figura I acima ilustra o diagrama pressão versus entalpia de um ciclo de refrigeração por compressão a vapor. Os pontos de 1 a 8 na figura I são mostrados no diagrama esquemático da figura II. Com base nessas informações, julgue o próximo item.
A eficiência de compressão isentrópica do compressor pode ser calculada pela expressão [h3 - h1]/[h2 - h1].
Provas
Questão presente nas seguintes provas
Acerca dos conceitos de erro em medições, julgue o item a seguir.
Considere que uma massa padrão de 1,00000 ± 0,00001 kg tenha sido colocada sobre uma balança eletromecânica digital para uma série de 10 medições, cujos resultados são mostrados na tabela a seguir. Nessa situação, o erro sistemático da balança é de 15 g.
| medição | valor medido [g] |
| 1 | 1.015 |
| 2 | 1.014 |
| 3 | 1.018 |
| 4 | 1.015 |
| 5 | 1.013 |
| 6 | 1.016 |
| 7 | 1.017 |
| 8 | 1.014 |
| 9 | 1.015 |
| 10 | 1.013 |
| média | 1.015 |
Provas
Questão presente nas seguintes provas
Com relação aos conceitos de teoria de controle e técnicas de processamento de sinais, julgue o próximo item.
Considere o gráfico abaixo, que representa a resposta impulsiva de um sistema dinâmico linear de segunda ordem em uma janela temporal de cinco constantes de tempo. Nessa situação, o sistema pode ser corretamente caracterizado por um par de polos complexos conjugados com valores aproximados de -10 + j50!$ \pi !$ e -10 -j50!$ \pi !$.

Provas
Questão presente nas seguintes provas

O diagrama de blocos acima ilustra o processo de conversão de um sinal analógico em digital. O sinal na entrada tem a forma de onda quadrada com período 1 μs, sem ruído, e amplitude de 1 mV eficaz. O sinal é acoplado ao conversor A/D por meio de um buffer de ganho unitário seguido de um amplificador com ganho G e acoplamento c.a., resultando em ruído branco sobreposto ao sinal. O sinal é então digitalizado por meio de um conversor analógico-digital (A/D) de 12 bits.
Com base nessas informações, julgue o item subsequente.
Considere que a resposta em frequência da associação entre buffer e amplificador seja máxima e constante na faixa espectral compreendida entre 1 kHz e 500 MHz. Considere, ainda, que a banda passante dessa associação seja ajustável e possa ser selecionada entre dois valores: 200 MHz e 400 MHz. Nessa situação, a SNR será mínima se o valor de 200 MHz for escolhido para a largura de faixa da associação.
Provas
Questão presente nas seguintes provas
No que se refere às características de circuitos eletrônicos analógicos e digitais, julgue o seguinte item.
Na polarização de circuitos integrados lógicos das famílias TTL (transistor-transistor logic) e CMOS (complimentary metal-oxide-semiconductor), são geralmente empregadas fontes de tensão contínua de 10 V.
Provas
Questão presente nas seguintes provas
Com relação aos conceitos de teoria de controle e técnicas de processamento de sinais, julgue o próximo item.
Se a figura abaixo representa o mapa de polos (identificados por ‘x’) e zeros (identificados por ‘0’) de uma função de transferência em malha fechada de um sistema dinâmico linear, então o sistema é estável e gera uma saída com amplitude não nula, em regime permanente, quando a entrada é uma função do tipo degrau.

Provas
Questão presente nas seguintes provas
Com relação aos conceitos de teoria de controle e técnicas de processamento de sinais, julgue o próximo item.
Se os sinais 1 e 2 ilustrados abaixo, de mesma amplitude pico-a-pico, fase e período, forem processados por um osciloscópio digital de 1 GHz de largura de faixa e canais de aquisição com acoplamento CC, então as suas transformadas rápidas de Fourier (FFT) serão iguais.

Provas
Questão presente nas seguintes provas

O diagrama de blocos acima ilustra o processo de conversão de um sinal analógico em digital. O sinal na entrada tem a forma de onda quadrada com período 1 μs, sem ruído, e amplitude de 1 mV eficaz. O sinal é acoplado ao conversor A/D por meio de um buffer de ganho unitário seguido de um amplificador com ganho G e acoplamento c.a., resultando em ruído branco sobreposto ao sinal. O sinal é então digitalizado por meio de um conversor analógico-digital (A/D) de 12 bits.
Com base nessas informações, julgue o item subsequente.
Se, na entrada do conversor A/D, o sinal tiver amplitude de 2 V eficaz e a relação sinal-ruído (SNR) for de 40 dB, então o amplificador terá ganho G igual a 2.000 e a amplitude do ruído será inferior a 10 mV eficaz.
Provas
Questão presente nas seguintes provas
Cadernos
Caderno Container