Magna Concursos

Foram encontradas 405 questões.

2190227 Ano: 2022
Disciplina: Engenharia Civil
Banca: FCC
Orgão: PGE-AM

Considere a figura a seguir que ilustra a vista lateral de um dos pórticos que compõem um sistema de cimbramento que deve suportar o lançamento de concreto fresco, resultando uma carga distribuída de 10 kN/m sobre a viga.

Enunciado 3353777-1

A viga do pórtico que suporta o fundo da forma onde será lançado o concreto está simplesmente apoiada sobre as colunas B e C, sendo restrito o deslocamento vertical e horizontal apenas em C. A carga recebida pelas colunas B e C e o momento fletor máximo resultam, respectivamente:

 

Provas

Questão presente nas seguintes provas
2190226 Ano: 2022
Disciplina: Engenharia Civil
Banca: FCC
Orgão: PGE-AM

Com relação à instalação de aparelhos de utilização a gás para aquecimento de água, é correto afirmar:

 

Provas

Questão presente nas seguintes provas
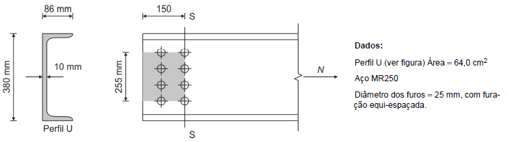
2190225 Ano: 2022
Disciplina: Engenharia Civil
Banca: FCC
Orgão: PGE-AM

Considere as características do perfil U da conexão apresentada na figura a seguir:

Enunciado 3353773-1

Ao se analisar o que causou o escoamento (deformação excessiva) dessa conexão de uma tesoura de uma cobertura metálica, a hipótese é que com a carga de tração aplicada tenha ocorrido ruptura por cisalhamento de bloco. Os valores da área cisalhada líquida e da área tracionada líquida são, em cm2, respectivamente:

 

Provas

Questão presente nas seguintes provas
2190223 Ano: 2022
Disciplina: Engenharia Civil
Banca: FCC
Orgão: PGE-AM

Dentre os métodos e ferramentas de planejamento e controle de obras,

 

Provas

Questão presente nas seguintes provas
2190222 Ano: 2022
Disciplina: Engenharia Civil
Banca: FCC
Orgão: PGE-AM

Os sanitários, banheiros e vestiários acessíveis devem obedecer aos parâmetros da Norma Técnica NBR 9050 − Acessibilidade a edificações, mobiliário, espaços e equipamentos urbanos. Sobre os sanitários acessíveis, é correto afirmar:

 

Provas

Questão presente nas seguintes provas
2190221 Ano: 2022
Disciplina: Engenharia Civil
Banca: FCC
Orgão: PGE-AM

Para a realização de um projeto geotécnico, considere o perfil a seguir:

Enunciado 3353763-1

A condutividade hidráulica para o perfil geotécnico, na direção vertical, em cm/s, é:

 

Provas

Questão presente nas seguintes provas
2190220 Ano: 2022
Disciplina: Engenharia Civil
Banca: FCC
Orgão: PGE-AM

A determinação do nível de precaução e mitigação do efeito da reação álcali-agregado (RAA) em determinado elemento de concreto, estrutural ou não, depende da realização de uma análise de risco da ocorrência da RAA e, portanto, do comprometimento de seu desempenho durante a vida útil. Sobre a análise de risco de ocorrência da RAA, é correto afirmar:

 

Provas

Questão presente nas seguintes provas
2190219 Ano: 2022
Disciplina: Engenharia Civil
Banca: FCC
Orgão: PGE-AM

Nos projetos de estação de tratamento de água para abastecimento público, os decantadores são unidades destinadas à remoção de partículas presentes na água, pela ação da gravidade. Considere os dados a seguir.

Dados:

− Taxa de aplicação superficial no decantador: 50 m3/m2 × dia

− Profundidade útil do decantador: 5 m

A vazão linear das calhas de coleta de água decantada, em litro/s × m, é:

 

Provas

Questão presente nas seguintes provas
2190218 Ano: 2022
Disciplina: Engenharia Civil
Banca: FCC
Orgão: PGE-AM

Segundo a ABNT NBR 12209 − Elaboração de projetos hidráulico-sanitários de estações de tratamento de esgotos sanitários, na decantação primária, a tubulação de remoção de lodo deve ter diâmetro mínimo de X mm; a tubulação de transporte de lodo no escoamento por condutos livres deve ter declividade mínima de Y%, a remoção de lodo do fundo deve preferencialmente, ser feita de modo a permitir a observação e controle do lodo removido.

Os valores de X e Y são, respectivamente,

 

Provas

Questão presente nas seguintes provas
2190217 Ano: 2022
Disciplina: Engenharia Civil
Banca: FCC
Orgão: PGE-AM

Sobre as condições exigíveis para a execução de sub-base ou base estabilizada granulometricamente nos serviços de pavimentação, é correto afirmar:

 

Provas

Questão presente nas seguintes provas