Foram encontradas 120 questões.
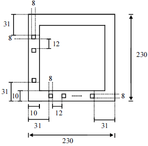
Uma toalha de mesa, quadrada, terá, em toda sua borda, uma faixa medindo 10 cm de largura. O comprimento do lado da toalha, incluindo a faixa, é de 2,3 m. Na faixa, em cada lado da toalha, serão costurados quadradinhos de tecido, de 8 cm de lado, um em seguida ao outro, de lados paralelos aos lados da faixa, no centro da faixa, igualmente espaços de 12 cm e de forma que o primeiro e o último, em cada lado, fiquem a 31 cm da borda, como indicado na figura abaixo, em que a unidade é o centímetro.

Com base nessas informações e na figura, julgue o item que se seguem.
Em cada lado da toalha, a quantidade de quadradinhos costurados é igual a 10.
Provas
Julgue se o item, adaptados de A Gazeta (ES), “Editorial”, 4/1/2009, estão gramaticalmente corretos.
Em nível nacional, o dado mais recente (de junho aos primeiros dias de dezembro) aponta que número de mortos caiu 5,5% neste ano. Nesse período, a polícia rodoviária federal registrou 3,27 mil mortes nas rodovias. É assustador. Assemelha-se a noticiário sobre guerra. Inadmicível.
Provas
O início da colonização do Brasil foi marcado por uma espécie de parceria entre o Estado português e a iniciativa privada que se expressa na criação das capitanias hereditárias, quando o litoral da colônia, incluindo o território do Espírito Santo, foi repartido em grandes lotes e entregues a particulares. Latifúndio, escravidão e monocultura exportadora foram aspectos essenciais desse modelo de exploração colonial.
Ao ficar independente, em 1822, o Brasil não rompeu radicalmente com essa estrutura herdada da colônia. Assim, o café veio substituir, em importância econômica, a cana-de-açúcar, mas o poder permanecia em mãos de uns poucos. A escravidão somente foi abolida em 1888, às vésperas do golpe republicano.
Até o advento da Revolução de 1930, o país pouco se modernizara e a exclusão política, social e econômica continuava a ser a regra. Um Brasil diferente começa a surgir na Era Vargas (1930-1945): introduzia-se a indústria de base, a vida urbana começa a expandir-se e conquistas sociais — como a legislação trabalhista — são obtidas.
A partir das informações acima e considerando aspectos significativos da história do Brasil, julgue o item subsequente.
A mão-de-obra escrava foi um dos sustentáculos da economia colonial brasileira, sendo extinta apenas após a Independência, ao final do período monárquico.
Provas
O processo de ocupação do planeta é bastante diversificado.
Essa variação está relacionada a grande diversidade cultural, ao desenvolvimento econômico desigual e também às características demográficas das diferentes regiões. Com relação a esse assunto, julgue o item que se seguem.
A primeira etapa da revolução demográfica — conhecida por transição demográfica — caracteriza-se pela ocorrência de baixas taxas de natalidade e mortalidade, resultando em baixíssimo crescimento populacional.
Provas
Ninguém duvida de que arma de fogo ilegal é um convite ao crime. O acesso a revólver, pistola ou espingarda tornou-se objeto de desejo de criminosos ou candidatos a assassinos. Não raro, assaltos a residências visam, mais do que joias, dinheiro ou eletrodomésticos, às armas mantidas em casa para defesa da família em caso de situação de perigo. O contrário, porém, ocorre com indesejável frequência.
Os moradores da casa tornam-se as primeiras vítimas de tiros.
Em suma: arma em mãos despreparadas funciona como bomba-relógio. É sinônimo de risco para a sociedade.
Correio Braziliense, “Editorial”, 8/1/2009 (com adaptações).
Em relação ao texto acima, julgue o próximo item.
Em “tornou-se”, o “-se” indica sujeito indeterminado.
Provas
A partir de 1945, o Brasil viveu uma experiência democrática, ainda que limitada. As crises políticas se sucediam e o regime entrou em colapso em 1964, quando um golpe de estado derrubou o presidente João Goulart. Foram cerca de duas décadas de regime militar, cujo autoritarismo teve no Ato Institucional n.º 5 (AI 5) sua expressão máxima.
Esgotado, o regime sai de cena em 1985, com o retorno do poder civil, simbolizado na eleição indireta de Tancredo Neves. Começava nova experiência democrática, agora bem mais ampliada e assentada nos princípios do respeito amplo à cidadania e à participação política mais incisiva da sociedade, realidade que a Constituição de 1988 sintetiza e traduz. O primeiro presidente civil eleito diretamente após a queda do regime militar não conseguiu concluir seu mandato, mas a ordem institucional não foi abalada. Depois de tentativas frustradas, a inflação foi contida e a economia estabilizada com o Plano Real.
Tendo as informações acima como referência inicial e considerando a história contemporânea do Brasil, julgue o item seguinte.
O Real foi o primeiro plano de estabilização econômica que o Brasil conheceu após o fim do regime militar.
Provas
A legislação penal brasileira é sabidamente anacrônica, inadequada aos tempos que correm. Elaborado na década de 40, o código penal é de um Brasil e um mundo que não mais existem. Neles, ainda não havia um tráfico de drogas montado em escala industrial, nem facilidades de comunicação e transporte, que tanto ajudam as sociedades como as atividades ilícitas.
À inadequação do código à necessidade de punição severa por crimes graves cometidos por quem não demonstra possibilidade alguma de reabilitação e de volta ao convívio social é somada outra distorção grave: a da aplicação incompetente das regras de progressão de pena previstas na lei de execução penal. A habilitação de assassinos para que possam cumprir o resto da pena em regime semiaberto —
passar o dia fora da cadeia em um suposto emprego formal — é prova irrefutável de que a legislação penal está longe de atemorizar o crime. Ao contrário, por ser débil, funciona como incentivo à cultura da impunidade, um dos mais graves problemas da sociedade brasileira.
O Globo, “Editorial”, 4/1/2009.
A partir do texto acima, julgue o item a seguir.
A palavra “anacrônica” está sendo empregada com o sentido de atrasada em relação ao tempo.
Provas
No Brasil, o número de pessoas com algum tipo de deficiência varia de um mínimo de 16 milhões, nos cálculos de especialistas, a 24,6 milhões, conforme o Instituto Brasileiro de Geografia e Estatística (IBGE). Do total, cerca de 9 milhões estão em idade de trabalhar, mas apenas 1 milhão tem emprego fixo, 11% do total, enquanto nas nações mais avançadas a parcela ultrapassa 30%. Da mesma forma, a participação de afro-descendentes e pardos no Brasil ainda é modesta em diferentes áreas de atividade, as mulheres ocupam um número reduzido de postos-chave e profissionais de orientação sexual diferenciada costumam ser segregados e até mesmo hostilizados. A mudança desse quadro não pode ser feita de um momento para outro, mas exige políticas bem definidas para que os ganhos se mostrem mais próximos das necessidades.
A garantia de maior diversidade nas empresas depende de uma mudança cultural, que no Brasil vem sendo estimulada por crescentes imposições legais.
Estado de Minas, “Editorial”, 3/1/2009 (com adaptações).
Em relação ao texto acima, julgue o item a seguir.
Depreende-se das informações do texto que o número de pessoas com deficiência é invariável segundo o cálculo dos especialistas e os dados do IBGE.
Provas
A respeito do território brasileiro, sua formação e suas características sociais, julgue o item que se seguem.
O problema da habitação popular urbana no Brasil começou na segunda metade do século XIX, com a definição de garantias legais para a propriedade privada da terra (1850), abolição da escravidão (1888) e início do êxodo rural.
Provas
Na área do emprego, a legislação, em âmbito federal, estadual e municipal, tende a estimular a inserção de diferentes maneiras, como a colocação competitiva e seletiva e o trabalho por contra própria, que deveriam ser mais levadas em conta. O importante é que, cada vez mais, outras áreas de atuação da sociedade vêm incorporando expressões como “ações afirmativas” e “busca de quadros que assegurem diversidade”. A tendência favorece parcela expressiva da sociedade que, até recentemente, era ignorada e tratada como invisível. Os resultados já podem ser percebidos nos números, que precisam ser multiplicados cada vez mais pela vontade da sociedade e não apenas por imposição legal. Mas a principal correção seria o fortalecimento do emprego formal, pois, dos 98 milhões de brasileiros em fase produtiva, apenas 30 milhões têm carteira assinada. Aí reside a maior mazela que o país carrega hoje.
Idem, ibidem (com adaptações).
Com base no texto acima, julgue o item.
O termo “levadas” está no feminino plural porque concorda com “diferentes maneiras”.
Provas
Caderno Container