Foram encontradas 274 questões.
Considerando os fundamentos eletroeletrônicos automotivos, em relação as grandezas elétricas, tendo como parâmetro a bibliografia indicada no edital, marque “V” para a (s) assertiva (s) verdadeira (s) e “F” para a (s) assertiva (s) falsa (s).
( ) A tensão elétrica é a força que impulsiona os elétrons.
( ) A corrente elétrica também é conhecida como diferença de potencial entre dois pontos.
( ) A potência elétrica é a grandeza que mede a energia que está sendo transformada em unidade de tempo, medindo o trabalho por certa máquina.
( ) A resistência elétrica tem como unidade de medida o watt, em homenagem ao engenheiro James Watt.
Marque a alternativa que contém a sequência de respostas CORRETA, na ordem de cima para baixo.
Provas
Relativo à Análise de circuito, dado o circuito Thévenin, obtenha o circuito Norton equivalente, considerando RTh = 10\( Ω \) e VTh = 5V e assinale a alternativa CORRETA que contém os valores do circuito equivalente de Norton:

Fonte: Adaptado de: O’MALLEY, John; tradução Moema Sant’Anna Belo. Análise de Circuitos. 2ª ed. São Paulo: Makron Books do Brasil, 1994. p. 134, fig 5.4.
Provas
Relativo à Análise de Circuitos, analise as assertivas abaixo:
I - A resistência é a propriedade do material de se opor ou resistir ao movimento dos elétrons e fazer necessária a aplicação de uma tensão para manter o fluxo de corrente.
II - Um resistor possui faixas na ordem laranja, laranja, preto e ouro. De acordo com o código de cores para resistências, o referido resistor possui uma resistência de 33\( Ω \) e tolerância de 5%.
III - Um resistor possui faixas na ordem verde, azul, vermelho e prata. De acordo com o código de cores para resistências, o referido resistor possui uma resistência de 5,6K\( Ω \) e tolerância de 20%.
IV - Um curto-circuito possui uma tensão zero sobre ele para qualquer corrente finita que estiver circulando. Já o circuito aberto, possui uma resistência infinita, o que significa que circula uma corrente nula para qualquer tensão finita aplicada sobre ele.
Estão CORRETAS as assertivas:
Provas
Relativo à Análise de Circuitos, determine o resistor que deverá ser conectado aos terminais a e b da figura abaixo para que se tenha a máxima transferência de potência e assinale a alternativa CORRETA que contém o valor de sua resistência:

Fonte: O’MALLEY, John; tradução Moema Sant’Anna Belo. Análise de Circuitos. 2ª ed. São Paulo: Makron Books do Brasil, 1994. p. 142, fig 5.10.
Provas
No estudo de Propagação de Ondas Eletromagnéticas, em Telecomunicações, tem-se que quando uma Onda Eletromagnética se propaga na superfície terrestre, ou seja, em condições diversas àquelas do espaço livre, percebe-se a ocorrência de alguns fenômenos, como pode ser observado na figura a seguir.

Fonte: Adaptado de: NASCIMENTO, Juarez do. Telecomunicações - 2ª edição São Paulo: Makron Books, 2000 p.11, fig. 2.5.
Assinale a alternativa que melhor preenche, de forma CORRETA, a lacuna vazia do texto a seguir:
“ __________ é um fenômeno que pode ser explicado pelo uso do princípio de Huygens: cada frente de onda equivale a uma coleção de radiadores infinitesimais, radiando para frente ondas esféricas. De acordo com esse princípio, quando as frentes de onda atingem um obstáculo de dimensões comparáveis ao (ou menores que) seu comprimento de onda, elas o contornam.”
Provas
Em Telecomunicações, no que diz respeito à multiplexação na Transmissão por Fibras Ópticas, analise o conceito abaixo e depois responda o que se pede:
“O uso __________ oferece um novo avanço na capacidade de transmissão das fibras. A base ____________ é a utilização de múltiplas fontes que operam em comprimentos de onda ligeiramente diferentes para transmitir vários fluxos de informação independentes pela mesma fibra simultaneamente.”
Na figura abaixo, N fluxos de informação independentes formatados opticamente, cada um transmitido em um diferente comprimento de onda, são combinados por meio de um multiplexador óptico e enviados através da mesma fibra.

Fonte: KEISER, Gerd. Comunicações por Fibras Ópticas - 4ª edição Porto Alegre: AMGW, 2014 p.16, fig. 1.9
Assinale agora a alternativa que melhor preenche, simultaneamente, de forma CORRETA, as 2 (duas) lacunas vazias no texto acima:
Provas
Sobre propagação de Ondas Eletromagnéticas (OEM), em Telecomunicações, assinale a alternativa INCORRETA:
Provas
Em Telecomunicações, sobre o assunto Comunicações Via Satélite, pode-se afirmar que:
Um satélite de comunicações atua como uma estação repetidora na órbita da Terra. Devido à sua enorme altitude, o satélite de comunicações consegue estabelecer contato entre pontos localizados a milhares de quilômetros de distância sobre a superfície terrestre. Para se comunicar com o satélite são necessárias pelo menos duas estações terrenas, que atuam como estações terminais de rádio, como mostrado na figura a seguir.

Fonte: NASCIMENTO, Juarez do. Telecomunicações - 2ª edição São Paulo: Makron Books, 2000 p.266, fig. 17.1
Tanto as estações terrenas quanto os satélites de comunicações são dotados de transceptores de rádio, equipamentos de força e antenas. Para superar a enorme atenuação causada pela distância e pela frequência elevadas, são necessárias medidas especiais. Leia as assertivas abaixo referente a essas medidas necessárias e ao final marque a alternativa CORRETA:
I- Uso de antenas de baixo ganho.
II- Uso de baixa potência de transmissão.
III- Uso de amplificadores de baixo ruído.
IV- Uso de técnicas especiais de modulação, mais resistentes ao ruído.
Provas
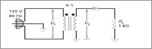
Considerando o conteúdo de Eletrônica Básica e o circuito abaixo que possui um transformador com relação de espiras de 5:1 com tensão no primário de 120V rms (V1), é CORRETO afirmar que o valor da tensão rms no secundário do transformador (V2) é:

Fonte: MALVINO, Albert Paul; BATES, David J. Eletrônica, v. 1. 7ª ed. São Paulo: McGraw- Hill, 2011.p. 94, fig. 4-5.
Provas
De acordo com o conteúdo de Eletricidade Básica, analise as assertivas abaixo:
I- Quando uma onda senoidal de tensão alternada é conectada a uma resistência de carga, a corrente que passa pelo circuito também é uma onda senoidal.
II- Em uma onda senoidal o número de ciclos por segundo é denominado de frequência.
III- O intervalo de tempo para que um ciclo de uma onda senoidal se complete é denominado de período.
IV- Em um circuito CA somente com resistência, às variações na corrente ocorrem em fase com a tensão aplicada.
Após análise das assertivas, podemos AFIRMAR que:
Provas
Caderno Container