Foram encontradas 895 questões.
Acerca de memórias e barramentos presentes em microcomputadores, julgue o item subsecutivo.
A memória cache não necessita de algoritmo de substituição e apresenta alta velocidade de operação.
Provas
Acerca de memórias e barramentos presentes em microcomputadores, julgue o item subsecutivo.
Os sistemas que utilizam memórias RAM de alta velocidade requerem a tecnologia assíncrona para acesso, a qual não é sincronizada com o relógio do sistema.
Provas
Acerca de memórias e barramentos presentes em microcomputadores, julgue o item subsecutivo.
O barramento PCI opera serialmente com o barramento do processador, ou seja, ele aguarda o término de instruções da CPU para poder transferir informações entre outras partes do sistema.
Provas
Acerca de memórias e barramentos presentes em microcomputadores, julgue o item subsecutivo.
A memória virtual realiza o armazenamento de partes inativas da memória RAM em uma unidade de memória de menor velocidade, a exemplo do disco (HD).
Provas

Tendo por base a central de controle por programa armazenado (CPA) apresentada na figura anterior e os sistemas e tecnologias de comutação analógica e digital, julgue o próximo item.
Em relação aos circuitos presentes no bloco de controle, caso seja utilizada a arquitetura de controle compartilhado, se um processador apresentar falha, os demais processadores poderão assumir a carga daquele que falhou.
Provas

Tendo por base a central de controle por programa armazenado (CPA) apresentada na figura anterior e os sistemas e tecnologias de comutação analógica e digital, julgue o próximo item.
Entre os possíveis circuitos presentes no bloco de serviço, tem-se o gerador de tom digital, cujo conteúdo de memória é enviado por meio de um conversor digital-analógico.
Provas

Tendo por base a central de controle por programa armazenado (CPA) apresentada na figura anterior e os sistemas e tecnologias de comutação analógica e digital, julgue o próximo item.
O sistema apresentado é capaz de trabalhar com entroncamento digital a quatro fios entre centrais privadas de comutação telefônica (CPTC) e com telefones públicos analógicos.
Provas

Tendo por base a central de controle por programa armazenado (CPA) apresentada na figura anterior e os sistemas e tecnologias de comutação analógica e digital, julgue o próximo item.
O bloco identificado pela letra A corresponde à rede de comutação e realiza a conexão entre as vias de comunicação digital.
Provas

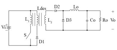
Considerando-se o circuito do conversor apresentado na figura precedente, julgue o item que se segue.
O conversor realiza a isolação galvânica entre a tensão de entrada e a de saída.
Provas

Considerando-se o circuito do conversor apresentado na figura precedente, julgue o item que se segue.
O conversor do circuito é construído a partir da isolação da entrada do conversor Buck-Boost.
Provas
Caderno Container