Foram encontradas 895 questões.
Julgue o item seguinte com relação a conceitos e princípios da mecânica dos sólidos.
Situação hipotética: Antes de iniciar a queima de combustível, um foguete tem massa inicial total de 1.000 kg. Ao iniciar a ignição, o combustível passa a ser consumido na taxa de 3,0 kg/s, expelindo os gases de combustão com velocidade relativa de 3.000 m/s. Assertiva: Considerando-se essa situação hipotética e assumindo-se 10,0 m/s² como o valor da aceleração da gravidade no local de lançamento, é correto inferir que o foguete não decolará.
Provas
Julgue o item seguinte com relação a conceitos e princípios da mecânica dos sólidos.
Situação hipotética: Na situação apresentada na figura a seguir, ao se aplicar uma força P na alavanca, ocorre uma compressão de 300 N na mola em A. Assertiva: Nessa condição, o pino O exerce sobre a alavanca uma força maior que 320 N.

Provas
A formalização do acervo técnico do profissional é garantida pelo registro da ART, importante tanto no mercado de trabalho quanto para a sociedade em geral, como um instrumento de defesa, ao formalizar o compromisso do profissional com a qualidade dos serviços prestados.
Provas
Concernente à fiscalização de obras e serviços envolvendo acompanhamento, medições e faturas, julgue o item a seguir.
A medição de serviços e obras compreende a análise dos relatórios periódicos elaborados pela contratada, com os levantamentos, cálculos e gráficos necessários à discriminação e determinação das quantidades dos serviços efetivamente executados.
Provas
Concernente à fiscalização de obras e serviços envolvendo acompanhamento, medições e faturas, julgue o item a seguir.
A fiscalização de um contrato de obras está cumprindo suas atividades ao aprovar parte dos serviços executados e encaminhar para pagamento as faturas emitidas pela contratada.
Provas

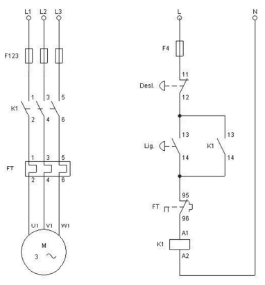
A partir das figuras precedentes, que ilustram, respectivamente, circuitos de potência e de comando de um motor trifásico, julgue o item seguinte.
No circuito de comando, o componente identificado por Lig desempenha a mesma função do componente FT.
Provas

A partir das figuras precedentes, que ilustram, respectivamente, circuitos de potência e de comando de um motor trifásico, julgue o item seguinte.
O componente identificado por K1 é um elemento de conversão eletromecânica.
Provas

A partir das figuras precedentes, que ilustram, respectivamente, circuitos de potência e de comando de um motor trifásico, julgue o item seguinte.
Caso o motor possua seis terminais acessíveis e potência nominal de 5 CV com tensão trifásica 220/380 V, 60 Hz, então, para uma rede de alimentação, L1-L2-L3, de 380 V, 60 Hz, o motor deverá ser ligado na configuração estrela.
Provas
Tendo como referência essa situação hipotética, julgue os itens subsecutivos.
Nas duas configurações, os resistores estão sob a mesma diferença de potencial.
Provas
Tendo como referência essa situação hipotética, julgue os itens subsecutivos.
Na configuração em estrela, os resistores consomem uma potência ativa três vezes maior que a potência ativa liberada quando na configuração em triângulo.
Provas
Caderno Container