Foram encontradas 1.033 questões.
1035597
Ano: 2016
Disciplina: Engenharia Elétrica
Banca: CESPE / CEBRASPE
Orgão: Polícia Científica-PE
Disciplina: Engenharia Elétrica
Banca: CESPE / CEBRASPE
Orgão: Polícia Científica-PE
Assinale a opção que apresenta corretamente a sequência de
procedimentos que devem ser realizados para se desenergizar, com
segurança, uma instalação elétrica liberada para trabalho.
Provas
Questão presente nas seguintes provas
1035596
Ano: 2016
Disciplina: Engenharia Elétrica
Banca: CESPE / CEBRASPE
Orgão: Polícia Científica-PE
Disciplina: Engenharia Elétrica
Banca: CESPE / CEBRASPE
Orgão: Polícia Científica-PE
Considerando-se um motor de indução trifásico comandado
adequadamente por um circuito de controle com os devidos
esquemas de proteção contra curto-circuito e sobrecarga, é correto
afirmar que o componente necessário ao circuito que contém chave
compensadora para partida do motor, mas dispensável em circuito
que utiliza chave com partida direta, é o
Provas
Questão presente nas seguintes provas
1035595
Ano: 2016
Disciplina: Engenharia Elétrica
Banca: CESPE / CEBRASPE
Orgão: Polícia Científica-PE
Disciplina: Engenharia Elétrica
Banca: CESPE / CEBRASPE
Orgão: Polícia Científica-PE
Assinale a opção correta no que se refere ao dimensionamento de
condutores em instalações elétricas prediais de baixa tensão.
Provas
Questão presente nas seguintes provas
1035594
Ano: 2016
Disciplina: Engenharia Elétrica
Banca: CESPE / CEBRASPE
Orgão: Polícia Científica-PE
Disciplina: Engenharia Elétrica
Banca: CESPE / CEBRASPE
Orgão: Polícia Científica-PE
Em determinada posição da linha do Equador, o campo
magnético da Terra é de 2 μT, sua direção é paralela à superfície
terrestre e seu sentido é sul-norte. Nessa posição, uma linha de
transmissão de 100 m transporta uma corrente contínua de 2 kA no
sentido sudoeste-nordeste.
Com base nessas informações e considerando que o sen 45° = 0,7,
assinale a opção correta acerca da força magnética exercida sobre
a linha de transmissão pelo campo magnético da Terra.
Provas
Questão presente nas seguintes provas
1035593
Ano: 2016
Disciplina: Engenharia Elétrica
Banca: CESPE / CEBRASPE
Orgão: Polícia Científica-PE
Disciplina: Engenharia Elétrica
Banca: CESPE / CEBRASPE
Orgão: Polícia Científica-PE
A respeito das informações que estão contidas nas placas de
identificação padrão dos motores elétricos e que determinam
as características nominais e de desempenho do motor, assinale
a opção correta, conforme norma regulamentadora.
Provas
Questão presente nas seguintes provas
1035592
Ano: 2016
Disciplina: Engenharia Elétrica
Banca: CESPE / CEBRASPE
Orgão: Polícia Científica-PE
Disciplina: Engenharia Elétrica
Banca: CESPE / CEBRASPE
Orgão: Polícia Científica-PE

Provas
Questão presente nas seguintes provas
1035591
Ano: 2016
Disciplina: Engenharia Elétrica
Banca: CESPE / CEBRASPE
Orgão: Polícia Científica-PE
Disciplina: Engenharia Elétrica
Banca: CESPE / CEBRASPE
Orgão: Polícia Científica-PE
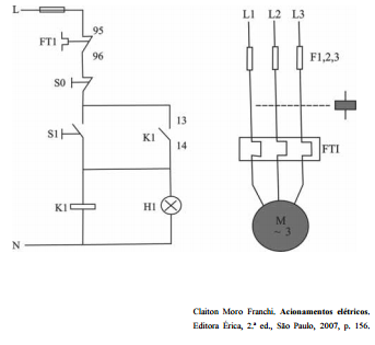
Figura 4A5AAA

Provas
Questão presente nas seguintes provas
1035590
Ano: 2016
Disciplina: Engenharia Elétrica
Banca: CESPE / CEBRASPE
Orgão: Polícia Científica-PE
Disciplina: Engenharia Elétrica
Banca: CESPE / CEBRASPE
Orgão: Polícia Científica-PE
Figura 4A5AAA

Provas
Questão presente nas seguintes provas

Provas
Questão presente nas seguintes provas

Provas
Questão presente nas seguintes provas
Cadernos
Caderno Container