Foram encontradas 1.033 questões.
1035577
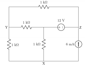
Ano: 2016
Disciplina: Engenharia Elétrica
Banca: CESPE / CEBRASPE
Orgão: Polícia Científica-PE
Disciplina: Engenharia Elétrica
Banca: CESPE / CEBRASPE
Orgão: Polícia Científica-PE

Provas
Questão presente nas seguintes provas
1035576
Ano: 2016
Disciplina: Engenharia de Transportes e Trânsito
Banca: CESPE / CEBRASPE
Orgão: Polícia Científica-PE
Disciplina: Engenharia de Transportes e Trânsito
Banca: CESPE / CEBRASPE
Orgão: Polícia Científica-PE
No que se refere à organização e à administração pública do setor
rodoviário, assinale a opção correta.
Provas
Questão presente nas seguintes provas
1035575
Ano: 2016
Disciplina: Engenharia de Transportes e Trânsito
Banca: CESPE / CEBRASPE
Orgão: Polícia Científica-PE
Disciplina: Engenharia de Transportes e Trânsito
Banca: CESPE / CEBRASPE
Orgão: Polícia Científica-PE
Em determinada via arterial que leva ao centro de uma
cidade, as condições de tráfego deterioram-se ao longo dos anos
com ocupação urbana desordenada, ocupação da faixa de domínio
por estabelecimentos comerciais, e aumento considerável do
número de veículos. Na via circulam bicicletas, caminhões, carros,
motocicletas, ônibus e pedestres. A via tem doze metros de largura,
é dividida em três faixas de quatro metros e existem inúmeras
interseções semaforizadas que criam congestionamentos durante os
horários de pico da manhã e da tarde. Embora existam alternativas
de rota para caminhões, essa via arterial representa o menor
percurso para veículos de transporte de cargas. Por sua vez,
o transporte coletivo urbano, por ônibus, acumula queixas de baixa
confiabilidade, baixo conforto e preços elevados de tarifa.
A secretaria de transportes do município busca alternativas que desafoguem o trânsito dessa via arterial, mas que sejam compatíveis com as limitações de caixa.
A respeito das possíveis soluções para essa via, assinale a opção correta.
A secretaria de transportes do município busca alternativas que desafoguem o trânsito dessa via arterial, mas que sejam compatíveis com as limitações de caixa.
A respeito das possíveis soluções para essa via, assinale a opção correta.
Provas
Questão presente nas seguintes provas
1035574
Ano: 2016
Disciplina: Engenharia de Transportes e Trânsito
Banca: CESPE / CEBRASPE
Orgão: Polícia Científica-PE
Disciplina: Engenharia de Transportes e Trânsito
Banca: CESPE / CEBRASPE
Orgão: Polícia Científica-PE
Assinale a opção correta acerca da sinalização de trânsito.
Provas
Questão presente nas seguintes provas
- Gerenciamento, Planejamento e Controle de Obras
- Orçamento no Planejamento e Controle de Obras na Engenharia Civil

A tabela precedente representa a composição do BDI (bonificações e despesas indiretas) do orçamento de uma determinada obra de engenharia. Considerando que o orçamento tenha sido elaborado com base em todos os custos da obra e que as informações constantes na planilha estejam completas, assinale a opção correta.
Provas
Questão presente nas seguintes provas
O levantamento topográfico planialtimétrico de uma propriedade
define limites, vizinhanças, perímetro, alinhamento da via bem
como sua orientação e amarração a pontos de referência. A respeito
desse assunto, assinale a opção correta.
Provas
Questão presente nas seguintes provas
Acerca dos elementos geométricos que compõem uma rodovia,
assinale a opção correta.
Provas
Questão presente nas seguintes provas
A respeito do diagrama de massas ou de Brückner, que facilita a
análise da distribuição de materiais escavados quando se projeta,
por exemplo, uma rodovia, assinale a opção correta.
Provas
Questão presente nas seguintes provas
- Edificações
- Estruturas
- Resistência dos Materiais e Análise EstruturalEstruturas de Concreto
- Métodos Construtivos
Com relação a planos e juntas de concretagem em edificações,
assinale a opção correta.
Provas
Questão presente nas seguintes provas
A pintura com tinta látex (PVA)
Provas
Questão presente nas seguintes provas
Cadernos
Caderno Container