Foram encontradas 60 questões.

Provas

Neste trecho, o cronista constata
Provas

I - A crônica aborda um tema contemporâneo numa linguagem informal, com uso de termos e expressões populares.
II - O cronista reconhece no computador um precioso auxiliar, que pode, todavia, transformar-se num tirano.
III - O autor traça um retrato físico e psicológico do avô.
É(São) correta(s) APENAS a(s) afirmação(ões)
Provas

Provas
Provas
mov dx,3
mov ax,0
LOOP1: dec dx
jz FORA
inc ax
mov cx,5
LOOP2: dec cx
inc ax
jnz LOOP2
jmp LOOP1
FORA: . . .
O valor de ax, ao final da execução, é
Provas
O programa em pseudocódigo, mostrado a seguir, imprime o resultado da multiplicação entre duas matrizes.
Algoritmo PERNAMBUCO;
variáveis
M, N, P : MATRIZ[1..4,1..4] de inteiros;
J, K, T : inteiros;
rotina ROT22;
início
atribuir 1 a M[1,1]; atribuir 2 a M[1,2]; atribuir 0 a M[1,3];
atribuir 3 a M[2,1]; atribuir 0 a M[2,2]; atribuir 1 a M[2,3];
atribuir 1 a N[1,1];atribuir 1 a N[1,2];
atribuir 0 a N[2,1];atribuir 2 a N[2,2];
atribuir 1 a N[3,1];atribuir -1 a N[3,2];
fim; { fim da rotina }
rotina ROT33;
início
para J de 1 até 2 faça
para K de 1 até 2 faça atribuir 0 a P[J,K];
fim; { fim da rotina }
rotina ROT44;
início
para J de 1 até 2 faça
para T de 1 até 2 faça
for K de 1 até 3 faça
atribuir P[J,T] + M[J,K] *N[K,T] a P[J,T];
fim; { fim da rotina }
rotina ROT55;
início
para J de 1 até 2 faça
for T de 1 até 2 faça imprimir(P[J,T]);
imprimir(linha em branco);
fim; { fim da rotina }
início { corpo do programa }
ROT22;
ROT33;
ROT44;
ROT55;
fim. { fim do algoritmo }
Analisando o programa, conclui-se que será impressa a matriz
Provas
- Geografia GeralAquecimento Global
- Geografia GeralMeio AmbienteImpactos e soluções nos meios natural e rural
I - O uso da energia proveniente das florestas replantadas possui um balanço líquido de emissões de carbono em torno de zero.
II - O uso da energia proveniente das florestas nativas possui um balanço líquido das emissões de carbono desfavorável.
III - A participação cada vez maior do gás natural na matriz energética não tem reduzido o índice de carbonização global da energia.
Está correto o que se afirma em
Provas

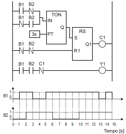
No programa LADDER, da figura acima, B1, B2, C1 e Y1 são variáveis booleanas na memória de um CLP; TON é um temporizador com atraso no acionamento, com tempo especificado em segundos; e RS é um bloco de função biestável com reset dominante.
Em t = 0 s, todas as variáveis booleanas estão em nível lógico 0, o temporizador está zerado e a saída do bloco RS também está zerada. Sabendo-se que B1 e B2 evoluem conforme indicado nos gráficos da figura e, desprezando- se o tempo de varredura do CLP, o tempo acumulado, em segundos, em que Y1 permanece em nível lógico 1, no intervalo de 0 s a 15 s, é
Provas
Um microcontrolador possui uma porta bidirecional de 8 bits, chamada P2, acionada por drivers em coletor aberto. Sejam 3 possíveis sequências de código para ler o valor da porta P2 e colocá-lo no acumulador A as apresentadas abaixo.
Está(ão) correta(s) APENAS a(s) sequência(s)
Provas
Caderno Container