Foram encontradas 1.138 questões.
Provas
A parte da plataforma contígua à pista de rolamentos, destinado ao estacionamento de veículos, ao trânsito em caso de emergência e ao suporte lateral do pavimento denomina-se:
Provas
Leia:
“São aqueles constituídos por camadas que não trabalham à tração. Normalmente, são constituídos de revestimento betuminoso delgado, sobre camadas, puramente, granulares.”
O parágrafo discorre sobre os pavimentos:
Provas
Mantida a quantidade de água de amassamento, proporciona o aumento do índice de consistência do concreto ou permite a redução de no mínimo 6% da quantidade de água a ser lançada. Trata-se do aditivo denominado:
Provas
É o aditivo que aumenta os tempos de início e fim de pega dos concretos:
Provas
Com relação à agressividade do ambiente às edificações, é condição ambiental ligada ao ambiente úmido, sem gelo:
Provas
Quando realizados de 61 mm a 300 mm de profundidade, nas edificações, os reparos são descritos como:
Provas
Analise os conceitos, abaixo, ligados às patologias das edificações:
I – Profilaxia é a ciência que estuda as medidas necessárias à prevenção das enfermidades.
II – Origem é a etapa do processo construtivo (planejamento/concepção, projeto, fabricação de materiais, etc.) em que ocorreu o problema.
III – Sintoma é um descuido ou erro, uma atividade imprevista ou acidental que se traduz em um defeito ou dano.
É correto o que se afirma em:
Provas
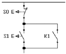
Observe a imagem e indique o tipo de diagrama funcional:

Provas
Observe a imagem e indique o tipo de diagrama funcional:

Provas
Caderno Container