Foram encontradas 40 questões.
Considerando o circuito a seguir com Vrms= 9Vca,
assinale a alternativa que representa o valor da tensão
elétrica média "VAB" entre os pontos "A" e "B".
Considere diodos de silício com VD=0,7V, raiz quadrada
de "2" = 1,41 e "Pi" = 3,1415.


Provas
Questão presente nas seguintes provas
Um sistema SCADA (Supervisory Control and Data
Acquisition ) é uma plataforma de software e hardware
que permite o monitoramento e controle remoto em
tempo real de processos industriais ou infraestruturas
(como saneamento, energia, petróleo e gás), coletando
dados de sensores e equipamentos de campo
(UTRs/CLPs) e exibindo-os de forma gráfica e intuitiva
para operadores, possibilitando decisões rápidas e
automação de tarefas, sendo a telemetria a tecnologia
de comunicação (rádio, satélite) que viabiliza essa troca
de dados à distância. Sobre esse tema, analise as
afirmações e assinale a alternativa correta
I.Uma IHM (Interface Homem-Máquina) é um dispositivo ou sistema que permite a interação direta entre o operador e uma máquina, processo ou equipamento industrial, apresentando informações de forma visual e possibilitando o envio de comandos ao sistema. Em contextos de engenharia elétrica, a IHM é fundamental para monitorar grandezas elétricas, estados de equipamentos, alarmes e para operar sistemas como subestações, painéis de controle e usinas fotovoltaicas, tornando a operação mais segura, intuitiva e eficiente.
II.Uma rede Modbus RTU é um protocolo de comunicação serial para automação industrial, que usa uma arquitetura mestre-escravo em uma rede física como a RS485. A comunicação é iniciada apenas pelo mestre, que envia requisições para os dispositivos escravos, e os escravos respondem aos comandos do mestre. Esse protocolo é conhecido por sua simplicidade e eficiência, sendo amplamente utilizado para conectar equipamentos como CLPs, inversores, IHMs e sistemas SCADA.
III.A lógica Ladder que organiza instruções entre duas linhas verticais, representando entradas (contatos) e saídas (bobinas) de forma visual e simples é padronizada pela norma IEC 60076-3.
É correto o que se afirma em:
I.Uma IHM (Interface Homem-Máquina) é um dispositivo ou sistema que permite a interação direta entre o operador e uma máquina, processo ou equipamento industrial, apresentando informações de forma visual e possibilitando o envio de comandos ao sistema. Em contextos de engenharia elétrica, a IHM é fundamental para monitorar grandezas elétricas, estados de equipamentos, alarmes e para operar sistemas como subestações, painéis de controle e usinas fotovoltaicas, tornando a operação mais segura, intuitiva e eficiente.
II.Uma rede Modbus RTU é um protocolo de comunicação serial para automação industrial, que usa uma arquitetura mestre-escravo em uma rede física como a RS485. A comunicação é iniciada apenas pelo mestre, que envia requisições para os dispositivos escravos, e os escravos respondem aos comandos do mestre. Esse protocolo é conhecido por sua simplicidade e eficiência, sendo amplamente utilizado para conectar equipamentos como CLPs, inversores, IHMs e sistemas SCADA.
III.A lógica Ladder que organiza instruções entre duas linhas verticais, representando entradas (contatos) e saídas (bobinas) de forma visual e simples é padronizada pela norma IEC 60076-3.
É correto o que se afirma em:
Provas
Questão presente nas seguintes provas
Um transformador monofásico ideal (sem perdas) possui
600 espiras no enrolamento do primário e 520 espiras no
enrolamento do secundário. Se no primário desse
transformador for aplicada uma tensão alternada de
127Vac a tensão da saída no secundário será de:
Provas
Questão presente nas seguintes provas
Considerando a resistividade dos materiais aplicados à
segunda lei de Ohm, analise e classifique os materiais
abaixo de acordo com a resistividade elétrica, sendo 1
para o melhor condutor (menor resistividade) e 5 para o
pior condutor (maior resistividade). Após isso, assinale a
alternativa que contém a resposta correta:
Materiais:
Cobre
Alumínio
Zinco
Ouro
Prata
Materiais:
Cobre
Alumínio
Zinco
Ouro
Prata
Provas
Questão presente nas seguintes provas
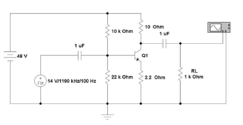
Considerando o circuito eletrônico a seguir, analise as
afirmativas e assinale a alternativa correta.
I.O componente "Q1" é um transistor bipolar PNP que, no circuito, está configurado como amplificador para um circuito típico de áudio.
II.O transistor "Q1" está polarizado na configuração conhecida como "polarização por divisão de tensão".
III.Os capacitores de 1 µF na entrada e na saída têm por função principal o desacoplamento do componente DC nesse estágio (bloqueio do componente contínuo do sinal).
É correto o que se afirma em:
I.O componente "Q1" é um transistor bipolar PNP que, no circuito, está configurado como amplificador para um circuito típico de áudio.
II.O transistor "Q1" está polarizado na configuração conhecida como "polarização por divisão de tensão".
III.Os capacitores de 1 µF na entrada e na saída têm por função principal o desacoplamento do componente DC nesse estágio (bloqueio do componente contínuo do sinal).
É correto o que se afirma em:
Provas
Questão presente nas seguintes provas
O engenheiro eletricista da Prefeitura de Biguaçu foi
incumbido de efetuar a instalação de um disjuntor de
proteção na saída de um transformador trifásico de 150
kVA / 23,8 kV − 380 V. Considerando que o disjuntor
deve proteger o transformador contra sobrecarga, mas
ao mesmo tempo permitir a maior potência possível na
saída, assinale a alternativa que representa a corrente
nominal adequada para esse disjuntor.
Provas
Questão presente nas seguintes provas
Observe o diagrama multifilar a seguir e assinale a
alternativa correta:


Provas
Questão presente nas seguintes provas
A Lei nº 10.295/2001, conhecida como Lei de Eficiência
Energética, estabelece diretrizes para o desenvolvimento
de ações que promovam o uso racional e eficiente de
energia no Brasil. Seu objetivo central é definir níveis
máximos de consumo de energia ou mínimos de
eficiência para máquinas, equipamentos e edificações
comercializadas no país, contribuindo para a redução de
desperdícios e para a melhoria do desempenho
energético de diversos setores. A partir dessa lei, foram
criados regulamentos específicos, conduzidos pelo
Programa Brasileiro de Etiquetagem (PBE) e pelo Comitê
Gestor de Indicadores e Níveis de Eficiência Energética
(CGIEE), que orientam fabricantes, consumidores e
órgãos públicos na adoção de tecnologias mais eficientes. Dessa forma, a Lei nº 10.295/2001 tornou-se
um marco regulatório essencial para a modernização do
parque tecnológico nacional e para o fortalecimento de
políticas de sustentabilidade energética. Com base no
que essa lei estabelece assinale a alternativa correta:
Provas
Questão presente nas seguintes provas
Uma UBS (Unidade Básica de Saúde) do interior de
Biguaçu está com problemas de queda de tensão,
devido à distância entre o ponto de entrega da CELESC
e a edificação da UBS, que fica a 150 m de distância. O
ramal de carga atual é formado por condutores de
alumínio de 10 mm². De forma prática, a engenheira
eletricista da prefeitura orientou o eletricista a substituir
os condutores do ramal de carga por outros de seção
diferente e de material diverso do atual. Assinale a
alternativa que contém a orientação mais adequada
passada pela engenheira ao eletricista:
Provas
Questão presente nas seguintes provas
3960479
Ano: 2025
Disciplina: Segurança e Saúde no Trabalho (SST)
Banca: FURB
Orgão: Pref. Biguaçu-SC
Disciplina: Segurança e Saúde no Trabalho (SST)
Banca: FURB
Orgão: Pref. Biguaçu-SC
Provas:
De acordo com a NR-10 do Ministério do Trabalho e
Emprego, é considerado trabalhador capacitado aquele
que atenda às seguintes condições, simultaneamente:
Provas
Questão presente nas seguintes provas
Cadernos
Caderno Container