Magna Concursos

Foram encontradas 49 questões.

601568 Ano: 2019
Disciplina: Direito Penal
Banca: VUNESP
Orgão: Pref. Campinas-SP
Provas:
O servidor que devassar o sigilo de proposta de concorrência pública, ou proporcionar a terceiro o ensejo de devassá-lo, segundo o Art. 326 do código penal brasileiro, está sujeito à pena de multa e
 

Provas

Questão presente nas seguintes provas
601069 Ano: 2019
Disciplina: Engenharia Elétrica
Banca: VUNESP
Orgão: Pref. Campinas-SP
Provas:
A preocupação com aspectos ambientais e o aumento no uso de fontes de energia renováveis tem contribuído para que as grandes montadoras desenvolvam automóveis elétricos de alto desempenho. Dentre as principais vantagens desses veículos, uma delas é a possibilidade de substituição dos sistemas de transmissão por motores acoplados diretamente às rodas, acionados por sistemas de eletrônica de potência, resultando em um conjunto de elevado rendimento. Considere um veículo elétrico de pequeno porte equipado com motores trifásicos síncronos de ímãs permanentes de 12 polos acoplados diretamente às rodas dianteiras. O perímetro médio dos pneus dianteiros é de 300 cm, e despreza-se escorregamento do pneu no contato com o solo. Nessas condições, calcule a frequência da alimentação trifásica dos motores das rodas para que o veículo se desloque a uma velocidade de 180 km/h e assinale a alternativa correta.
 

Provas

Questão presente nas seguintes provas
601068 Ano: 2019
Disciplina: Engenharia Elétrica
Banca: VUNESP
Orgão: Pref. Campinas-SP
Provas:

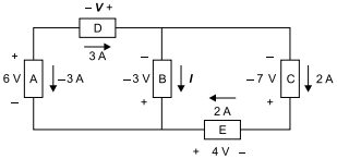
Para o circuito elétrico a seguir, os elementos nele contidos não estão especificados (podendo ser um resistor ou uma fonte de tensão). A corrente e a tensão de cada elemento estão especificadas tanto em valor como em variável. De acordo com a convenção passiva, uma potência de valor positivo indica que o elemento está absorvendo potência, um valor negativo indica que o elemento está fornecendo potência. Assim, assinale a alternativa que apresenta os valores de V, I e as potências em D e B, respectivamente.

enunciado 601068-1

 

Provas

Questão presente nas seguintes provas
601067 Ano: 2019
Disciplina: Engenharia Elétrica
Banca: VUNESP
Orgão: Pref. Campinas-SP
Provas:

As conexões para o uso do método dos dois wattímetros estão indicadas no circuito elétrico fornecido. As tensões são simétricas, e a carga, equilibrada. Com relação à interpretação das leituras dos dois wattímetros para a obtenção da potência média total fornecida à carga, assinale a alternativa que contém a afirmação correta.

enunciado 601067-1

 

Provas

Questão presente nas seguintes provas
601066 Ano: 2019
Disciplina: Engenharia Elétrica
Banca: VUNESP
Orgão: Pref. Campinas-SP
Provas:

O circuito da figura representa um modelo simplificado de uma célula fotovoltaica. A corrente is é proporcional à insolação (kW/m2 ). Determine o valor da resistência de carga RL para que a máxima potência elétrica seja transferida. Determine o valor da Potência Máxima, quando i s = 10 A. Assinale a alternativa correta.

enunciado 601066-1

 

Provas

Questão presente nas seguintes provas
601065 Ano: 2019
Disciplina: Engenharia Elétrica
Banca: VUNESP
Orgão: Pref. Campinas-SP
Provas:
A relação (Ip/In) de um motor de indução é igual a 7,5. Se a corrente nominal desse motor é igual a 36 A e sua partida é efetuada sem carga por meio de uma chave estrela-triângulo, sua corrente de partida será:
 

Provas

Questão presente nas seguintes provas
601063 Ano: 2019
Disciplina: Engenharia Elétrica
Banca: VUNESP
Orgão: Pref. Campinas-SP
Provas:

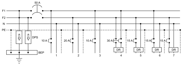
O diagrama multifilar de uma instalação residencial elaborada conforme a Norma NBR-5410 é apresentado na Figura.

Figura – Diagrama Multifilar

enunciado 601063-1

(CREDER, 16ª Edição, 2016)

Sabendo-se que a rede de distribuição que atende a essa instalação tem tensão secundária de 220/127 V, é correto afirmar que os circuitos

 

Provas

Questão presente nas seguintes provas
601062 Ano: 2019
Disciplina: Engenharia Elétrica
Banca: VUNESP
Orgão: Pref. Campinas-SP
Provas:
A figura a seguir apresenta as curvas de atuação da proteção de uma unidade consumidora (UC) atendida em média tensão de distribuição com subestação própria.

enunciado 601062-1

É correto afirmar que os elementos A, B, C e D são, nesta ordem:
 

Provas

Questão presente nas seguintes provas
601061 Ano: 2019
Disciplina: Engenharia Elétrica
Banca: VUNESP
Orgão: Pref. Campinas-SP
Provas:
Uma sala de 150 m2 é equipada com 25 luminárias que apresentam fluxo individual de 3.000 lumens. Sabendo-se que o rendimento de cada luminária para a aplicação é igual a 0,60 e o fator de depreciação é de 0,80, calcule o iluminamento médio do recinto e assinale a alternativa correta.
 

Provas

Questão presente nas seguintes provas
601060 Ano: 2019
Disciplina: Engenharia Elétrica
Banca: VUNESP
Orgão: Pref. Campinas-SP
Provas:
Para se determinarem os parâmetros do circuito equivalente de um motor de indução trifásico com rotor em gaiola de esquilo de baixa potência, realiza-se a medição da resistência equivalente do enrolamento por fase do estator, um ensaio em vazio e um ensaio com o rotor bloqueado, respectivamente, utilizando o método dos dois wattímetros. Para procedimento correto de ensaios em vazio e de rotor bloqueado, deve-se:
 

Provas

Questão presente nas seguintes provas