Foram encontradas 160 questões.
Responda à questão com relação à figura abaixo.

Fonte: Adaptado de J. M. Filho e D. R. Mamede, Proteção de Sistemas Elétricos de Potência, 2o edição. LTC, 2020.
A figura apresenta um transformador conectado ao alimentador de distribuição.
Qual o tipo deste transformador?
Provas
Responda à questão com relação à figura abaixo.

Fonte: Adaptado de J. M. Filho e D. R. Mamede, Proteção de Sistemas Elétricos de Potência, 2o edição. LTC, 2020.
Sabendo que a estrutura representa a saída de um alimentador de uma subestação, qual o elemento indicado pelo número 52?
Provas
O elo fusível é normalmente utilizado para a proteção de transformadores em redes aréas de distribuição.
Analise o texto abaixo em relação ao assunto.
“O elo fusível é instalado normalmente no lado de ......................... tensão e tem a principal função de proteção do transformador contra .................... na rede de distribuição .................... .”
Assinale a alternativa que completa corretamente as lacunas do texto.
Provas
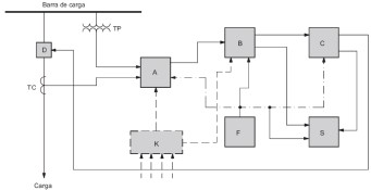
A figura abaixo mostra o esquemático de um sistema de proteção de média tensão.

Fonte: Adaptado de J. M. Filho e D. R. Mamede, Proteção de Sistemas Elétricos de Potência, 2o edição. LTC, 2020.
Assinale a alternativa que apresenta qual elemento indicado pela letra D.
Provas
Indique a nomenclatura do transformador de corrente (TC) que não possui um primário fixo e é constituído de uma abertura através do núcleo, por onde passa o condutor que forma o circuito primário.
Provas
Assinale a alternativa correta em relação ao projeto de condutores em instalações de média tensão.
Provas
Relacione corretamente as normas de serviços de eletricidade.
Coluna 1 Norma
1. NBR14039
2. NBR5419
3. NBR5410
Coluna 2 Descrição
( ) Instalações elétricas de baixa tensão
( ) Proteção contra descargas atmosféricas
( ) Projeto e execução de instalações de média
Assinale a alternativa que indica a sequência correta, de cima para baixo.
Provas
Assinale a alternativa que indica corretamente a nomenclatura da técnica utilizada no estudo de proteção e coordenação, por meio da qual somente o elemento de proteção mais próximo do defeito desconecta a parte defeituosa do sistema elétrico.
Provas
As posições “aberto” e “fechado” dos equipamentos de manobra de contatos devem ser identificadas por meio de letras e cores.
Assinale a alternativa que indica corretamente a letra e cor para o estado do sistema.
Provas
Analise as afirmativas abaixo sobre os sistemas de proteção e de segurança em instalações de média tensão.
1. Os transformadores de instrumentação conectados aos relés secundários devem ser instalados sempre a montante do disjuntor a ser atuado.
2. O sistema geral de proteção da unidade consumidora deve permitir coordenação com o sistema de proteção da concessionária.
3. Os equipamentos que são operados manualmente devem permitir o uso de dispositivos de travamento mecânico para evitar o religamento.
Assinale a alternativa que indica todas as afirmativas corretas.
Provas
Caderno Container