Foram encontradas 40 questões.
Disciplina: TI - Redes de Computadores
Banca: UFPR
Orgão: Pref. Curitiba-PR
Provas
Com a criação do padrão brasileiro de plugues e tomadas, o nosso mercado passou a comercializar apenas dois modelos desses dispositivos. Nele, os plugues possuem dois ou três pinos redondos, e as tomadas, três orifícios de 4 mm ou 4,8 mm. O padrão foi criado, acima de tudo, para dar mais segurança ao consumidor, ao diminuir a possibilidade de choques elétricos, incêndios e mortes. Nos últimos dez anos, o DataSUS registrou 13.776 internações com 379 óbitos e mais 15.418 mortes imediatas, decorrentes de acidentes relativos à exposição a correntes elétricas em residências, escolas, asilos e locais de trabalho. Além disso, entre os acidentados, o choque elétrico é a terceira maior causa de morte infantil (INMETRO, 2011, destaques acrescentados).
Pode-se dizer que o atual padrão brasileiro de plugues e tomadas resulta de um bem-sucedido esforço conjunto de várias instituições normativas – Conmetro, Inmetro e ABNT –, trabalhando de forma integrada com a indústria e o comércio. Sob o aspecto normativo e legal, esse processo de quase três décadas teve início em outubro de 1981 e foi concluído em julho de 2011, com a proibição de vendas de tomadas de padrões antigos em todo o território nacional.
Com base nas normas técnicas NBR 5410:2008 (Instalações Elétricas de Baixa Tensão) e NBR14136:2012 (Plugues e Tomadas para Uso Doméstico e Análogo até 20 A / 250 V em Corrente Alternada – Padronização), considere as seguintes afirmativas:
1. A existência do pino terra tornou-se obrigatória para todas as tomadas fixas e móveis.
2. A capacidade de corrente de tomadas e plugues residenciais foi padronizada com as opções de 10 A e 20 A com pinos cilíndricos. O diâmetro de 4 mm para as tomadas de 10 A e de 4,8 mm para as de 20 A impede que plugues de 20 A possam ser inseridos em tomadas de 10 A, assegurando a proteção da tomada e do circuito contra sobrecargas e contra curto-circuito.
3. A proteção do usuário contra choques elétricos provocados por contato direto acidental acontece: (a) pelo distanciamento dos contatos elétricos internos das tomadas em relação à sua superfície isolante; (b) pelo baixo relevo do encaixe do plugue na tomada (formato em poço), que evita contato dos dedos com os pinos do plugue sendo inseridos na tomada; (c) por um design que praticamente impede a inserção de apenas um pino de um plugue numa tomada.
4. O uso de plugues com pinos parcialmente isolados amplia a proteção contra choques elétricos, e esse recurso, apesar de não ser obrigatório, é adotado em grande parte dos cabos de ligação de eletrodomésticos e outros aparelhos.
5. As instalações elétricas residenciais com alimentação bifásica ou trifásica 127V/220V e aterramento TN-S permitem a instalação de tomadas de 127 V e de 220 V. Nesse caso, as tomadas de maior tensão devem ser identificadas pelo uso da cor vermelha.
6. Em uma tomada de três pinos, fixa ou móvel, quando vista de frente e com o orifício central apontando para cima: (a) o terminal central deve estar sempre conectado ao condutor PE; (b) o terminal da direita deve estar ligado a um condutor fase; (c) o terminal da esquerda deve, conforme a situação, estar ligado ao condutor neutro ou a outro condutor fase.
Assinale a alternativa correta.
Provas
- Transformadores e Máquinas ElétricasPrincípios BásicosPerdas, rendimento, torque, potência, ângulo de potência e funcionamento geral
A corrente nominal e a corrente de curto-circuito do transformador correspondente à placa de identificação ao lado são, respectivamente:

Provas
- Transformadores e Máquinas ElétricasPrincípios BásicosPerdas, rendimento, torque, potência, ângulo de potência e funcionamento geral
Na placa de identificação do motor ao lado, os valores nominais da corrente em regime permanente foram apagados. Com o motor operando em regime permanente a plena carga, esses valores seriam:

Provas
Acerca de disjuntores, considere as seguintes afirmativas:
1. As curvas A/B/C/D dos disjuntores termomagnéticos têm por finalidade compatibilizar a proteção contra sobrecargas (definida basicamente pela corrente nominal do dispositivo) e contra curto-circuito com o comportamento dinâmico de cargas que, em função de suas características construtivas e/ou princípio de funcionamento, possuem correntes de partida ou de início de funcionamento significativamente maiores que em regime permanente.
2. Disjuntores de caixa moldada são aplicados principalmente em ambientes industriais, devido à sua maior robustez e capacidade de interrupção de correntes de curto-circuito. Nas instalações elétricas de estabelecimentos comerciais e de condomínios, eles são usualmente encontrados no QGBT (quadro geral de baixa tensão) e em QDCs (quadros de distribuição compactos).
3. O valor máximo da corrente de curto-circuito em uma instalação trifásica 132 kVA 220/380 V está estimado em 90 kA. A princípio, uma proteção geral através de um disjuntor 200 A ICU = 150 kA ICN = 50%.ICU seria uma solução mais confiável do que através de um disjuntor 200 A ICU = 120 kA ICN = 80%.ICU porque, em última instância, garantiria maior capacidade de interrupção do curto-circuito.
Assinale a alternativa correta.
Provas
Provas
Duas esferas iguais, eletricamente carregadas com +140 mC e -154 mC, e separadas de uma distância fixa d se atraem com uma força de intensidade 6,6 mN (d é suficientemente grande para que os raios das esferas possam ser desconsiderados). Em seguida, mantidas nas mesmas posições, as duas esferas são colocadas eletricamente em contato até que as cargas se redistribuam (o condutor usado é suficientemente fino para que se despreze a carga distribuída sobre ele). Depois de removido esse condutor, a força de interação entre as duas esferas passa a ser de:
Obs.: O valor de K0 pode ser considerado como 9.109 N.m2C-2.
Provas
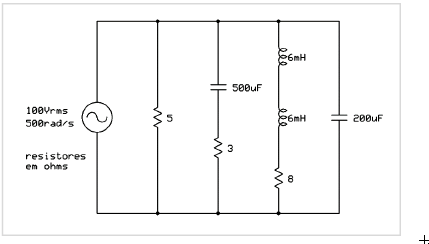
- Circuitos ElétricosLeis de Ohm e Kirchhoff
- Circuitos ElétricosPotência: Instantânea, Ativa, Reativa, Aparente e Complexa
No circuito ao lado, sendo PT a potência ativa total (medida em W ou kW) e QT a potência reativa total (medida em VAR ou kVAR) fornecidas pela fonte, o módulo da razão QT/PT é igual a:

Provas
Os dois circuitos apresentados abaixo são compostos por resistores e capacitores de mesmos valores e podem ser usados em circuitos elétricos e eletrônicos como filtros passivos de terceira ordem. Uma característica particularmente útil de ambos é que, para tensões de entrada de forma de sinusoidal, qualquer um pode ser usado como uma rede de deslocamento de fase para, numa frequência específica, gerar uma tensão de saída defasada de exatamente 180º em relação à tensão de entrada.

A função de transferência do circuito da esquerda no domínio da frequência complexa é

e a do circuito da direita é

A resposta em frequência para uma forma de onda sinusoidal em regime permanente pode ser analisada fazendo-se s = j⋅w.
Com base nesses pressupostos, assinale a alternativa correta.
Provas
Provas
Caderno Container