Foram encontradas 40 questões.
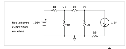
O valor da SOMA das tensões nodais V1 e V2 é de:

Provas
A soma das correntes de malha I1, I2 e I3 resulta em:

Provas
Com os capacitores C1 e C2 completamente descarregados, a chave S1 é fechada em t = 0 s e a chave S2 é fechada em t = 20 s. Qual é o valor instantâneo da tensão de saída vO em t = 21 s?

Provas
- Circuitos ElétricosCircuitos Resistivos, RL e RC, e RLC
- Circuitos ElétricosPotência: Instantânea, Ativa, Reativa, Aparente e Complexa
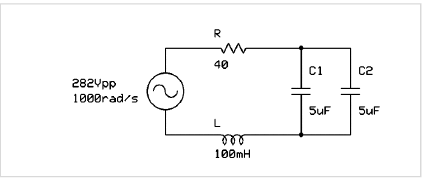
O gerador do circuito ao lado fornece uma tensão de forma de onda senoidal sem distorção. Qual é a potência RMS fornecida por esse gerador?

Provas
- Circuitos ElétricosCircuitos Resistivos, RL e RC, e RLC
- Circuitos ElétricosPotência: Instantânea, Ativa, Reativa, Aparente e Complexa
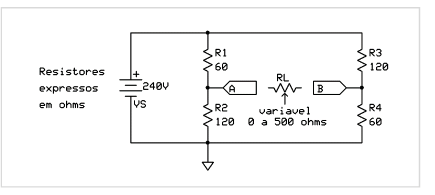
No circuito ao lado, uma carga resistiva variável
continuamente de 0 a 500
é conectada aos
terminais A e B. Qual é a máxima potência que pode
ser desenvolvida sobre essa carga variável?

Provas
- Circuitos ElétricosCircuitos Resistivos, RL e RC, e RLC
- Circuitos ElétricosTeoremas: Superposição, Thévenin, Norton e Outros
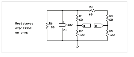
No circuito ao lado, os circuitos equivalentes de Thevenin e de Norton, do ponto de vista dos terminais A e B (considerando A em relação a B), podem ser descritos pelos parâmetros:

Provas
Provas

Considere os seguintes empregos da partícula “se” no texto:
1. “Esses efeitos se alteram...” (1º parágrafo).
2. “...lembrar de um objeto quando se deparavam com ele enquanto inspiravam” (2º parágrafo).
3. “A descoberta levou os cientistas a se perguntar...” (5º parágrafo).
4. “...descobriram que os participantes do experimento se lembraram melhor quando tinham encarado as imagens...” (7º parágrafo).
A partícula está empregada como pronome reflexivo em:
Provas
- Interpretação de TextosFunções da LinguagemDenotativa, Própria, Referencial, Literal ou Informativa
- Interpretação de TextosPressupostos e Subentendidos

Com base no texto, considere as seguintes afirmativas:
1. A palavra “encaravam” está empregada no texto em sentido conotativo.
2. Na frase “Outro insight potencial da pesquisa...”, “potencial” significa que se trata de algo ainda a ser comprovado.
3. O estudo visa monitorar as reações no cérebro das pessoas quando elas sentem medo.
Assinale a alternativa correta.
Provas
- SintaxePalavras com Múltiplas FunçõesFunções da Palavra “que”
- MorfologiaConjunçõesClassificação das ConjunçõesConjunções Subordinativas

Com base no texto, considere as seguintes afirmativas:
1. Na frase “Quando encaravam as fotos durante a inspiração, os indivíduos as reconheciam como amedrontadas mais rapidamente do que quando faziam o mesmo durante a expiração”, a expressão sublinhada introduz a ideia de proporção.
2. Na frase “Quando a pessoa inspira, em certa medida está sincronizando oscilações cerebrais por meio da rede límbica”, o termo sublinhado introduz uma relação temporal.
3. Na frase “O efeito desaparecia se eles estivessem respirando pela boca”, o termo sublinhado estabelece entre as partes uma relação causal.
Assinale a alternativa correta.
Provas
Caderno Container