Foram encontradas 800 questões.
3084196
Ano: 2024
Disciplina: Engenharia Civil
Banca: Instituto Access
Orgão: Pref. Domingo Martins-ES
Disciplina: Engenharia Civil
Banca: Instituto Access
Orgão: Pref. Domingo Martins-ES
Provas:
Assinale a opção que apresenta o ensaio que se realiza em
canteiros de obra para controle da trabalhabilidade do concreto
fresco.
Provas
Questão presente nas seguintes provas
3084195
Ano: 2024
Disciplina: Engenharia Civil
Banca: Instituto Access
Orgão: Pref. Domingo Martins-ES
Disciplina: Engenharia Civil
Banca: Instituto Access
Orgão: Pref. Domingo Martins-ES
Provas:
A ABNT NBR 6122:2022, define fundação rasa (direta ou
superficial) assim: “[elemento de fundação cuja base está
assentada em profundidade inferior a duas vezes a menor
dimensão da fundação...]”.
Assinale a opção que contenha somente fundações do tipo rasa, direta ou superficial.
Assinale a opção que contenha somente fundações do tipo rasa, direta ou superficial.
Provas
Questão presente nas seguintes provas
3084194
Ano: 2024
Disciplina: Engenharia Civil
Banca: Instituto Access
Orgão: Pref. Domingo Martins-ES
Disciplina: Engenharia Civil
Banca: Instituto Access
Orgão: Pref. Domingo Martins-ES
Provas:
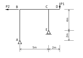
Seja o quadro plano isostático ABCDE, mostrado na figura a seguir,
submetido ao carregamento indicado.
Sabendo-se que o valor das cargas P1 e P2 são, respectivamente, 10kN e 20kN, o esforço normal na barra CE será
Sabendo-se que o valor das cargas P1 e P2 são, respectivamente, 10kN e 20kN, o esforço normal na barra CE será
Provas
Questão presente nas seguintes provas
3084193
Ano: 2024
Disciplina: Engenharia Civil
Banca: Instituto Access
Orgão: Pref. Domingo Martins-ES
Disciplina: Engenharia Civil
Banca: Instituto Access
Orgão: Pref. Domingo Martins-ES
Provas:
Segundo a ABNT NBR 6118:2023, pode ser dispensada armadura
de pele em vigas de concreto armado cuja altura for igual ou
inferior a
Provas
Questão presente nas seguintes provas
3084192
Ano: 2024
Disciplina: Engenharia Civil
Banca: Instituto Access
Orgão: Pref. Domingo Martins-ES
Disciplina: Engenharia Civil
Banca: Instituto Access
Orgão: Pref. Domingo Martins-ES
Provas:
Sobre as dimensões da seção transversal dos pilares permitem-se
valores entre 14 e 19cm, desde que multipliquem os esforços
solicitantes de cálculo a serem considerados no dimensionamento
por um coeficiente adicional γn dado pela expressão:
Yn = 1.95 - 0,05 . b
No caso de um pilar de seção transversal 15x40, os esforços solicitantes de cálculo devem ser multiplicados por
Yn = 1.95 - 0,05 . b
No caso de um pilar de seção transversal 15x40, os esforços solicitantes de cálculo devem ser multiplicados por
Provas
Questão presente nas seguintes provas
3084191
Ano: 2024
Disciplina: Engenharia Civil
Banca: Instituto Access
Orgão: Pref. Domingo Martins-ES
Disciplina: Engenharia Civil
Banca: Instituto Access
Orgão: Pref. Domingo Martins-ES
Provas:
O AutoCad foi criado pela Autodesk e é muito utilizado por conta
da facilidade na representação de desenhos, tornando-se, assim, a
prancheta eletrônica do projetista para a representação gráfica de
projetos de engenharia e arquitetura. As linhas do desenho
possuem uma hierarquia, isto é, diferentes espessuras,
representação gráfica específica (contínua, tracejada, traço e
ponto) representados no AutoCad pelas layers.
Sejam as afirmativas abaixo relacionadas às layers.
I. Quando uma layer está bloqueada, seus objetos ficam invisíveis na área de trabalho e não são possíveis ações sobre eles.
II. Utilizam-se as layers para organizar o trabalho, podendo colocar objetos com a mesma característica na mesma layer, possibilitando assim modificá-los de uma só vez.
III. Podemos definir a espessura e o tipo de linhas das layers.
IV. Através das Layers é possível escolher as cores com que as linhas serão representadas na tela.
Assinale
Sejam as afirmativas abaixo relacionadas às layers.
I. Quando uma layer está bloqueada, seus objetos ficam invisíveis na área de trabalho e não são possíveis ações sobre eles.
II. Utilizam-se as layers para organizar o trabalho, podendo colocar objetos com a mesma característica na mesma layer, possibilitando assim modificá-los de uma só vez.
III. Podemos definir a espessura e o tipo de linhas das layers.
IV. Através das Layers é possível escolher as cores com que as linhas serão representadas na tela.
Assinale
Provas
Questão presente nas seguintes provas
3084190
Ano: 2024
Disciplina: Engenharia Civil
Banca: Instituto Access
Orgão: Pref. Domingo Martins-ES
Disciplina: Engenharia Civil
Banca: Instituto Access
Orgão: Pref. Domingo Martins-ES
Provas:
Segundo a ABNT NBR 6118:2023, nos projetos de estruturas de
concreto armado deve ser utilizado aço classificado pela ABNT NBR
7480, com o valor característico da resistência de escoamento
Provas
Questão presente nas seguintes provas
3084189
Ano: 2024
Disciplina: Engenharia Civil
Banca: Instituto Access
Orgão: Pref. Domingo Martins-ES
Disciplina: Engenharia Civil
Banca: Instituto Access
Orgão: Pref. Domingo Martins-ES
Provas:
Segundo a ABNT NBR 6118:2023, quando não forem realizados
ensaios, pode-se estimar o valor do módulo de elasticidade inicial
do concreto usando a expressão a seguir:
Eci = αE ∙ 5600 √ƒck para concretos com ƒck ≤ 50 MPa
onde, o valor do αE depende do tipo de rocha de que é feita a brita.
Para britas de granito o valor do αE é
Eci = αE ∙ 5600 √ƒck para concretos com ƒck ≤ 50 MPa
onde, o valor do αE depende do tipo de rocha de que é feita a brita.
Para britas de granito o valor do αE é
Provas
Questão presente nas seguintes provas
3084188
Ano: 2024
Disciplina: Engenharia Civil
Banca: Instituto Access
Orgão: Pref. Domingo Martins-ES
Disciplina: Engenharia Civil
Banca: Instituto Access
Orgão: Pref. Domingo Martins-ES
Provas:
Sobre as vigas Gerber, encontra-se na obra do professor José
Carlos Süssekind, intitulada de “Curso de Análise Estrutural”: tratase “de uma associação de vigas com estabilidade própria com
outras apoiadas sobre as primeiras, que dão estabilidade ao
conjunto.” Continua o professor: “Para resolvê-la, basta fazer a sua
decomposição...”.
A figura a seguir apresenta uma viga Gerber submetida ao carregamento indicado.
Assinale a opção que apresenta o valor do momento fletor na seção B da viga.
A figura a seguir apresenta uma viga Gerber submetida ao carregamento indicado.
Assinale a opção que apresenta o valor do momento fletor na seção B da viga.
Provas
Questão presente nas seguintes provas
3084187
Ano: 2024
Disciplina: Engenharia Civil
Banca: Instituto Access
Orgão: Pref. Domingo Martins-ES
Disciplina: Engenharia Civil
Banca: Instituto Access
Orgão: Pref. Domingo Martins-ES
Provas:
Segundo a ABNT NBR 6118:2023, a menor classe de concreto que
se aplica em estruturas de concreto armado (armadura passiva) é
a classe
Provas
Questão presente nas seguintes provas
Cadernos
Caderno Container