Foram encontradas 800 questões.
3084098
Ano: 2024
Disciplina: Engenharia Elétrica
Banca: Instituto Access
Orgão: Pref. Domingo Martins-ES
Disciplina: Engenharia Elétrica
Banca: Instituto Access
Orgão: Pref. Domingo Martins-ES
Provas:
O comportamento diário da demanda em uma determinada
instalação industrial está representado na figura.

Marque a alternativa que apresenta o valor correto da energia consumida por esta indústria no período de 30 dias, em quilowatts-hora.

Marque a alternativa que apresenta o valor correto da energia consumida por esta indústria no período de 30 dias, em quilowatts-hora.
Provas
Questão presente nas seguintes provas
3084097
Ano: 2024
Disciplina: Engenharia Elétrica
Banca: Instituto Access
Orgão: Pref. Domingo Martins-ES
Disciplina: Engenharia Elétrica
Banca: Instituto Access
Orgão: Pref. Domingo Martins-ES
Provas:
A norma ABNT NBR 5410:2004 - Instalações elétricas de baixa
tensão estabelece as condições que devem satisfazer as
instalações elétricas de baixa tensão, a fim de garantir a segurança
de pessoas e animais, o funcionamento adequado da instalação e
a conservação dos bens. Tendo como base o estabelecido nesta
norma, marque a afirmativa incorreta.
Provas
Questão presente nas seguintes provas
3084096
Ano: 2024
Disciplina: Engenharia Elétrica
Banca: Instituto Access
Orgão: Pref. Domingo Martins-ES
Disciplina: Engenharia Elétrica
Banca: Instituto Access
Orgão: Pref. Domingo Martins-ES
Provas:
Considere um transformador abaixador trifásico com potência de
100kVA e impedância de 0,2pu. A tensão no primário deste
transformador é de 5kV e, no secundário é de 0,5kV. Assinale a
alternativa de apresenta a impedância no lado de alta deste
transformador.
Provas
Questão presente nas seguintes provas
3084095
Ano: 2024
Disciplina: Engenharia Elétrica
Banca: Instituto Access
Orgão: Pref. Domingo Martins-ES
Disciplina: Engenharia Elétrica
Banca: Instituto Access
Orgão: Pref. Domingo Martins-ES
Provas:
Uma empresa comercializadora de materiais elétricos usa a
seguinte codificação para identificar dois dos produtos vendidos
por ela:
• Tipo 01 – mini disjuntor termomagnético 3kA curva B bipolar 16 A.
• Tipo 02 – mini disjuntor termomagnético 3kA curva B monopolar 6 A.
Ocorre que numa determinada data foram realizadas duas entregas no almoxarifado da empresa com estes produtos. Entretanto os formulários de entrada de materiais não foram preenchidos corretamente, indicando apenas que na Carga A foram entregues 300 unidades do disjuntor do Tipo 01 e 200 unidades do disjuntor do Tipo 02 com um custo total de R$ 9100,00 e na Carga B foram entregues 120 unidades do disjuntor do Tipo 01 e 500 unidades do disjuntor do Tipo 02, a um custo total de R$ 8260,00. Considerando que os valores unitários dos disjuntores permanecem constantes no período considerado, determinar o custo total para uma encomenda de 50 unidades do disjuntor do Tipo 01 e 60 unidades do disjuntor do tipo 02.
• Tipo 01 – mini disjuntor termomagnético 3kA curva B bipolar 16 A.
• Tipo 02 – mini disjuntor termomagnético 3kA curva B monopolar 6 A.
Ocorre que numa determinada data foram realizadas duas entregas no almoxarifado da empresa com estes produtos. Entretanto os formulários de entrada de materiais não foram preenchidos corretamente, indicando apenas que na Carga A foram entregues 300 unidades do disjuntor do Tipo 01 e 200 unidades do disjuntor do Tipo 02 com um custo total de R$ 9100,00 e na Carga B foram entregues 120 unidades do disjuntor do Tipo 01 e 500 unidades do disjuntor do Tipo 02, a um custo total de R$ 8260,00. Considerando que os valores unitários dos disjuntores permanecem constantes no período considerado, determinar o custo total para uma encomenda de 50 unidades do disjuntor do Tipo 01 e 60 unidades do disjuntor do tipo 02.
Provas
Questão presente nas seguintes provas
3084094
Ano: 2024
Disciplina: Engenharia Elétrica
Banca: Instituto Access
Orgão: Pref. Domingo Martins-ES
Disciplina: Engenharia Elétrica
Banca: Instituto Access
Orgão: Pref. Domingo Martins-ES
Provas:
A velocidade média de escoamento da água nas tubulações de
instalações hidráulicas prediais normalmente se situa entre 0,5
m/s e 2,0 m/s. Se, por exemplo, temos um escoamento de água a
1,0 m/s em um tubo com diâmetro interno de 50 mm, numa
temperatura de 20°C, considerando que a viscosidade cinemática
da água é vcn = 1,0 × 10−6 m²/s. , pode-se afirmar sobre este
escoamento que
Provas
Questão presente nas seguintes provas
3084093
Ano: 2024
Disciplina: Engenharia Elétrica
Banca: Instituto Access
Orgão: Pref. Domingo Martins-ES
Disciplina: Engenharia Elétrica
Banca: Instituto Access
Orgão: Pref. Domingo Martins-ES
Provas:
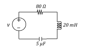
A figura representa um circuito alimentado por uma fonte de
tensão senoidal cujo regime permanente para a tensão é dado por
400 ∙ cos (2000∙t + 45°)V. Considerando o resistor de 80Ω, o indutor
de 20 mH e o capacitor de 5 µF.
Dados:
arctg (0,75) = 36,87°. arctg (-0,75) = -36,87°.
Determinar a corrente de regime permanente i.
Dados:
arctg (0,75) = 36,87°. arctg (-0,75) = -36,87°.
Determinar a corrente de regime permanente i.
Provas
Questão presente nas seguintes provas
3084092
Ano: 2024
Disciplina: Engenharia Elétrica
Banca: Instituto Access
Orgão: Pref. Domingo Martins-ES
Disciplina: Engenharia Elétrica
Banca: Instituto Access
Orgão: Pref. Domingo Martins-ES
Provas:
O físico alemão Gustav Robert Kirchhoff (1824-1887) enunciou leis
conhecidas como lei de Kirchhoff para corrente (LKC) e lei de
Kirchhoff para tensão (LKT), as quais, empregadas em conjunto
com a lei de Ohm, proporcionam um conjunto poderoso para a
análise de circuitos.
As leis de Kirchhoff podem ser empregadas para a determinação de valores que permitem a melhor solução para o problema de aquecimento de um recinto empregando-se aquecedores elétricos: considere que estão disponíveis dois aquecedores, cada um especificado com 1800 W e 120 V, para aquecimento de um ambiente.
Sendo consideradas as duas opções apresentadas para a ligação dos aquecedores, marque a alternativa correta.
As leis de Kirchhoff podem ser empregadas para a determinação de valores que permitem a melhor solução para o problema de aquecimento de um recinto empregando-se aquecedores elétricos: considere que estão disponíveis dois aquecedores, cada um especificado com 1800 W e 120 V, para aquecimento de um ambiente.
Sendo consideradas as duas opções apresentadas para a ligação dos aquecedores, marque a alternativa correta.
Provas
Questão presente nas seguintes provas
3084091
Ano: 2024
Disciplina: Engenharia Elétrica
Banca: Instituto Access
Orgão: Pref. Domingo Martins-ES
Disciplina: Engenharia Elétrica
Banca: Instituto Access
Orgão: Pref. Domingo Martins-ES
Provas:
A maioria dos dispositivos que produzem potência opera em
alguma forma de ciclo, sendo o estudo desses ciclos uma área de
grande importância na engenharia. Ocorre que os ciclos reais
apresentam um alto nível de complexidade, o que faz com que o
estudo analítico de um ciclo não seja factível. Por isso, no estudo
desses ciclos são feitas algumas idealizações – eliminando-se as
irreversibilidades e chegando-se ao que se conhece por ciclo ideal.
Um destes ciclos ideais é o Ciclo de Carnot, composto de quatro
processos totalmente reversíveis – sendo o ciclo mais eficiente que
se pode executar entre uma fonte de energia térmica a uma
temperatura TH e um sumidouro à temperatura TL. A figura
representa o diagrama P-v desse ciclo.
Considere uma máquina de Carnot que opere entre reservatórios de temperatura com 150°C e 10°C, respectivamente. Determinar a eficiência dessa máquina.
Considere uma máquina de Carnot que opere entre reservatórios de temperatura com 150°C e 10°C, respectivamente. Determinar a eficiência dessa máquina.
Provas
Questão presente nas seguintes provas
3084090
Ano: 2024
Disciplina: Engenharia Elétrica
Banca: Instituto Access
Orgão: Pref. Domingo Martins-ES
Disciplina: Engenharia Elétrica
Banca: Instituto Access
Orgão: Pref. Domingo Martins-ES
Provas:
Em um experimento realizado num laboratório de pesquisas em
eletricidade, foi feito o cálculo do valor da capacitância de um
capacitor de placas paralelas, construído com placas quadradas de
dimensões de 15 cm x 15 cm, separadas entre si por 1,5 mm. Como
dielétrico foi empregado um material cuja permissividade relativa
é de 5000. O valor da capacitância calculado, usando a constante
dielétrica absoluta para o vácuo de ε0 = 8,85 ∙ 10-12 F/m, será
Provas
Questão presente nas seguintes provas
3084089
Ano: 2024
Disciplina: Engenharia Elétrica
Banca: Instituto Access
Orgão: Pref. Domingo Martins-ES
Disciplina: Engenharia Elétrica
Banca: Instituto Access
Orgão: Pref. Domingo Martins-ES
Provas:
Considere um campo vetorial dado por ![]()
Marque a alternativa que corresponde ao valor do divergente deste campo vetorial no ponto Q(1, 3, 1), em coordenadas retangulares.
Provas
Questão presente nas seguintes provas
Cadernos
Caderno Container