Foram encontradas 460 questões.
Um fator comum nas lesões de cárie e nas doenças periodontais é:
Provas
Sobre orçamento na construção civil, é correto afirmar:
Provas
A palavra MENININHA tem na sua estrutura mórfica os seguintes elementos:
Provas
Como é denominado o processo de presa do alginato?
Provas
Leo Pessini defende que os cuidados paliativos mantenham o respeito e a integridade da pessoa. Com este intento, devem garantir as condições citadas abaixo, exceto:
Provas
Ao avaliar um recém-nascido o enfermeiro da unidade maternidade municipal realizou o seguinte teste: “ fez a flexão da cabeça do RN sobre o tórax, encostando o queixo no tórax o qual deverá responder fletindo os membros superiores e esticando os inferiores.” Esse reflexo acima citado é:
Provas
Analise o texto a seguir:
“A Lei de trânsito no Brasil – Lei 9.503 é considerada boa. No entanto, os acidentes de trânsito no Brasil matam 90 pessoas por dia, causando prejuízos materiais e sociais em mais de 20 bilhões de reais por ano. Infelizmente, é no trânsito que algumas pessoas, principalmente condutores, descarregam suas frustações e problemas pessoais com provocações, agressividades e violência”
De acordo com o texto acima podemos afirmar:
Provas
No tratamento dietoterápico do paciente oncológico, a recomendação calórica para manutenção ponderal e recuperação ponderal respectivamente é de:
Provas
No cenário hospitalar, medicina e psicologia aproximam-se, articulam-se, divergem, coexistem e tratam o mesmo paciente. Analise as assertivas abaixo, julgando-as verdadeiras ou falsas, no que se referem a fatores que dificultam a relação médicos-psicólogos:
I. Paradigmas teóricos distintos, linguagens distintas e competitividade profissional.
II. Desconhecimento ou conhecimento insuficiente por parte dos médicos a respeito dos serviços psicológicos, desconhecimento ou conhecimento insuficiente dos psicólogos acerca do setting médico e indefinição das fronteiras profissionais.
III. Falta de uma linguagem comum às duas disciplinas e dificuldade dos psicólogos em traduzir termos e conceitos psicológicos para uma linguagem compreensível aos médicos.
IV. Fixação psicossocial por parte dos psicólogos e fixação no modelo biomédico por parte dos médicos.
Estão corretos os itens:
Provas
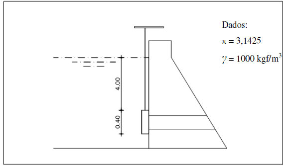
Numa barragem de concreto está instalado uma comporta circular de ferro fundido com 0,20m de raio, à profundidade indicada, a força atuante no centro da comporta é:

Provas
Caderno Container