Foram encontradas 50 questões.
Disciplina: Segurança e Saúde no Trabalho (SST)
Banca: VUNESP
Orgão: Pref. Itapevi-SP
Provas
Disciplina: Desenho Técnico e Industrial
Banca: VUNESP
Orgão: Pref. Itapevi-SP
Provas
Assinale a alternativa que contém a conta de e-mail que também receberá a mensagem e que estará visível para o destinatário prefeitura@itapevi.sp.gov.br.
Provas
, encontrado no grupo Fonte da
guia Página Inicial, e sublinhada no MS-Word 2010, em sua
configuração padrão.Provas
Considere o slide do MS-PowerPoint 2010, em sua configuração original, exibido na figura a seguir:

Assinale a alternativa que contém o ícone da guia Inserir
que foi usado para incluir a apresentação Itapevi
no slide.
Provas

Provas

O WordPad não conseguiu interpretar o arquivo porque se trata de um(a)
Provas
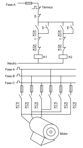
O diagrama ilustrado na figura a seguir apresenta os circuitos de comando e acionamento de um motor de indução trifásico.

O circuito de comando ilustrado nessa figura indica que o contator K1 aciona o motor em um sentido e o contator K2 aciona em outro, e que
Provas
Uma indústria de papel possui uma máquina de corte que necessita de manutenção periódica. O plano atual de manutenção utilizado pela indústria baseia-se nos conceitos de manutenção corretiva e os dados da equipe de manutenção são:
• Número de paradas por ano (média): 12
• Custo médio por parada: R$ 1500,00
Pretende-se substituir o plano de manutenção atual por um plano de manutenção preditiva que possui custos de instalação e mensais fixos. Para tanto, o engenheiro da indústria selecionou três planos distintos, que estão apresentados na tabela.

Considerando que não há inflação e nenhuma outra taxa incidente sobre os valores, o plano que possui o menor tempo para se atingir o ponto de equilíbrio (break even) e aquele de menor custo a longo prazo são, respectivamente,
Provas
Provas
Caderno Container