Foram encontradas 29 questões.
Uma empresa de Engenharia decidiu planejar o canteiro de obras do seu novo empreendimento, de acordo com a NR-18 - Condições e meio-ambiente no trabalho na indústria da construção (Ministério do Trabalho) e a NB-1367 - Áreas de vivência em canteiro de obras (ABNT). Para esta obra, há uma previsão de efetivo de, no máximo, 62 operários que residam nas adjacências do local da obra.
Analise as assertivas a respeito do texto e assinale a alternativa correta.
I - As instalações provisórias são compostas por: instalações sanitárias (com vaso sanitário, chuveiro e mictório), vestiário (com armários), refeitório e ambulatório.
II - As instalações sanitárias, de acordo com a norma, deverão ser compostas de 4 vasos sanitários, 4 mictórios, 4 lavatórios e 7 chuveiros.
III - Uma área de refeitório de, no mínimo, 50m2 com pé-direito de 2,50m.
IV - Um ambulatório médico, uma vez que o número de operários será superior a 50.
Provas
Ao alterar o nível d'água em um terreno, pode-se defrontar com algumas conseqüências. Avalie as assertivas e assinale a alternativa correta.
I - O rebaixamento do nível d'água poderá ocasionar problemas como recalques, provocados pela redução da pressão neutra, aumentando, assim, a tensão efetiva no solo, carregando-o.
II - A elevação do nível d'água poderá ocasionar problemas quando ocorrer em solos colapsíveis, pois a saturação provocará uma súbita compressão, provocando recalques.
III - A elevação do nível d'9água poderá provocar a elevação das fundações de uma residência, uma vez que haverá redução da tensão efetiva no solo.
Provas
O fenômeno conhecido como areia movediça acontece nos solos sob algumas condições específicas. Analisando as assertivas abaixo, assinale a alternativa correta.
I _ O fenômeno das areias movediças ocorre principalmente nas areias finas.
II _ Apesar da nomenclatura, este fenômeno também pode ocorrer em siltes e argilas.
III _ Este fenômeno ocorre quando as forças de percolação atingem uma intensidade tal, capaz de anular as tensões efetivas no solo.
Provas
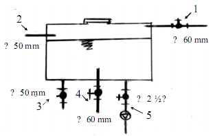
A figura esquemática abaixo representa uma típica instalação de reservatório elevado de água fria. Dentre as alternativas abaixo, assinale a que identifica corretamente as tubulações representadas.

Provas
Que característica a madeira como material de construção apresenta
I _ Alta resistência à compressão e à flexão, muito superior ao concreto.
II _ Tem como grande vantagem sua anisotropia.
III _ Desvantagem no surgimento de tensões internas quando alterado seu nível de umidade.
Provas
Utilize o comando a seguir para as questões 24 e 25.
Deseja-se fazer um orçamento para 300 m2 de alvenaria de vedação com tijolos cerâmicos de 6 furos nas dimensões 8x15x18 cm assentes à singelo, utilizando argamassa no traço em volume 1:2:8 (cimento:barro:areia). Não serão utilizados meio blocos e a espessura das juntas será de 20 mm.Qual o custo da mão-de-obra, sabendo que serão utilizados para o serviço 02 pedreiros e 04 serventes, considerando um rendimento de 50 m2/dia? (Consideraremos uma jornada de trabalho de 8 horas diárias e um custo de R$ 5,00/h por pedreiro e R$ 2,00/h por servente.)
Provas
Utilize o comando a seguir para as questões 24 e 25.
Deseja-se fazer um orçamento para 300 m2 de alvenaria de vedação com tijolos cerâmicos de 6 furos nas dimensões 8x15x18 cm assentes à singelo, utilizando argamassa no traço em volume 1:2:8 (cimento:barro:areia). Não serão utilizados meio blocos e a espessura das juntas será de 20 mm.Qual a quantidade de tijolo, cimento, areia e barro, respectivamente, que será utilizada para essa composição, sabendo que não serão consideradas as perdas de material?
Consumo: Cimento = 150 kg/m2
Areia = 1,10 m3/m2
Barro= 0,20 m3/m2
Argamassa = 0,00234 m3/tijolo
Provas
A tabela apresentada abaixo representa o cronograma físico-financeiro resumido de uma obra. De posse das informações nela contidas, complete-a, avalie as assertivas e indique a alternativa correta.
QN = Quantidade de serviço executado no mês N (em percentual).
MN = Valor do serviço executado no mês N.

I - O mês 2 foi o que apresentou maior custo.
II - O mês 1 foi o que apresentou menor custo.
III - No mês 4, atingiu- se o custo de 70% do total.
IV - A atividade de estruturas apresentou o maior custo do mês 3
Provas
Analise as assertivas.
I _Plantas do local, local para dutos e difusores, local da casa de máquinas, vazão de ar, diâmetros dos dutos.
II _ Entrada de ar, plantas e cortes do local, taxa de ocupação, diâmetros dos dutos, pressão de resistência dos dutos.
III _ Plantas e cortes do local, local para os dutos e difusores, local para casa de máquinas (ventiladores e filtros), número de pessoas, tomada de ar exterior.
IV _ Local para casa de máquinas (ventiladores e filtros), tomada de ar exterior, plantas e cortes do local, local para dutos e difusores, vazão de cada difusor.
Para o projeto de uma instalação de ventilação geral, devem estar disponíveis todos os itens contidos na(s) assertiva(s):
Provas
Ao executar uma parede em alvenaria de tijolos cerâmicos, sob viga em C.A, o pedreiro, na última fiada, executou o cunhamento desta parede. O cunhamento é importante para evitar fissuração devido a:
I _ recalques na fundação devido ao peso da alvenaria.
II _ retração da argamassa de assentamento dos tijolos.
III _ deformação da viga de concreto sobre a estrutura.
A alternativa correta para esta execução é
Provas
Caderno Container