Foram encontradas 50 questões.
Analise o circuito da Figura 14 abaixo e determine as formas de onda na carga de
10k Ohms para chave aberta e chave fechada, respectivamente.


Provas
Questão presente nas seguintes provas
Considerando a Figura 13 abaixo, analise as assertivas a seguir e assinale a alternativa correta.

I. Trata-se de placa de identificação de motor CC (corrente contínua).
II. O motor permite ligações estrela-triângulo.
III. O motor opera em tensões 127/220 V.
IV. O motor pode operar em redes de 60 Hz e 50 Hz.
Provas
Questão presente nas seguintes provas
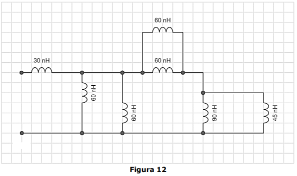
Analise a Figura 12 abaixo e determine a reatância indutiva (XL) equivalente.
Considere ω = 600M rad/s.


Provas
Questão presente nas seguintes provas
Relacione a Coluna 1 à Coluna 2, associando os seguintes itens às suas respectivas
descrições, de modo a estabelecer o adequado dimensionamento de circuitos elétricos em instalações
elétricas de Baixa Tensão (BT), de acordo com a NBR 5410:2004.
Coluna 1
1. Condutor verde, 2,5 mm2 .
2. Condutor vermelho, 1,5 mm2 .
3. Condutor preto, 2,5 mm2.
4. Condutor azul claro, 2,5 mm2.
Coluna 2
( ) X – Fase de circuito de força.
( ) Y – Condutor de neutro.
( ) Z – Condutor de terra.
( ) W – Fase de circuito de iluminação.
A ordem correta de preenchimento dos parênteses, de cima para baixo, é:
Coluna 1
1. Condutor verde, 2,5 mm2 .
2. Condutor vermelho, 1,5 mm2 .
3. Condutor preto, 2,5 mm2.
4. Condutor azul claro, 2,5 mm2.
Coluna 2
( ) X – Fase de circuito de força.
( ) Y – Condutor de neutro.
( ) Z – Condutor de terra.
( ) W – Fase de circuito de iluminação.
A ordem correta de preenchimento dos parênteses, de cima para baixo, é:
Provas
Questão presente nas seguintes provas
Observando o diagrama unifilar de uma substação na Figura 11 abaixo, assinale a
alternativa que indica adequadamente os elementos constituintes.


Provas
Questão presente nas seguintes provas
Analise a Figura 10 abaixo e determine a posição dos instrumentos de medição de
modo a efetuar corretamente as medidas elétricas do circuito.


Provas
Questão presente nas seguintes provas
Analise o esquema de aterramento da Figura 9 abaixo:

Trata-se de um esquema:
Provas
Questão presente nas seguintes provas
Determine a capacitância equivalente: Ceq do circuito da Figura 8 abaixo.

Provas
Questão presente nas seguintes provas
Analise o mapa de Karnaugh da Figura 7 abaixo e assinale a alternativa que apresenta
a expressão lógica correspondente.


Provas
Questão presente nas seguintes provas
Determine a potência reativa da carga corretiva de um sistema elétrico com potência
aparente S = 60 kVA e FP = 0,8660 (fator de potência), alimentado por tensão de 220V /0º
. Considere
arccos(0,8660): 30°.
Provas
Questão presente nas seguintes provas
Cadernos
Caderno Container