Foram encontradas 50 questões.
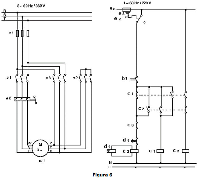
Considerando o diagrama esquemático da Figura 6 a seguir (diagrama elétrico à
esquerda e controle e acionamento lógico à direita), analise as assertivas abaixo:
I. Trata-se de sistema de acionamento estrela-triângulo.
II. O sistema, inicialmente em repouso, é ativado pelo botão b1.
III. O acionamento da contatora c2 aciona o temporizador d1.
IV. A partir do acionamento, o motor parte na configuração triângulo.
Quais estão INCORRETAS?
I. Trata-se de sistema de acionamento estrela-triângulo.
II. O sistema, inicialmente em repouso, é ativado pelo botão b1.
III. O acionamento da contatora c2 aciona o temporizador d1.
IV. A partir do acionamento, o motor parte na configuração triângulo.
Quais estão INCORRETAS?
Provas
Questão presente nas seguintes provas
Determine a corrente circulante em uma carga cuja potência consumida é
S=1100 VA/30° e a tensão de alimentação é V = 220 V/0°.
Provas
Questão presente nas seguintes provas
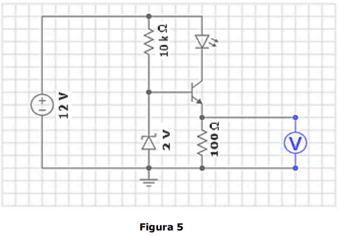
Analise o circuito regulador de tensão a transistor tipo série apresentado na Figura 5
abaixo e assinale a alternativa correta. Considere Vbe = 0,8 V.


Provas
Questão presente nas seguintes provas
Analise a tabela-verdade abaixo e determine a expressão lógica correspondente.

Provas
Questão presente nas seguintes provas
Assinale a alternativa que NÃO corresponde a um dos itens constituintes de um
sistema de proteção de descargas atmosféricas (SPDA), segundo a norma NBR 5419:2005.
Provas
Questão presente nas seguintes provas
Analise o diagrama unifilar da Figura 4 abaixo e assinale a alternativa INCORRETA.

Provas
Questão presente nas seguintes provas
Analise a Figura 3 abaixo e assinale a alternativa que apresenta a nomenclatura dos
condutores, de acordo com a NBR 5410.


Provas
Questão presente nas seguintes provas
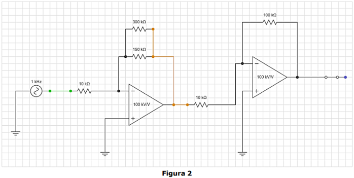
Analise o circuito da Figura 2 abaixo e determine a sua saída Vout. Considere:
Vin=100 mVp (tensão de Pico), senoidal de 1 kHz.


Provas
Questão presente nas seguintes provas
Analise o circuito da Figura 1 abaixo e determine a leitura de corrente do amperímetro.

Provas
Questão presente nas seguintes provas
A Câmara Municipal de Vereadores de Passo Fundo foi criada e instalada durante o
período ____________, em 07 de agosto de 1857, quando a cidade foi elevada à categoria de vila. O
primeiro presidente foi Manoel José de Araújo.
Assinale a alternativa que preenche corretamente a lacuna do trecho acima.
Assinale a alternativa que preenche corretamente a lacuna do trecho acima.
Provas
Questão presente nas seguintes provas
Cadernos
Caderno Container