Foram encontradas 1.037 questões.
Os paradigmas que regem a visão sobre a relação entre pessoas com deficiência e ambiente escolar são exclusão, segregação, integração e inclusão. Estes paradigmas se sucederam na sociedade brasileira, ao longo do século XX, e na atualidade voltaram a circular nos debates sobre inclusão e escola.
A respeito dessas diferentes visões sobre a inclusão das pessoas com deficiência na escola, assinale a afirmativa que as exemplifica corretamente.
Provas
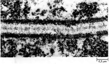
A imagem ilustra o complexo sinaptonêmico em Lilium (Raven, P.H., Evert, R.F. & Eichhorn, S.E. Biologia Vegetal, 8ª ed. Rio de Janeiro: Guanabara Koogan S.A, 2014.)

Os complexos sinaptonêmicos ocorrem nas células em divisão durante a
Provas
O gráfico a seguir mostra, de forma genérica, os níveis de glicose no sangue, após a ingestão de alimentos com alto ou baixo índices glicêmicos (IG). O tempo zero indica o momento da ingestão.

Com relação ao gráfico e ao controle endócrino da glicemia, analise as afirmativas a seguir e assinale (V) para a verdadeira e (F) para a falsa.
( ) O gráfico mostra que a taxa de glicose no sangue diminui cerca de uma hora após a ingestão dos alimentos. Essa redução é consequência da ação da insulina e do glucagon, hormônios esteroides produzidos pelas ilhotas de Langerhans no pâncreas.
( ) O diabetes refere-se a um transtorno metabólico caracterizado por hiperglicemia e distúrbios no metabolismo de carboidratos. Existem dois tipos principais de diabetes: tipo I e tipo II.
( ) Um alimento de alto IG faz o organismo liberar grandes quantidades de insulina para tentar manter normais os níveis de glicose no sangue. Um alimento de baixo IG faz o organismo produzir glucagon, para estimular o fígado a liberar glicose no sangue.
As afirmativas são, na ordem apresentada, respectivamente,
Provas
O caminho que um impulso nervoso segue, de sua origem nos dendritos ou no corpo celular de um neurônio até seu término em outro local, é denominado via nervosa. Um tipo de via nervosa é o arco reflexo.

No diagrama acima a letra A está representando o
Provas
A herança dos grupos sanguíneos do sistema ABO em humanos é um caso de herança determinada por alelos múltiplos. As letras A e B referem-se a dois tipos de carboidratos que podem estar presentes nas superfícies das hemácias.
Considere um casal em que a mulher pertence ao grupo A e o homem, ao grupo AB. O casal teve três filhos, cujos grupos sanguíneos são A, B e AB.
Pode-se constatar que a mãe é heterozigota através
Provas
As proteínas são macromoléculas relacionadas a todas as atividades celulares.
“A é encontrada em diferentes espécies, sendo considerada a proteína mais abundante no planeta. Sua função é .”
Assinale a opção cujos termos completam corretamente as lacunas do fragmento acima.
Provas
Existe consenso na vertente hoje hegemônica no Serviço Social de que há uma relação entre o Projeto Ético-Político e o de Reforma Sanitária. Na saúde, “a crítica ao projeto hegemônico da profissão passa pela reatualização do discurso da cisão entre o estudo teórico e a intervenção, pela descrença da possibilidade da existência de políticas públicas e, sobretudo, na suposta necessidade da construção de um saber específico na aérea, que caminha tanto para a negação da formação original em Serviço Social ou deslancha para um trato exclusivo de estudos na perspectiva da divisão clássica da prática médica.” (CFESS, 2010).
Uma das tendências deste processo é a de resgatar, no exercício profissional, o privilégio da intervenção no âmbito das tensões produzidas subjetivamente pelos sujeitos.
Essa tendência tem sido chamada de Serviço Social
Provas
Assinale a opção que indica os quatro grandes eixos de atuação do Assistente Social na área da saúde.
Provas
Com base na teoria crítica marxista, assinale a capacidade do Ser Social, responsável pela “disposição necessária do/a homem/mulher com outro/a homem/mulher para se desenvolver e avançar na perspectiva da sua sobrevivência e reprodução social.”
Provas
Na trajetória histórica do Serviço Social, os influxos do pragmatismo deixaram suas marcas no(a)
Provas
Caderno Container